电脑桌面
添加小米粒文库到电脑桌面
安装后可以在桌面快捷访问

持证上岗考核申请表820VIP免费

持证上岗考核申请表820_第1页
1/102
持证上岗考核申请表820_第2页
2/102
持证上岗考核申请表820_第3页
3/102
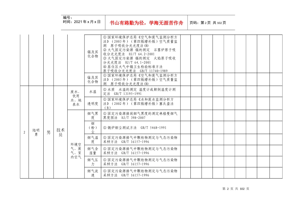
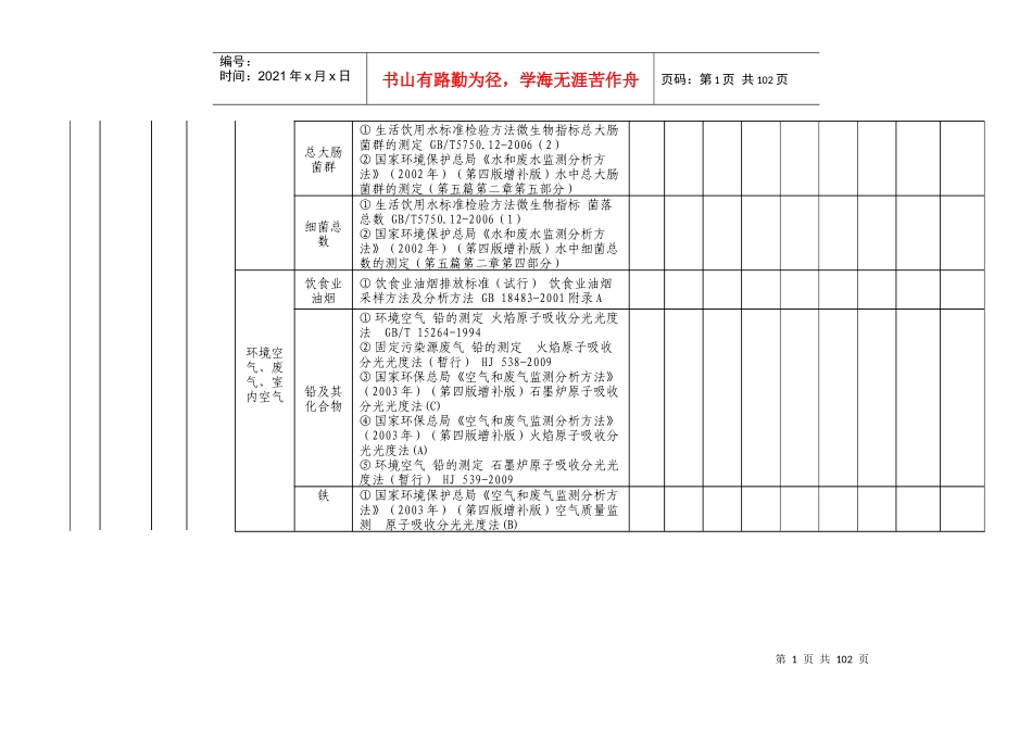
表1持证上岗考核申请表贵州聚科技术服务有限公司填表日期:2014年08月20日第页共页序号姓名性别技术职称项目类别考核项目分析方法名称、代号及来源建议考核方式持证情况能力验证等理论考核样品分析基本技能标准样品留样复测实际样品实际操作查看报告现场提问1王蓉女助理工程师废水、饮用水、地表水;浑浊度①水质浊度的测定分光光度法GB/T13200-1991②生活饮用水标准检验方法感官性状和物理指标目视比浊法-福尔马肼标准GB/T5750.4-2006(2.1)√√√色度①水质色度的测定稀释倍数法GB/T11903-1989②生活饮用水标准检验方法感官性状和物理指标铂-钴标准比色法GB/T5750.4-2006(1.1)√√√嗅(臭)和味①国家环境保护总局《水和废水监测分析方法》(2002年)(第四版增补版)文字描述法(B)②生活饮用水标准检验方法感官性状和物理指标嗅气和尝味法GB/T5750.4-2006(3.1)√√√生化需氧量①水质五日生化需氧量(BOD5)的测定稀释与接种法HJ505-2009√√√凯氏氮①水质凯氏氮的测定GB/T11891-1989√√√石油类①水质石油类和动植物油的测定红外分光光度法HJ637-2012√√√粪大肠菌群①水质粪大肠菌群的测定多管发酵法和滤膜法(试行)HJ/T347-2007②国家环境保护总局《水和废水监测分析方法》(2002年)(第四版增补版)水中粪大肠菌群的测定(第五篇第二章第六部分)第1页共102页编号:时间:2021年x月x日书山有路勤为径,学海无涯苦作舟页码:第1页共102页总大肠菌群①生活饮用水标准检验方法微生物指标总大肠菌群的测定GB/T5750.12-2006(2)②国家环境保护总局《水和废水监测分析方法》(2002年)(第四版增补版)水中总大肠菌群的测定(第五篇第二章第五部分)细菌总数①生活饮用水标准检验方法微生物指标菌落总数GB/T5750.12-2006(1)②国家环境保护总局《水和废水监测分析方法》(2002年)(第四版增补版)水中细菌总数的测定(第五篇第二章第四部分)环境空气、废气、室内空气饮食业油烟①饮食业油烟排放标准(试行)饮食业油烟采样方法及分析方法GB18483-2001附录A铅及其化合物①环境空气铅的测定火焰原子吸收分光光度法GB/T15264-1994②固定污染源废气铅的测定火焰原子吸收分光光度法(暂行)HJ538-2009③国家环保总局《空气和废气监测分析方法》(2003年)(第四版增补版)石墨炉原子吸收分光光度法(C)④国家环保总局《空气和废气监测分析方法》(2003年)(第四版增补版)火焰原子吸收分光光度法(A)⑤环境空气铅的测定石墨炉原子吸收分光光度法(暂行)HJ539-2009铁①国家环境保护总局《空气和废气监测分析方法》(2003年)(第四版增补版)空气质量监测原子吸收分光光度法(B)第2页共102页第1页共102页编号:时间:2021年x月x日书山有路勤为径,学海无涯苦作舟页码:第2页共102页镉及其化合物①国家环境保护总局《空气和废气监测分析方法》(2003年)(第四版增补版)空气质量监测原子吸收分光光度法(B)②大气固定污染源镉的测定石墨炉原子吸收分光光度法HJ/T64.2-2001③大气固定污染源镉的测定火焰原子吸收分光光度法HJ/T64.1-2001④居住区大气中镉卫生检验标准方法原子吸收分光光度法GB/T11740-1989锰及其化合物①国家环境保护总局《空气和废气监测分析方法》(2003年)(第四版增补版)空气质量监测原子吸收分光光度法(B)2陆明勇男技术员废水、饮用水、地表水水温①水质水温的测定温度计或颠倒温度计测定法GB/T13195-1991透明度①国家环境保护总局《水和废水监测分析方法》(2002年)(第四版增补版)塞氏盘法(B)环境空气、废气、室内空气烟气黑度①固定污染源排放烟气黑度的测定林格曼烟气黑度图法HJ/T398-2007烟(粉)尘①锅炉烟尘测试方法GB/T5468-1991烟气温度①固定污染源排气中颗粒物测定与气态污染物采样方法GB/T16157-1996烟气含湿量①固定污染源排气中颗粒物测定与气态污染物采样方法GB/T16157-1996烟气压力①固定污染源排气中颗粒物测定与气态污染物采样方法GB/T16157-1996烟气流速①固定污染源排气中颗粒物测定与气态污染物采样方法GB/T16157-1996第3页共102页第2页共102页编号:时间:2021年x月x日书山有路勤为径,学海无涯苦作舟页码:第3页共102页...

1、当您付费下载文档后,您只拥有了使用权限,并不意味着购买了版权,文档只能用于自身使用,不得用于其他商业用途(如 [转卖]进行直接盈利或[编辑后售卖]进行间接盈利)。
2、本站所有内容均由合作方或网友上传,本站不对文档的完整性、权威性及其观点立场正确性做任何保证或承诺!文档内容仅供研究参考,付费前请自行鉴别。
3、如文档内容存在违规,或者侵犯商业秘密、侵犯著作权等,请点击“违规举报”。

碎片内容

持证上岗考核申请表820

确认删除?
VIP
微信客服
  • 扫码咨询
会员Q群
  • 会员专属群点击这里加入QQ群
客服邮箱
回到顶部