电脑桌面
添加小米粒文库到电脑桌面
安装后可以在桌面快捷访问

质检员岗位说明书VIP免费

质检员岗位说明书_第1页
1/2
质检员岗位说明书_第2页
2/2
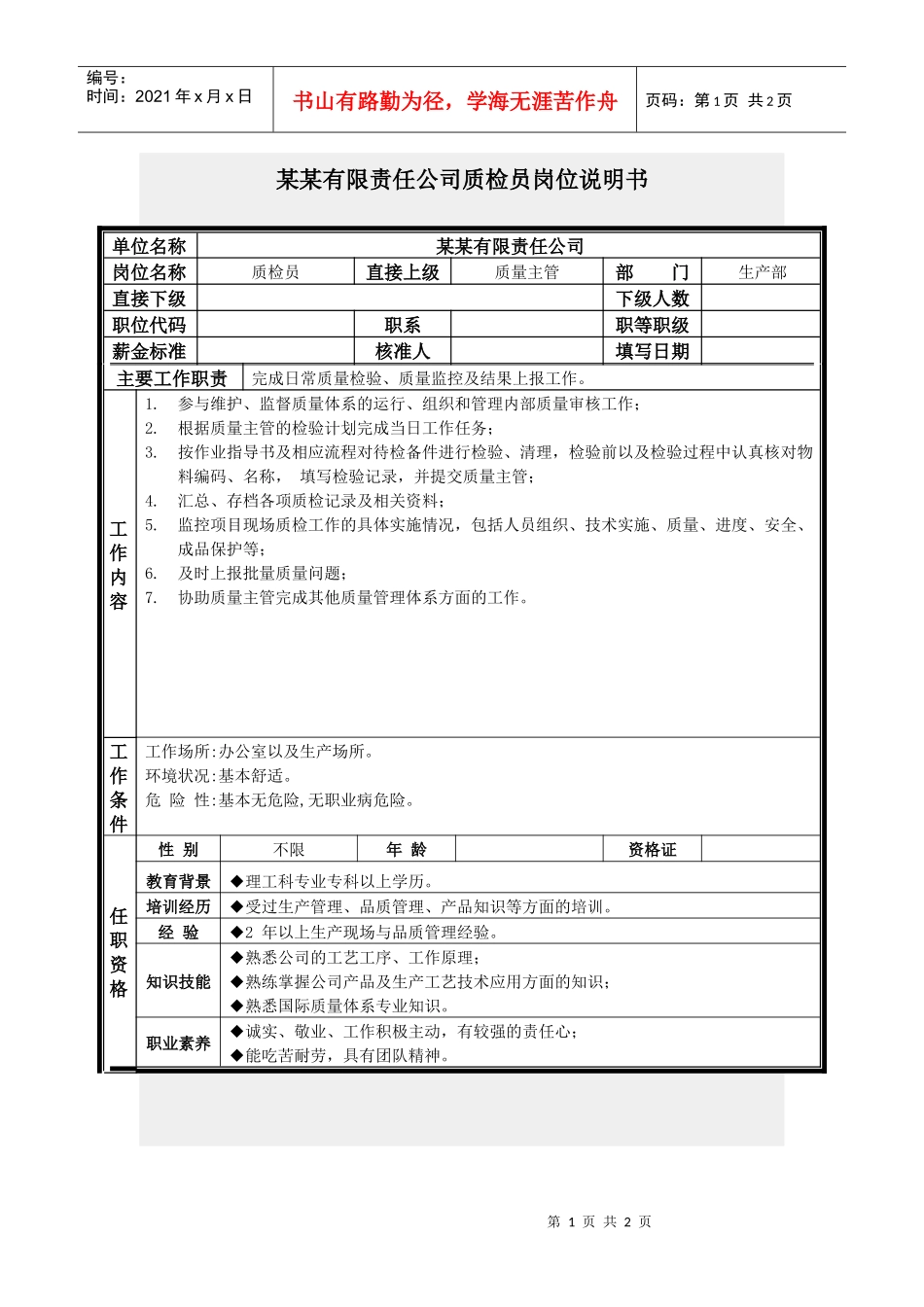
第1页共2页编号:时间:2021年x月x日书山有路勤为径,学海无涯苦作舟页码:第1页共2页某某有限责任公司质检员岗位说明书单位名称某某有限责任公司岗位名称质检员直接上级质量主管部门生产部直接下级下级人数职位代码职系职等职级薪金标准核准人填写日期主要工作职责完成日常质量检验、质量监控及结果上报工作。工作内容1.参与维护、监督质量体系的运行、组织和管理内部质量审核工作;2.根据质量主管的检验计划完成当日工作任务;3.按作业指导书及相应流程对待检备件进行检验、清理,检验前以及检验过程中认真核对物料编码、名称,填写检验记录,并提交质量主管;4.汇总、存档各项质检记录及相关资料;5.监控项目现场质检工作的具体实施情况,包括人员组织、技术实施、质量、进度、安全、成品保护等;6.及时上报批量质量问题;7.协助质量主管完成其他质量管理体系方面的工作。工作条件工作场所:办公室以及生产场所。环境状况:基本舒适。危险性:基本无危险,无职业病危险。任职资格性别不限年龄资格证教育背景◆理工科专业专科以上学历。培训经历◆受过生产管理、品质管理、产品知识等方面的培训。经验◆2年以上生产现场与品质管理经验。知识技能◆熟悉公司的工艺工序、工作原理;◆熟练掌握公司产品及生产工艺技术应用方面的知识;◆熟悉国际质量体系专业知识。职业素养◆诚实、敬业、工作积极主动,有较强的责任心;◆能吃苦耐劳,具有团队精神。第2页共2页第1页共2页编号:时间:2021年x月x日书山有路勤为径,学海无涯苦作舟页码:第2页共2页

1、当您付费下载文档后,您只拥有了使用权限,并不意味着购买了版权,文档只能用于自身使用,不得用于其他商业用途(如 [转卖]进行直接盈利或[编辑后售卖]进行间接盈利)。
2、本站所有内容均由合作方或网友上传,本站不对文档的完整性、权威性及其观点立场正确性做任何保证或承诺!文档内容仅供研究参考,付费前请自行鉴别。
3、如文档内容存在违规,或者侵犯商业秘密、侵犯著作权等,请点击“违规举报”。

碎片内容

质检员岗位说明书

确认删除?
VIP
微信客服
  • 扫码咨询
会员Q群
  • 会员专属群点击这里加入QQ群
客服邮箱
回到顶部