电脑桌面
添加小米粒文库到电脑桌面
安装后可以在桌面快捷访问

某中型制造业技术部职责及人员编制说明书VIP免费

某中型制造业技术部职责及人员编制说明书_第1页
1/4
某中型制造业技术部职责及人员编制说明书_第2页
2/4
某中型制造业技术部职责及人员编制说明书_第3页
3/4
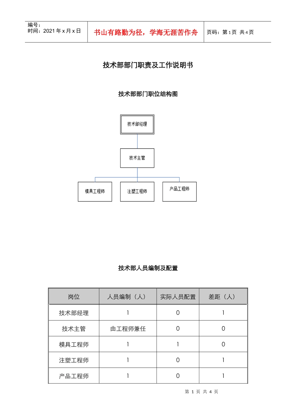
第1页共4页编号:时间:2021年x月x日书山有路勤为径,学海无涯苦作舟页码:第1页共4页技术部部门职责及工作说明书技术部部门职位结构图技术部人员编制及配置岗位人员编制(人)实际人员配置差距(人)技术部经理101技术主管由工程师兼任00模具工程师110注塑工程师101产品工程师101第2页共4页第1页共4页编号:时间:2021年x月x日书山有路勤为径,学海无涯苦作舟页码:第2页共4页合计413技术部部门职责一、制度的拟订与执行1.贯彻执行公司各项规章制度;2.拟订并执行技术部管理制度;3.拟订并执行新产品开发管理规章制度;二、工艺规程1.组织设计和完善生产工艺,制定工艺操作规程;2.制订生产作业指导书等技术文件;3.制订进料检验、过程检验及成品检验的技术标准;三、研发及技术进步1.研究开发及执行生产技术工艺;2.组织新产品的研究开发工作;3.组织实施新产品、新工艺试制大纲;第3页共4页第2页共4页编号:时间:2021年x月x日书山有路勤为径,学海无涯苦作舟页码:第3页共4页4.参与重大技术改造项目的论证及实施;5.参与对重大技术及质量难题进行的技术攻关;6.组织模具设计、采购、验收;7.组织实施对外技术交流与协作四、技术服务1.根据订单要求,组织编制技术方案、技术图纸等文件和资料;2.为生产现场提供技术指导服务,处理技术质量疑难问题;3.组织进行工装设计;4.参加质量事故分析会;5.协同处理售后服务质量问题;6.公司所有产品技术资料管理;五、数据处理1.设立与修改产品工时;2.设定与修改产品能耗及物料消耗的定量标准;3.新项目的产能设计;第4页共4页第3页共4页编号:时间:2021年x月x日书山有路勤为径,学海无涯苦作舟页码:第4页共4页六、部门管理1.明确本部门人员岗位责任和业绩目标;2.负责本部门人员的业绩面谈、考核与技能培训,促进人员与公司共同发展;3.编写工作计划和工作总结;4.工作例会和工作协调。

1、当您付费下载文档后,您只拥有了使用权限,并不意味着购买了版权,文档只能用于自身使用,不得用于其他商业用途(如 [转卖]进行直接盈利或[编辑后售卖]进行间接盈利)。
2、本站所有内容均由合作方或网友上传,本站不对文档的完整性、权威性及其观点立场正确性做任何保证或承诺!文档内容仅供研究参考,付费前请自行鉴别。
3、如文档内容存在违规,或者侵犯商业秘密、侵犯著作权等,请点击“违规举报”。

碎片内容

某中型制造业技术部职责及人员编制说明书

您可能关注的文档

确认删除?
VIP
微信客服
  • 扫码咨询
会员Q群
  • 会员专属群点击这里加入QQ群
客服邮箱
回到顶部