电脑桌面
添加小米粒文库到电脑桌面
安装后可以在桌面快捷访问

打磨主管岗位职责说明VIP免费

打磨主管岗位职责说明_第1页
1/4
打磨主管岗位职责说明_第2页
2/4
打磨主管岗位职责说明_第3页
3/4
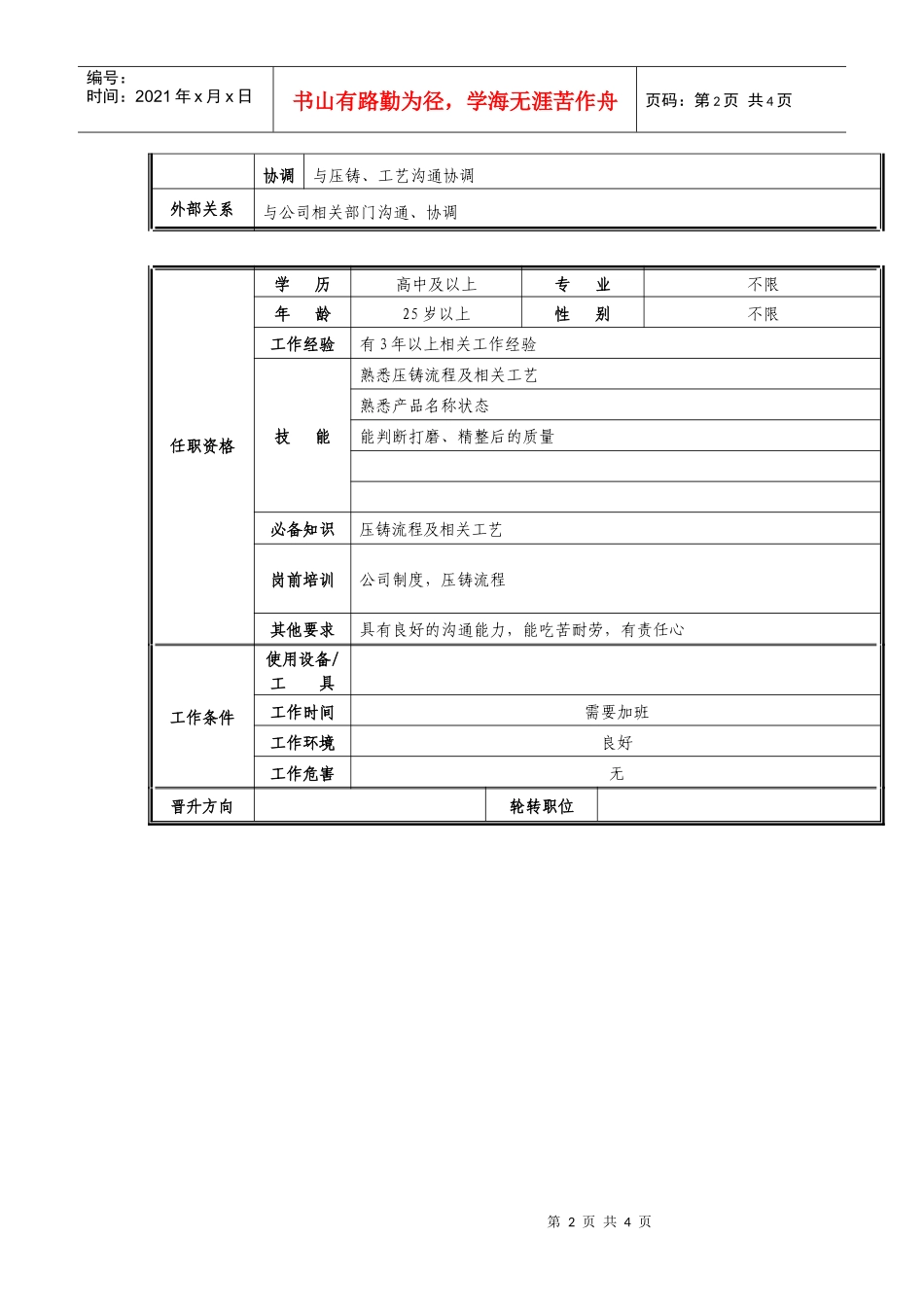
第1页共4页编号:时间:2021年x月x日书山有路勤为径,学海无涯苦作舟页码:第1页共4页打磨主管职位说明书基本情况职位名称打磨主管职位编号所属部门压铸车间直接上级职位编制职系管理直接下级所辖人数编制人彭晓明审核人职位概要负责打磨工、精整工的工作安排,负责产量统计,质量控制,协调员工之间的矛盾工作职责与工作任务:1、负责公司下达车间的生产任务和产品品种、规格、状态的要求布置2、负责编制班组的生产作业计划及填写有关记录3、负责审核各班组的投入产出计划和协作计划4、掌握生产中的在制品数量,控制现场产品质量,保质保量完成公司下达的生产任务5、负责建立现场质量控制考核制度6、负责每天召开班前会,向员工灌输安全、质量相关知识7、执行生产调度制度,做好生产安排8、负责检查各班组及个人的安全生产情况,组织均衡生产9、负责文明生产,建立正常的生产秩序10、负责设备、场地的清洁卫生,搞好公司推行的“6S”管理11、负责生产过程中物资的领用,控制物质不必要的浪费12、完成上级临时安排的其他工作工作职权对打磨工、精整工操作的监督、考核权工作协作关系:内部关系汇报不定期向上级汇报工作情况督导督促打磨工、精整工做好本职工作第2页共4页第1页共4页编号:时间:2021年x月x日书山有路勤为径,学海无涯苦作舟页码:第2页共4页协调与压铸、工艺沟通协调外部关系与公司相关部门沟通、协调任职资格学历高中及以上专业不限年龄25岁以上性别不限工作经验有3年以上相关工作经验技能熟悉压铸流程及相关工艺熟悉产品名称状态能判断打磨、精整后的质量必备知识压铸流程及相关工艺岗前培训公司制度,压铸流程其他要求具有良好的沟通能力,能吃苦耐劳,有责任心工作条件使用设备/工具工作时间需要加班工作环境良好工作危害无晋升方向轮转职位第3页共4页第2页共4页编号:时间:2021年x月x日书山有路勤为径,学海无涯苦作舟页码:第3页共4页职位说明书基本情况职位名称职位编号所属部门直接上级职位编制职系直接下级所辖人数编制人审核人职位概要为稳定、提高产品质量提供模具保证工作职责与工作任务:工作职权工作协作关系:内部关系汇报督导协调第4页共4页第3页共4页编号:时间:2021年x月x日书山有路勤为径,学海无涯苦作舟页码:第4页共4页外部关系任职资格学历专业年龄性别工作经验技能必备知识岗前培训其他要求工作条件使用设备/工具工作时间工作环境工作危害晋升方向轮转职位

1、当您付费下载文档后,您只拥有了使用权限,并不意味着购买了版权,文档只能用于自身使用,不得用于其他商业用途(如 [转卖]进行直接盈利或[编辑后售卖]进行间接盈利)。
2、本站所有内容均由合作方或网友上传,本站不对文档的完整性、权威性及其观点立场正确性做任何保证或承诺!文档内容仅供研究参考,付费前请自行鉴别。
3、如文档内容存在违规,或者侵犯商业秘密、侵犯著作权等,请点击“违规举报”。

碎片内容

打磨主管岗位职责说明

确认删除?
VIP
微信客服
  • 扫码咨询
会员Q群
  • 会员专属群点击这里加入QQ群
客服邮箱
回到顶部