电脑桌面
添加小米粒文库到电脑桌面
安装后可以在桌面快捷访问

隐蔽工程验收记录培训资料VIP免费

隐蔽工程验收记录培训资料_第1页
1/49
隐蔽工程验收记录培训资料_第2页
2/49
隐蔽工程验收记录培训资料_第3页
3/49
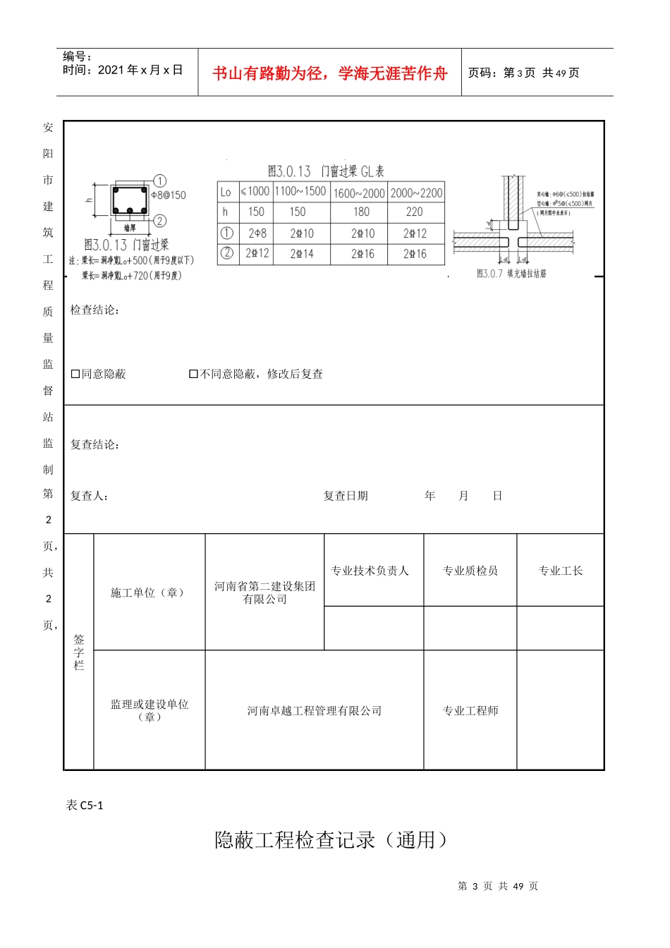
第1页共49页编号:时间:2021年x月x日书山有路勤为径,学海无涯苦作舟页码:第1页共49页表C5-1隐蔽工程检查记录(通用)第2页共49页第1页共49页编号:时间:2021年x月x日书山有路勤为径,学海无涯苦作舟页码:第2页共49页第1页,共2页,表C5-1(续)隐蔽工程检查记录(通用)工程名称X编号隐检项目砌体工程隐检日期年月日隐检部位一层1-9/A-J轴线±0.0m标高隐检依据:施工图号结构设计总说明、建筑设计总说明、,设计变更/洽商/技术核定单(编bian号/)及有关国家现行标准等。主要材料名称及规格/型号:钢筋HRB400级10、12、14、16HPB300级8、6。隐检内容:1、填充墙的砌筑,先砌筑墙体,后浇筑构造柱。2、所有墙体在相互连接及转角处,均通长设置26@500的墙身拉结筋,在与混凝土墙、柱连接处,采用植筋锚固或预留,见图3.0.7;3、当墙长<5m时,填充墙的顶部,在下部砌体砌筑7天左右后进行砌筑,采用实心砖斜向嵌实砌实,砂浆填满,当墙长不小于5m时,墙顶与梁板采用拉结加固,做法按照图集《砌体填充墙》06SG614-1中P21;4、180-200厚墙,当3.5m<墙高≤5.0m时,在墙高的中间部位、门窗洞顶处设置一道圈梁,见图3.a,同时当墙长>5m,中间又无横墙或柱拉结时,设置混凝土构造柱及角柱;5、墙身中的圈梁、在墙体相互连接处,其钢筋相互锚入LaE长,在与混凝土墙、柱连接处,其钢筋锚入混凝土墙、柱LaE长;6、所有墙的门、窗框二侧,有构造柱处例外,按图3.d用钢板网等加固,当门窗净宽≥1.5m时,两侧按3.c设置混凝土构造柱,当墙体上需设置门、窗顶过梁时,其尺寸配筋见3.0.13;7、厨房、厕浴间的隔墙,墙底部应按3.0.17做钢筋混凝土防潮坎台;8、窗台处,设置钢筋混凝土窗台梁,截面为b*200,配筋为412、8@200,端部伸入侧墙内400-500mm。第3页共49页第2页共49页编号:时间:2021年x月x日书山有路勤为径,学海无涯苦作舟页码:第3页共49页安阳市建筑工程质量监督站监制第2页,共2页,表C5-1隐蔽工程检查记录(通用)检查结论:□同意隐蔽□不同意隐蔽,修改后复查复查结论:复查人:复查日期年月日签字栏施工单位(章)河南省第二建设集团有限公司专业技术负责人专业质检员专业工长监理或建设单位(章)河南卓越工程管理有限公司专业工程师第4页共49页第3页共49页编号:时间:2021年x月x日书山有路勤为径,学海无涯苦作舟页码:第4页共49页第1页,共2页,表C5-1(续)隐蔽工程检查记录(通用)工程名称X编号隐检项目砌体工程隐检日期年月日隐检部位一层9-16/A-J轴线±0.0m标高隐检依据:施工图号结构设计总说明、建筑设计总说明、,设计变更/洽商/技术核定单(编bian号/)及有关国家现行标准等。主要材料名称及规格/型号:钢筋HRB400级10、12、14、16HPB300级8、6。隐检内容:1、填充墙的砌筑,先砌筑墙体,后浇筑构造柱。2、所有墙体在相互连接及转角处,均通长设置26@500的墙身拉结筋,在与混凝土墙、柱连接处,采用植筋锚固或预留,见图3.0.7;3、当墙长<5m时,填充墙的顶部,在下部砌体砌筑7天左右后进行砌筑,采用实心砖斜向嵌实砌实,砂浆填满,当墙长不小于5m时,墙顶与梁板采用拉结加固,做法按照图集《砌体填充墙》06SG614-1中P21;4、180-200厚墙,当3.5m<墙高≤5.0m时,在墙高的中间部位、门窗洞顶处设置一道圈梁,见图3.a,同时当墙长>5m,中间又无横墙或柱拉结时,设置混凝土构造柱及角柱;5、墙身中的圈梁、在墙体相互连接处,其钢筋相互锚入LaE长,在与混凝土墙、柱连接处,其钢筋锚入混凝土墙、柱LaE长;6、所有墙的门、窗框二侧,有构造柱处例外,按图3.d用钢板网等加固,当门窗净宽≥1.5m时,两侧按3.c设置混凝土构造柱,当墙体上需设置门、窗顶过梁时,其尺寸配筋见3.0.13;7、厨房、厕浴间的隔墙,墙底部应按3.0.17做钢筋混凝土防潮坎台;8、窗台处,设置钢筋混凝土窗台梁,截面为b*200,配筋为412、8@200,端部伸入侧墙内400-500mm。第5页共49页第4页共49页编号:时间:2021年x月x日书山有路勤为径,学海无涯苦作舟页码:第5页共49页安阳市建筑工程质量监督站监制第2页,共2页,表C5-1检查结论:□同意隐蔽□不同意隐蔽...

1、当您付费下载文档后,您只拥有了使用权限,并不意味着购买了版权,文档只能用于自身使用,不得用于其他商业用途(如 [转卖]进行直接盈利或[编辑后售卖]进行间接盈利)。
2、本站所有内容均由合作方或网友上传,本站不对文档的完整性、权威性及其观点立场正确性做任何保证或承诺!文档内容仅供研究参考,付费前请自行鉴别。
3、如文档内容存在违规,或者侵犯商业秘密、侵犯著作权等,请点击“违规举报”。

碎片内容

隐蔽工程验收记录培训资料

确认删除?
VIP
微信客服
  • 扫码咨询
会员Q群
  • 会员专属群点击这里加入QQ群
客服邮箱
回到顶部