电脑桌面
添加小米粒文库到电脑桌面
安装后可以在桌面快捷访问

排污费征收标准及计算方法doc-排污费征收标准及计算方法VIP免费

排污费征收标准及计算方法doc-排污费征收标准及计算方法_第1页
1/4
排污费征收标准及计算方法doc-排污费征收标准及计算方法_第2页
2/4
排污费征收标准及计算方法doc-排污费征收标准及计算方法_第3页
3/4
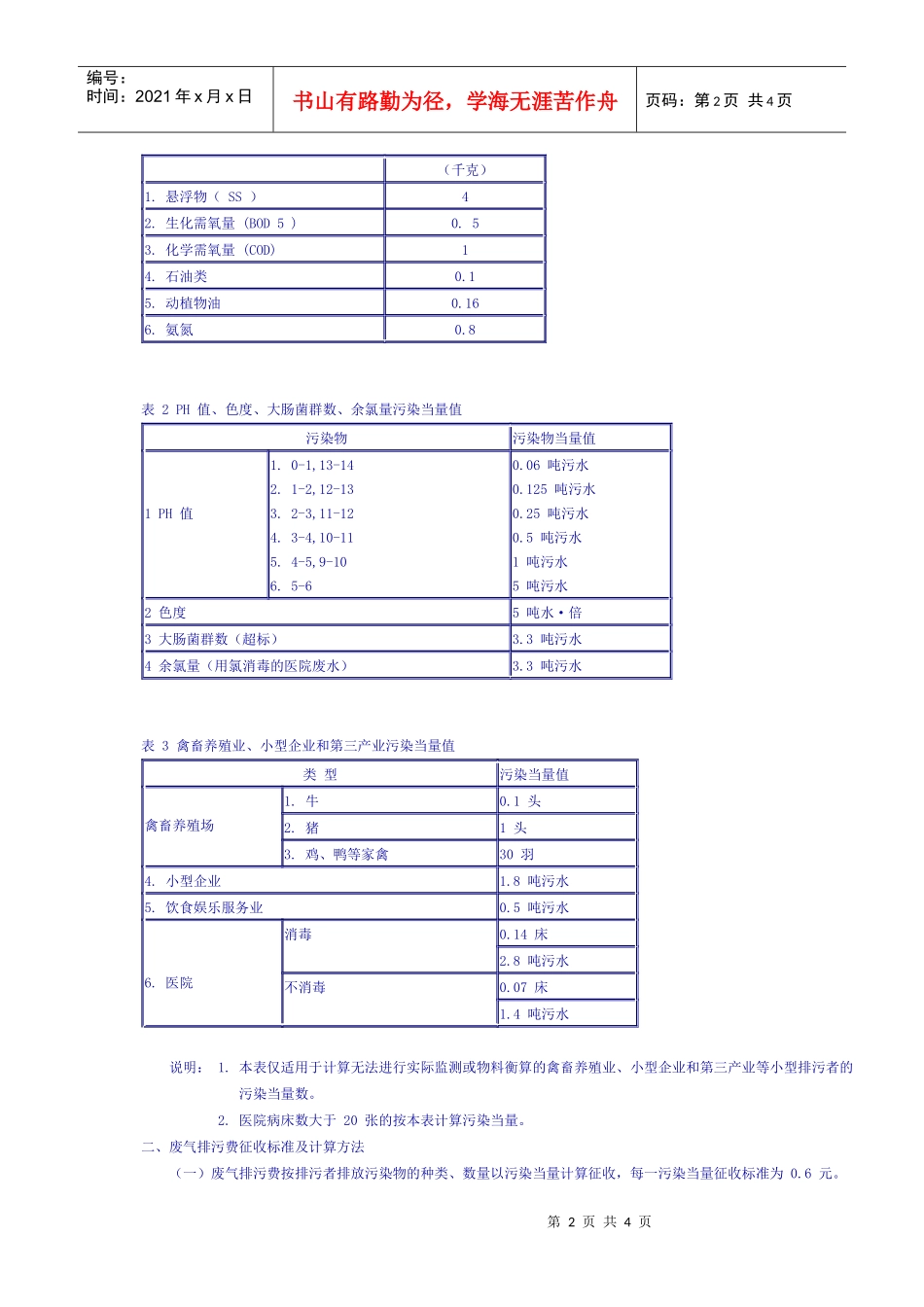
第1页共4页编号:时间:2021年x月x日书山有路勤为径,学海无涯苦作舟页码:第1页共4页排污费征收标准及计算方法一、污水排污费征收标准及计算方法(一)污水排污费按排污者排放污染物的种类、数量以污染当量计征,每一污染当量征收标准为0.7元。(二)对每一排放口征收污水排污费的污染物种类数,以污染当量数从多到少的顺序,最多不超过3项。其中,超过国家或地方规定的污染物排放标准的,按照排放污染物的种类、数量和本办法规定的收费标准计征污水排污费的收费额加一倍征收超标准排污费。(三)水污染物污染当量数计算1、一般污染物的污染当量数计算该污染物的排放量(千克)该污染物的污染当量值(千克)部分一般污染物的污染当量值见表1。2、PH值、大肠菌群数、余氯量的污染当量数计算某污染物的污染当量数=排放污水量(吨)该污染物的污染当量值(吨)某污染物的污染当量数=3、色度的污染当量数计算污水排放量(吨)×色度超标倍数色度的污染当量数=色度的污染当量值(吨·倍)PH值、色度、大肠菌群数、余氯量的污染当量值见表2。PH值、色度、大肠菌群数、余氯量不加倍收费。4、禽畜养殖业、小型企业和第三产业的污染当量数计算污水排放特征值污染当量数=污染当量值禽畜养殖业、小型企业和第三产业的污染当量值见表3。(四)排污费收费1、污水排污费收费额=0.7元×前3项污染物的污染当量数之和。2、对超过国家或者地方规定排放标准的污染物,应在该种污染物排污费收费额基础上加1倍征收超标准排污费。表1部分水污染物污染当量值污染物污染物当量值第2页共4页第1页共4页编号:时间:2021年x月x日书山有路勤为径,学海无涯苦作舟页码:第2页共4页(千克)1.悬浮物(SS)42.生化需氧量(BOD5)0.53.化学需氧量(COD)14.石油类0.15.动植物油0.166.氨氮0.8表2PH值、色度、大肠菌群数、余氯量污染当量值污染物污染物当量值1PH值1.0-1,13-142.1-2,12-133.2-3,11-124.3-4,10-115.4-5,9-106.5-60.06吨污水0.125吨污水0.25吨污水0.5吨污水1吨污水5吨污水2色度5吨水·倍3大肠菌群数(超标)3.3吨污水4余氯量(用氯消毒的医院废水)3.3吨污水表3禽畜养殖业、小型企业和第三产业污染当量值类型污染当量值禽畜养殖场1.牛0.1头2.猪1头3.鸡、鸭等家禽30羽4.小型企业1.8吨污水5.饮食娱乐服务业0.5吨污水6.医院消毒0.14床2.8吨污水不消毒0.07床1.4吨污水说明:1.本表仅适用于计算无法进行实际监测或物料衡算的禽畜养殖业、小型企业和第三产业等小型排污者的污染当量数。2.医院病床数大于20张的按本表计算污染当量。二、废气排污费征收标准及计算方法(一)废气排污费按排污者排放污染物的种类、数量以污染当量计算征收,每一污染当量征收标准为0.6元。第3页共4页第2页共4页编号:时间:2021年x月x日书山有路勤为径,学海无涯苦作舟页码:第3页共4页其中,二氧化硫排污费,第一年每一污染当量征收标准为0.2元,第二年(2004年7月1日起)每一污染当量征收标准为0.4元,第三年(2005年7月1日起)达到与其它大气污染物相同的征收标准,即每一污染当量征收标准为0.6元。氮氧化物在2004年7月1日前不收费,2004年7月1日起按每一污染当量0.6元收费。(二)对每一排放口征收废气排污费的污染物种类数,以污染当量数从多到少的顺序,最多不超过3项。(三)大气污染物污染当量数计算该污染物的排放量(千克)该污染物的污染当量值(千克)某污染物的污染当量数=部分大气污染物污染当量值见表4(四)排污费计算废气排污费征收额=0.6元×前3项污染物的污染当量数之和。表4部分大气污染物污染当量值污染物污染当量值(千克)1.二氧化硫0.952.氮氧化物0.953.一氧化碳16.74.一般性粉尘45.烟尘2.18(六)对难以监测的烟尘,可按林格曼黑度征收排污费。每吨燃料的征收标准为:1级1元、2级3元、3级5元、4级10元、5级20元。三、固体废物及危险废物排污费征收标准(一)对无专用贮存或处置设施和专用贮存或处置设施达不到环境保护标准(即无防渗漏、防扬散、防流失设施)排放的工业固体废物,一次性征收固体废物排污费。每吨固体废物的征收标准为:冶炼渣25元、粉煤灰30元、炉渣25元、煤矸石5元、尾矿15元、其它渣(...

1、当您付费下载文档后,您只拥有了使用权限,并不意味着购买了版权,文档只能用于自身使用,不得用于其他商业用途(如 [转卖]进行直接盈利或[编辑后售卖]进行间接盈利)。
2、本站所有内容均由合作方或网友上传,本站不对文档的完整性、权威性及其观点立场正确性做任何保证或承诺!文档内容仅供研究参考,付费前请自行鉴别。
3、如文档内容存在违规,或者侵犯商业秘密、侵犯著作权等,请点击“违规举报”。

碎片内容

排污费征收标准及计算方法doc-排污费征收标准及计算方法

确认删除?
VIP
微信客服
  • 扫码咨询
会员Q群
  • 会员专属群点击这里加入QQ群
客服邮箱
回到顶部