电脑桌面
添加小米粒文库到电脑桌面
安装后可以在桌面快捷访问

物业管理绩效考核表VIP免费

物业管理绩效考核表_第1页
1/54
物业管理绩效考核表_第2页
2/54
物业管理绩效考核表_第3页
3/54
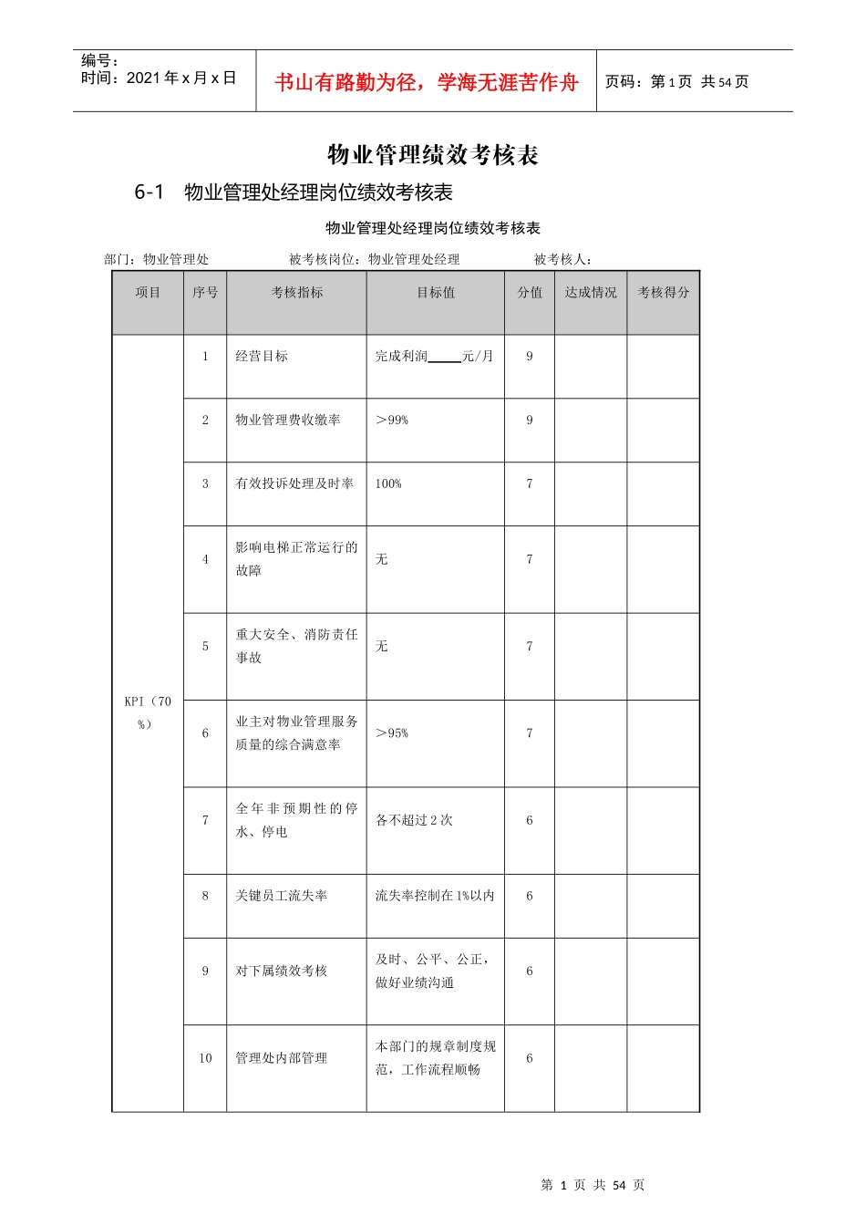
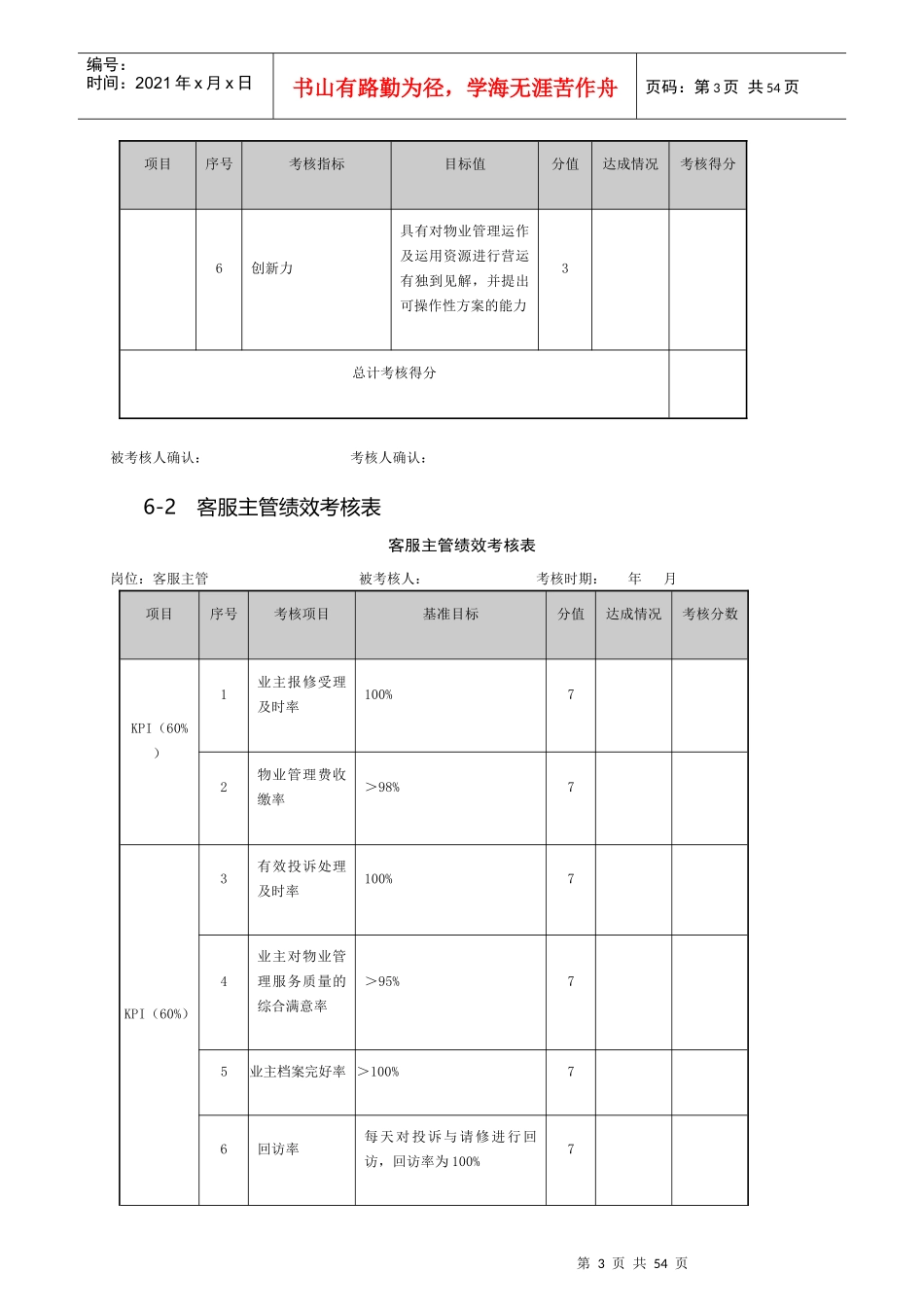
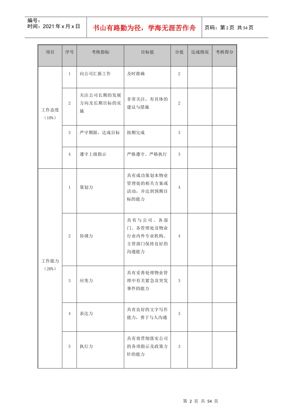
第1页共54页编号:时间:2021年x月x日书山有路勤为径,学海无涯苦作舟页码:第1页共54页物业管理绩效考核表6-1物业管理处经理岗位绩效考核表物业管理处经理岗位绩效考核表部门:物业管理处被考核岗位:物业管理处经理被考核人:项目序号考核指标目标值分值达成情况考核得分KPI(70%)1经营目标完成利润元/月92物业管理费收缴率>99%93有效投诉处理及时率100%74影响电梯正常运行的故障无75重大安全、消防责任事故无76业主对物业管理服务质量的综合满意率>95%77全年非预期性的停水、停电各不超过2次68关键员工流失率流失率控制在1%以内69对下属绩效考核及时、公平、公正,做好业绩沟通610管理处内部管理本部门的规章制度规范,工作流程顺畅6第2页共54页第1页共54页编号:时间:2021年x月x日书山有路勤为径,学海无涯苦作舟页码:第2页共54页项目序号考核指标目标值分值达成情况考核得分工作态度(10%)1向公司汇报工作及时准确22关注公司长期的发展方向及长期目标的实施非常关注,有具体的建议与措施23严守期限,达成目标按期完成34遵守上级指示严格遵守、严格执行3工作能力(20%)1策划力具有成功策划本物业管理处的相关方案或活动,并达到预期目标的能力42协调力具有与公司、各部门、各管理处及物业行业内外专业机构、主管部门保持良好的沟通能力43应变力具有妥善处理物业管理中有关紧急及突发事件的能力34表达力具有良好的文字写作能力,善于与人沟通35执行力具有效贯彻落实公司的各项指示及政策方针的能力3第3页共54页第2页共54页编号:时间:2021年x月x日书山有路勤为径,学海无涯苦作舟页码:第3页共54页项目序号考核指标目标值分值达成情况考核得分6创新力具有对物业管理运作及运用资源进行营运有独到见解,并提出可操作性方案的能力3总计考核得分被考核人确认:考核人确认:6-2客服主管绩效考核表客服主管绩效考核表岗位:客服主管被考核人:考核时期:年月项目序号考核项目基准目标分值达成情况考核分数KPI(60%)1业主报修受理及时率100%72物业管理费收缴率>98%7KPI(60%)3有效投诉处理及时率100%74业主对物业管理服务质量的综合满意率>95%75业主档案完好率>100%76回访率每天对投诉与请修进行回访,回访率为100%7第4页共54页第3页共54页编号:时间:2021年x月x日书山有路勤为径,学海无涯苦作舟页码:第4页共54页项目序号考核项目基准目标分值达成情况考核分数7员工培训完成率100%68营造社区文化氛围每年至少举办6次文化活动,业主、住户能积极响应,反应良好69与业主、业主委员会的关系关系良好,纠纷<2次/年6工作态度(15%)1客户服务意识能以客户服务为己任,始终被客户所信任52表率性以身作则,从严要求自己,起到模范及表率作用43敬业精神热爱本职工作并全身心投入,为实现公司目标而不懈努力34团队精神除完成自己的本职工作,还能不计较个人得失,积极协助其他部门和同事共同达成工作目标。能与下属共同营造有效工作的团队3工作能力(25%)1策划力具有成功策划本部门职责范围内相关方案或活动,并达到预期目标的能力52培训能力总是能给予下属必要的培训和指导53应急处理能力处理突发事件沉着冷静、符合法律规定,获得业户满意5第5页共54页第4页共54页编号:时间:2021年x月x日书山有路勤为径,学海无涯苦作舟页码:第5页共54页项目序号考核项目基准目标分值达成情况考核分数工作能力(25%)4问题解决能力善于总结,灵活应变,及时解决问题55协作对部门或他人的工作请求从无怨言、牢骚、畏难5加分项1.解决业主困难受到业主表扬3分/次2.处理突发事件受到业主好评5分/次3.本人受奖5分/次,班组奖励3分/次总计考核得分被考核人确认:考核人确认:6-3工程主管绩效考核表工程主管绩效考核表岗位:工程主管被考核人:考核时期:年月项目序号考核项目基准目标分值达成情况考核分数KPI(60%)1业主对工程服务、设备保养综合满意率>98%72有效报修处理及时率100%,无因服务态度引起的投诉73维修返修率≤1%7第6页共54页第5页共54页编号:时间:2021年x月x日书山有路勤为径,学海无涯苦作舟页码:第6页共54页项目序号考核项目基准目标分值达成情况考核分数4设备设施保养计...

1、当您付费下载文档后,您只拥有了使用权限,并不意味着购买了版权,文档只能用于自身使用,不得用于其他商业用途(如 [转卖]进行直接盈利或[编辑后售卖]进行间接盈利)。
2、本站所有内容均由合作方或网友上传,本站不对文档的完整性、权威性及其观点立场正确性做任何保证或承诺!文档内容仅供研究参考,付费前请自行鉴别。
3、如文档内容存在违规,或者侵犯商业秘密、侵犯著作权等,请点击“违规举报”。

碎片内容

物业管理绩效考核表

精品中小学文档+ 关注
实名认证
内容提供者

精品资料,值得下载

确认删除?
VIP
微信客服
  • 扫码咨询
会员Q群
  • 会员专属群点击这里加入QQ群
客服邮箱
回到顶部