电脑桌面
添加小米粒文库到电脑桌面
安装后可以在桌面快捷访问

组装工岗位说明书VIP免费

组装工岗位说明书_第1页
1/2
组装工岗位说明书_第2页
2/2
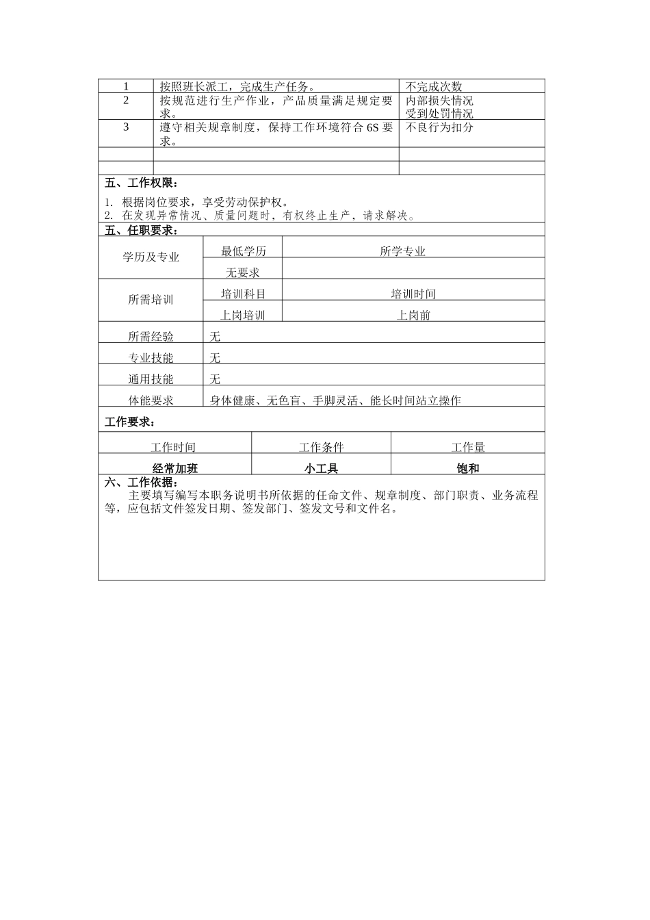
焊锡工测试工包装工装配工组装工职位说明书一、基本信息:职位名称:组装工所属部门:总装车间拟定人签名:上级部门主管审批:所属职类职种:直接上级:组装/装配班班长定员人数:64~130人审核人签字:生效日期:二、职位目的:根据班长派工及工艺、质量要求按时、保质、保量完成生产任务。三、工作关系(内部)工作关系(外部):无工作关系(职位范围):请列出与该职位工作范围与程度有关的资料,比如下属数目、直接控制的预算额,与直接负责或做出建议的开支项目。所在部门总人数:15~30人该职位直接下属人数:/间接下属人数:/下属员工的种类:直接控制的预算额:/其他指标:/四、主要应负责任:请描述该职位4-8相应负责任,包括主要活动和要达到的结果,每一应负责任请依其重要性排列,从(1)开始,(1)代表最重要。衡量标准可以是数量、质量、成本、时间、人员反映等等,应尽可能客观、量化,数据易采集。重要性应负责任衡量标准组装/装配组班长(该职位名称)组装工(同僚职位名称)直接下属职位名称和人数(上级职位名称)1按照班长派工,完成生产任务。不完成次数2按规范进行生产作业,产品质量满足规定要求。内部损失情况受到处罚情况3遵守相关规章制度,保持工作环境符合6S要求。不良行为扣分五、工作权限:1.根据岗位要求,享受劳动保护权。2.在发现异常情况、质量问题时,有权终止生产,请求解决。五、任职要求:学历及专业最低学历所学专业无要求所需培训培训科目培训时间上岗培训上岗前所需经验无专业技能无通用技能无体能要求身体健康、无色盲、手脚灵活、能长时间站立操作工作要求:工作时间工作条件工作量经常加班小工具饱和六、工作依据:主要填写编写本职务说明书所依据的任命文件、规章制度、部门职责、业务流程等,应包括文件签发日期、签发部门、签发文号和文件名。

1、当您付费下载文档后,您只拥有了使用权限,并不意味着购买了版权,文档只能用于自身使用,不得用于其他商业用途(如 [转卖]进行直接盈利或[编辑后售卖]进行间接盈利)。
2、本站所有内容均由合作方或网友上传,本站不对文档的完整性、权威性及其观点立场正确性做任何保证或承诺!文档内容仅供研究参考,付费前请自行鉴别。
3、如文档内容存在违规,或者侵犯商业秘密、侵犯著作权等,请点击“违规举报”。

碎片内容

组装工岗位说明书

精品中小学文档+ 关注
实名认证
内容提供者

精品资料,值得下载

确认删除?
VIP
微信客服
  • 扫码咨询
会员Q群
  • 会员专属群点击这里加入QQ群
客服邮箱
回到顶部