电脑桌面
添加小米粒文库到电脑桌面
安装后可以在桌面快捷访问

质量监督部岗位说明书VIP免费

质量监督部岗位说明书_第1页
1/7
质量监督部岗位说明书_第2页
2/7
质量监督部岗位说明书_第3页
3/7
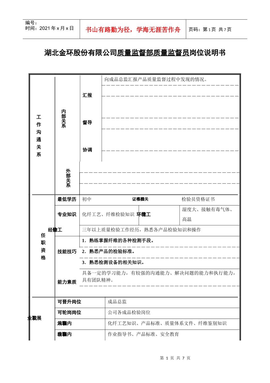
第1页共7页编号:时间:2021年x月x日书山有路勤为径,学海无涯苦作舟页码:第1页共7页湖北金环股份有限公司质量监督部质量监督员岗位说明书工作沟通关系内部关系汇报向成品总监汇报产品质量监督过程中发现的情况。督导协调外部关系任职资格最低学历初中相关资格证书检验员资格证书专业知识化纤工艺、纤维检验知识工作环境湿度大、接触有毒气体、高温工作经验三年以上质量检验工作经历,熟悉各产品检验知识和操作技能技巧1.熟练掌握纤维的各种检测手段。2.熟悉产品的检验标准。3.熟悉检测设备的相关知识。能力素质具备一定的学习能力,有较强的沟通能力、解决问题的能力和执行能力,具有团队精神。职业发展可晋升岗位成品总监可轮岗岗位公司各成品检验岗位入职培训内容化纤工艺知识、产品标准、质量体系文件、纤维鉴别知识在职培训内容作业指导书、产品标准、安全教育第2页共7页第1页共7页编号:时间:2021年x月x日书山有路勤为径,学海无涯苦作舟页码:第2页共7页修订履历修订时间修订内容修订者审核者审批者湖北金环股份有限公司质量监督部贯标专员岗位说明书基本情况岗位名称贯标专员岗位编号所属部门质量监督部直接上级部长所属系列专员所属岗序十岗岗位设置目的建立、实施质量管理体系,对各单位质量管理工作监督、指导、协调,实现标准化操作,不断改进,确保质量管理体系有效运行,最终达到顾客满意。核心工作职责和内容工作衡量标准1.协助管理者代表、部长进行公司质量管理体系策划,组织编制公司质量手册、程序文件并对各单位体系文件编写进行指导,对体系文件执行情况进行监督、检查;负责公司质量管理体系文件的管理。合理性、适宜性、有效性2.负责公司年度质量目标的分解,对各单位目标分解及实现情况检查监督、考核。有效性,适宜性,可测量性3.负责先进质量管理方法的引入、推广、运用和指导;指导各单位运用统计图表进行技术分析。适宜性、有效性4.策划、组织公司内部质量管理体系审核,负责不合格项整改的跟踪验证;负责认证工作的对外联络,安排认证审核工作的具体事宜,对外审的不符合项进行跟踪验证。合理性、有效性5.协助公司推进“5S”管理方案的策划,方案实施的推广,监督、检查和考核,上报人力资源部和有关领导。有效性6.协助准备管理评审资料,并负责编写评审报告,跟踪改进措施的实施,并上报。及时性、有效性辅助性工作内容考核标准1.负责质量月报的审核;配合人力资源部进行检验员培训工作。及时、准确性2.负责本组的考勤工作和组长不在时的管理工作;完成部长和公司领导交办的工作任务。及时性、有效性、满意主要职权业务类1.对公司质量管理工作改进有建议权;对公司质量检验和监督工作的改进有建议权。2.对各单位质量管理情况有监督权、考核权。费用审批类人事类第3页共7页第2页共7页编号:时间:2021年x月x日书山有路勤为径,学海无涯苦作舟页码:第3页共7页工作沟通关系内部关系汇报向部长、管理者代表汇报体系运行情况;“5S”管理执行情况外部在质量管理方面的先进方法和经验及改进建议督导监督体系运行情况,对各单位质量管理工作、现场文件执行情况进行监督检查。对各单位统计技术推广和运用进行指导。检查各单位“5S”管理情况。对不合格项的整改过程进行监督、验证。协调协调部门之间在质量管理工作接口上存在的问题部门与生产厂之间在质量管理方面发生问题时的协调。外部关系1.负责与中质协质量保证中心联络认证事宜。2.负责与市、省质量技术监督部门联系质量管理工作。任职资格最低学历大专相关资格证书国家注册审核员、内审员专业知识熟悉9000标准及相关知识、质量管理相关知识工作环境室内、室外工作经验具有五年以上质量管理工作经历,熟悉认证工作,掌握较全面的质量管理知识,具有三年以上内审员审核经历。技能技巧熟悉9000标准,熟悉认证工作具有内审员资格,熟悉质量管理工具熟悉化纤生产工艺、设备管理和检验方法。能力素质具有较好的协调和沟通能力,计划和解决问题的能力,具有一定的分析能力组织能力、学习能力和开拓能力,具有团队精神。职业发展可晋升岗位高级专员、检验部门负责人可轮岗岗位成品总监入职培训...

1、当您付费下载文档后,您只拥有了使用权限,并不意味着购买了版权,文档只能用于自身使用,不得用于其他商业用途(如 [转卖]进行直接盈利或[编辑后售卖]进行间接盈利)。
2、本站所有内容均由合作方或网友上传,本站不对文档的完整性、权威性及其观点立场正确性做任何保证或承诺!文档内容仅供研究参考,付费前请自行鉴别。
3、如文档内容存在违规,或者侵犯商业秘密、侵犯著作权等,请点击“违规举报”。

碎片内容

质量监督部岗位说明书

您可能关注的文档

确认删除?
VIP
微信客服
  • 扫码咨询
会员Q群
  • 会员专属群点击这里加入QQ群
客服邮箱
回到顶部