电脑桌面
添加小米粒文库到电脑桌面
安装后可以在桌面快捷访问

生产部岗位职责及任职要求VIP免费

生产部岗位职责及任职要求_第1页
1/5
生产部岗位职责及任职要求_第2页
2/5
生产部岗位职责及任职要求_第3页
3/5
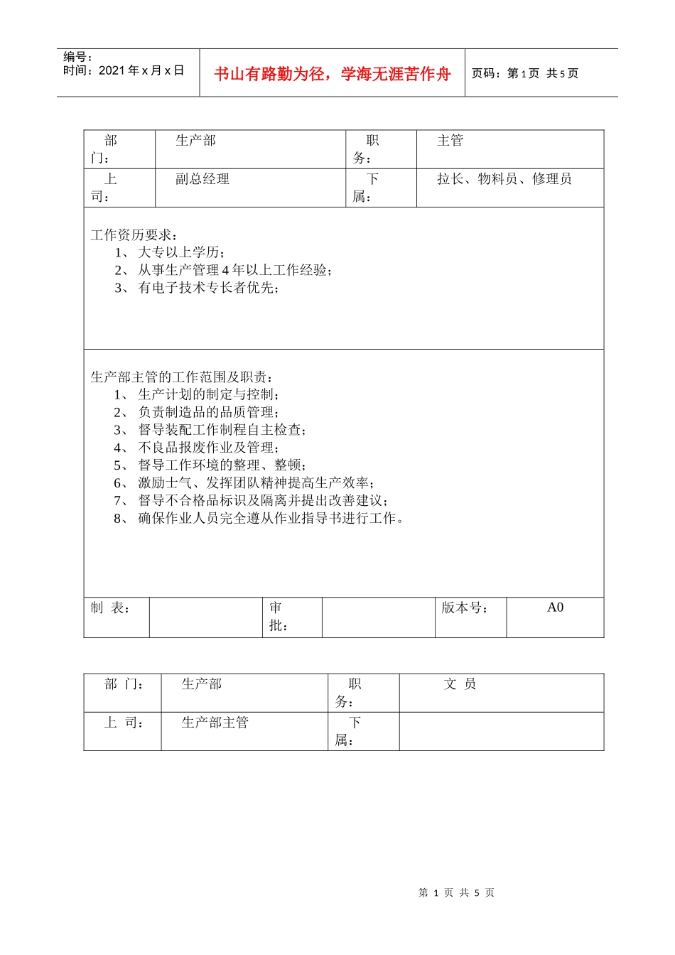
第1页共5页编号:时间:2021年x月x日书山有路勤为径,学海无涯苦作舟页码:第1页共5页部门:生产部职务:主管上司:副总经理下属:拉长、物料员、修理员工作资历要求:1、大专以上学历;2、从事生产管理4年以上工作经验;3、有电子技术专长者优先;生产部主管的工作范围及职责:1、生产计划的制定与控制;2、负责制造品的品质管理;3、督导装配工作制程自主检查;4、不良品报废作业及管理;5、督导工作环境的整理、整顿;6、激励士气、发挥团队精神提高生产效率;7、督导不合格品标识及隔离并提出改善建议;8、确保作业人员完全遵从作业指导书进行工作。制表:审批:版本号:A0部门:生产部职务:文员上司:生产部主管下属:第2页共5页第1页共5页编号:时间:2021年x月x日书山有路勤为径,学海无涯苦作舟页码:第2页共5页工作资历要求:1、高中以上学历;2、两年以上同等工厂经验;3、熟悉使用办公软件。生产部文员的工作范围及职责:1、依照业务下达《制造工令单》制做《生产作业计划》;2、劳动定额管理、考核、核算;3、对生产第一线员工进行劳动工资管理、生产统计;4、工厂文明生产、劳动纪律管理;5、生产车间一单一结对帐表编辑打印;6、会议记录、文件打印、厂部办公事务;7、处理安排上级领导交待的其它事宜。制表:审批:版本号:A0部门:生产部职务:拉长上司:生产部主管下属:工作资历要求:1、高中以上学历;2、从事相关工作2年以上;3、有电子技术专长者优先。第3页共5页第2页共5页编号:时间:2021年x月x日书山有路勤为径,学海无涯苦作舟页码:第3页共5页生产部拉长工作范围及职责:1、依生产作业计划组织物料;2、确保作业人员按作业指导书操作;3、严格要求作业人员自主检查;4、负责本线品质管理;5、严格要求QC按测试指导作业,并记录好;6、作好不良品标识及隔离;7、调动工人积极性,提高生产效率;8、负责该线文明生产及环境卫生;9、努力完成好领导交办的其它事项。制表:审批:版本号:A0部门:生产部职务:修理员上司:生产部主管下属:工作资历要求:1、高中以上学历;2、有相关工作经验1年以上;3、懂电子技术或电子专业优先。第4页共5页第3页共5页编号:时间:2021年x月x日书山有路勤为径,学海无涯苦作舟页码:第4页共5页生产部修理员的工作范围及职责:1、负责公司产品不良品的维修;2、异常状况,及时反馈;3、负责报废品分析及标识;4、作好维修记录、统计;5、配合车间物料员做好物料一单一结工作;6、负责本线文明生产及环境卫生;7、调动工人积极性,持续提高修理技能。制表:审批:版本号:A0部门:生产部职务:物料管理员上司:生产部主管下属:工作资历要求:1、高中学历,有较强的计划、计帐能力和数字意识。2、做事有条理、善于整理物品,相关电子厂一年以上工作经验。3、头脑清晰,讲办事效率。4、工作责任心强,爱护公司的财产,思想品质好。第5页共5页第4页共5页编号:时间:2021年x月x日书山有路勤为径,学海无涯苦作舟页码:第5页共5页生产部物料管理员的工作范围及职责:1.按生产作业计划打印限额发料表并对其进行跟踪;2.物料及样品跟踪;3.生产日报表的填写;4.按时完成一单一结草表与其工时统计;5.协调车间主任组织生产;6.监督各拉物料的领、退工作,严格超额超标物料的考核;7.协调车间主管组织生产,协调车间物品摆放,合格成品入库以及业务所需相关资料的填写;8.加强生产订单易耗损辅料的计划与控制;9.根据业务订单资料对各单成品装箱编写进行安排;10.完成领导交办的其它事项。制表:审批:版本号:A0

1、当您付费下载文档后,您只拥有了使用权限,并不意味着购买了版权,文档只能用于自身使用,不得用于其他商业用途(如 [转卖]进行直接盈利或[编辑后售卖]进行间接盈利)。
2、本站所有内容均由合作方或网友上传,本站不对文档的完整性、权威性及其观点立场正确性做任何保证或承诺!文档内容仅供研究参考,付费前请自行鉴别。
3、如文档内容存在违规,或者侵犯商业秘密、侵犯著作权等,请点击“违规举报”。

碎片内容

生产部岗位职责及任职要求

您可能关注的文档

确认删除?
VIP
微信客服
  • 扫码咨询
会员Q群
  • 会员专属群点击这里加入QQ群
客服邮箱
回到顶部