电脑桌面
添加小米粒文库到电脑桌面
安装后可以在桌面快捷访问

项目经理部考核工资分配实施方案VIP免费

项目经理部考核工资分配实施方案_第1页
1/30
项目经理部考核工资分配实施方案_第2页
2/30
项目经理部考核工资分配实施方案_第3页
3/30
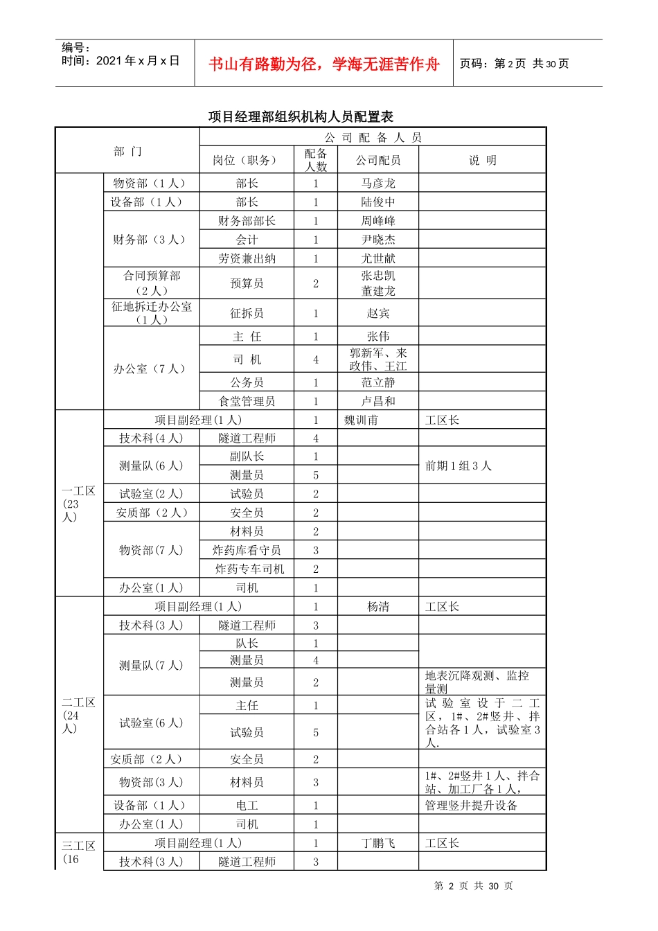
第1页共30页编号:时间:2021年x月x日书山有路勤为径,学海无涯苦作舟页码:第1页共30页宝兰项目经理部考核工资分配实施方案为改进和完善工程项目管理,推进薪酬分配制度改革,充分调动员工的积极性,现根据公司《工程项目部工资总额包干分配暂行办法》,结合本项目部实际,制定本实施方案。一、包干原则及范围1、包干原则根据公司工资总额包干的总体要求,按照“工资分配与项目工期、合同金额、当期产值、绩效贡献挂钩”的原则组织分配,实行工期、工资总额包干,增人不增资,减人不减资,延长工期不增资,缩短工期不减资,上不封顶,下不保底的项目薪酬分配机制。2、包干范围①施工产值::项目合同金额112262万元,采取工序分离、工费承包的管理模式组织施工。②合同工期:本标段计划总工期59个月。计划开工日期:20一三年2月1日,计划竣工日期:2017年12月31日,土建工期37.25月。同时满足2016年12月6日铺轨开始,2016年12月14日铺轨结束的节点工期要求。3、项目部组织机构设置由公司组建“中铁十二局集团有限公司宝兰客专四标项目部”,我公司和四公司各成立一个分部施工,我公司(一分部)代表局指全面负责对外工作。我公司根据隧道结构划分为四个工区,按照精干高效的原则成立项目管理机构和配置人员。项目经理部组织机构人员配置表部门公司配备人员岗位(职务)配备人数公司配员说明项目部(25人)领导(12人)项目经理1宋振军项目书记1李立国常务副经理1刘安民项目总工1吕亚杰总经济师1孔德强财务总监1何长江安全总监1冯文峰甘青公司助勤5工程技术部(4人)部长1姜文涛调度1资料员2安全质量环保部(1人)部长1董志方第2页共30页第1页共30页编号:时间:2021年x月x日书山有路勤为径,学海无涯苦作舟页码:第2页共30页项目经理部组织机构人员配置表部门公司配备人员岗位(职务)配备人数公司配员说明物资部(1人)部长1马彦龙设备部(1人)部长1陆俊中财务部(3人)财务部部长1周峰峰会计1尹晓杰劳资兼出纳1尤世献合同预算部(2人)预算员2张忠凯董建龙征地拆迁办公室(1人)征拆员1赵宾办公室(7人)主任1张伟司机4郭新军、来政伟、王江公务员1范立静食堂管理员1卢昌和一工区(23人)项目副经理(1人)1魏训甫工区长技术科(4人)隧道工程师4测量队(6人)副队长1前期1组3人测量员5试验室(2人)试验员2安质部(2人)安全员2物资部(7人)材料员2炸药库看守员3炸药专车司机2办公室(1人)司机1二工区(24人)项目副经理(1人)1杨清工区长技术科(3人)隧道工程师3测量队(7人)队长1测量员4测量员2地表沉降观测、监控量测试验室(6人)主任1试验室设于二工区,1#、2#竖井、拌合站各1人,试验室3人.试验员5安质部(2人)安全员2物资部(3人)材料员31#、2#竖井1人、拌合站、加工厂各1人,设备部(1人)电工1管理竖井提升设备办公室(1人)司机1三工区(16项目副经理(1人)1丁鹏飞工区长技术科(3人)隧道工程师3第3页共30页第2页共30页编号:时间:2021年x月x日书山有路勤为径,学海无涯苦作舟页码:第3页共30页项目经理部组织机构人员配置表部门公司配备人员岗位(职务)配备人数公司配员说明人)测量队(6人)副队长1前期1组3人测量员5试验室(2人)试验员2安质部(2人)安全员2物资部(1人)材料员1办公室(1人)司机1四工区(一八人)项目副经理(1人)1郭彦彦工区长技术科(3人)隧道工程师3测量队(4人)副队长1测量员3试验室(2人)副主任1试验员1安质部(2人)安全员2物资部(5人)材料员2负责拌合站、加工厂炸药库看守员3办公室(1人)司机1合计106说明:1、食堂厨司根据需要招聘,按非全日制用工处理。2、劳人部测算前工资按职工人数及考勤测算,后期按上场会议纪要测算。公司配置106人。加之集团公司通知在甘青公司助勤的5人有我部负担工资,共计110人。4、工资总额含量系数。考核工资按1200元/人月计算,项目标准人数110人,合同总价112262万元,合同工期为59个月。工资含量系数=基本工资/人月×标准人数×合同工期÷合同总价=1200×110×59÷1122619886元=7‰执行工资含量系数:7‰7、考核工资总额。根据合同总价及执行工资含量系数确定:考核工资总额=合同总价×执行工资含量系数=1122619886万元×7‰=7858339元二、内部...

1、当您付费下载文档后,您只拥有了使用权限,并不意味着购买了版权,文档只能用于自身使用,不得用于其他商业用途(如 [转卖]进行直接盈利或[编辑后售卖]进行间接盈利)。
2、本站所有内容均由合作方或网友上传,本站不对文档的完整性、权威性及其观点立场正确性做任何保证或承诺!文档内容仅供研究参考,付费前请自行鉴别。
3、如文档内容存在违规,或者侵犯商业秘密、侵犯著作权等,请点击“违规举报”。

碎片内容

项目经理部考核工资分配实施方案

确认删除?
VIP
微信客服
  • 扫码咨询
会员Q群
  • 会员专属群点击这里加入QQ群
客服邮箱
回到顶部