电脑桌面
添加小米粒文库到电脑桌面
安装后可以在桌面快捷访问

文明工地基础管理培训资料VIP免费

文明工地基础管理培训资料_第1页
1/130
文明工地基础管理培训资料_第2页
2/130
文明工地基础管理培训资料_第3页
3/130
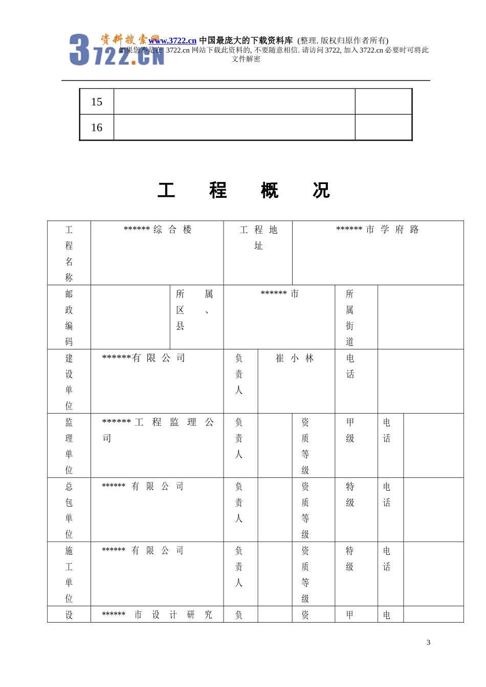
www.3722.cn中国最庞大的下载资料库(整理.版权归原作者所有)如果您不是在3722.cn网站下载此资料的,不要随意相信.请访问3722,加入3722.cn必要时可将此文件解密文明工地管理资料(一)基础管理******有限公司************项目部1www.3722.cn中国最庞大的下载资料库(整理.版权归原作者所有)如果您不是在3722.cn网站下载此资料的,不要随意相信.请访问3722,加入3722.cn必要时可将此文件解密******有限公司文明工地资料一、基础管理序号内容页码1工程概况2现场平面图3项目施工许可证4中标通知书5安监站受监登记表6开工报告7项目经理承包责任书8文明工地领导小组9文明施工管理网络10文明施工规划措施11安全生产文明施工考核细则及考核12施工组织设计与施工日记(见质量资料)13安全生产文明施工承诺公示台账142www.3722.cn中国最庞大的下载资料库(整理.版权归原作者所有)如果您不是在3722.cn网站下载此资料的,不要随意相信.请访问3722,加入3722.cn必要时可将此文件解密1516工程概况工程名称******综合楼工程地址******市学府路邮政编码所属区、县******市所属街道建设单位******有限公司负责人崔小林电话监理单位******工程监理公司负责人资质等级甲级电话总包单位******有限公司负责人资质等级特级电话施工单位******有限公司负责人资质等级特级电话设******市设计研究负资甲电3www.3722.cn中国最庞大的下载资料库(整理.版权归原作者所有)如果您不是在3722.cn网站下载此资料的,不要随意相信.请访问3722,加入3722.cn必要时可将此文件解密计单位院责人质等级级话建筑面积或工作量(万元)2层次工程总造价元结构短肢剪力墙开工日期计划竣工日期工程安全管理目标(1)事故负伤频率控制在0.6~1.5‰以内。(2)死亡事故为零。(3)杜绝火灾、交通管线、设备等重大事故;(4)没有业主、社会相关方和员工的重大投诉.⑸无刑事案件和治安案件;⑹粉尘、污水、噪声达到城市管理要求⑺通过安全生产保证体系内审。工程创建目标受监登记日期。受监安监站******市安全生产安监站电话******有限公司4www.3722.cn中国最庞大的下载资料库(整理.版权归原作者所有)如果您不是在3722.cn网站下载此资料的,不要随意相信.请访问3722,加入3722.cn必要时可将此文件解密项目经理承包责任制************项目部承包项目考核责任书承包项目名称:******工程结构类型:框剪12层承包项目责任人(项目经理):******5www.3722.cn中国最庞大的下载资料库(整理.版权归原作者所有)如果您不是在3722.cn网站下载此资料的,不要随意相信.请访问3722,加入3722.cn必要时可将此文件解密一、质量等级、安全生产、文明施工创牌目标及其他(如需贯标认证等)1、质量目标:①、一次验收合格率100%;②、创优质结构工程;③、创扬子杯工程;④、争创鲁班奖2、安全生产、文明施工创牌目标:①通过安保体系内审②创市文明工地③创******省文明工地3、其他:二、效益考核目标每工创收元。每工创收值考核,其考核标准参照以下内容:a)多层小区每工创收值100.00元以上。b)小高层小区每工创收值110.00元以上。c)高层小区和单位面积达25000M2的工程每工创收值115.00元以上。d)单位一类工程每工创收值120.00元以上。e)以上标准均为创优标准,若不创优则标准提高6%~8%。f)本项目结算出的工程总价(内部核算员每月上报工作量之和)减去材料直接费、办公费、分包费、工伤事故处理费、回访用工(按总用工的5‰提取)以及其他构成工程成本费之后的净收入除以项目总耗用工日(含所有补助用工,按日工资值计算工资的以每天60.00元标准折算)的结果。g)同时参照质量、安全文明施工创牌目标的高低确定。三、项目效益与项目经理的个人收入挂勾考核办法6www.3722.cn中国最庞大的下载资料库(整理.版权归原作者所有)如果您不是在3722.cn网站下载此资料的,不要随意相信.请访问3722,加入3722.cn必要时可将此文件解密1、达到质量目标:奖罚金额标准:市优质结构奖5.00万元,区优质结构奖2.50万元;25000m2以内的白玉兰奖8.00万元;25000m2以上(含25000m2)奖10.00万元;浦江杯奖5.00万元。若某一目标或全部目标未能实现,则罚项目部得奖标准的50%。奖罚金额的分配:3...

1、当您付费下载文档后,您只拥有了使用权限,并不意味着购买了版权,文档只能用于自身使用,不得用于其他商业用途(如 [转卖]进行直接盈利或[编辑后售卖]进行间接盈利)。
2、本站所有内容均由合作方或网友上传,本站不对文档的完整性、权威性及其观点立场正确性做任何保证或承诺!文档内容仅供研究参考,付费前请自行鉴别。
3、如文档内容存在违规,或者侵犯商业秘密、侵犯著作权等,请点击“违规举报”。

碎片内容

文明工地基础管理培训资料

确认删除?
VIP
微信客服
  • 扫码咨询
会员Q群
  • 会员专属群点击这里加入QQ群
客服邮箱
回到顶部