电脑桌面
添加小米粒文库到电脑桌面
安装后可以在桌面快捷访问

空压机维修工(兼发电工)岗位说明书VIP专享VIP免费

空压机维修工(兼发电工)岗位说明书_第1页
1/4
空压机维修工(兼发电工)岗位说明书_第2页
2/4
空压机维修工(兼发电工)岗位说明书_第3页
3/4
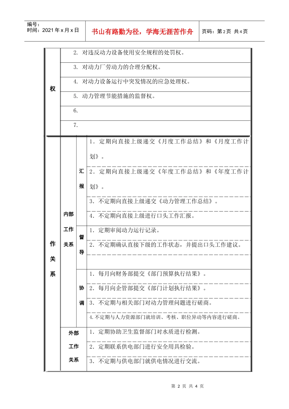
第1页共4页编号:时间:2021年x月x日书山有路勤为径,学海无涯苦作舟页码:第1页共4页职务说明书基本情况职位名称空压机维修工(兼发电工)职位编制及现有人数1人所属部门动力分厂直接上级动力分厂厂长直接下属职责1.负责空压站运行设备的故障排除工作。2.检查运行设备的运行状态。3.负责空压机的周期性维护、保养工作。4.协助搞好空压机的大修理工作。5.排除运行设备的安全隐患。6.负责发电机组的操作工作。7.负责发电机组的维护、保养工作。8.负责发电机组的一般性故障排除工作。9.完成上级领导安排的其它工作。10.11.12.13.14.15.职1.对动力设备检修、修理时间的建议权。第2页共4页第1页共4页编号:时间:2021年x月x日书山有路勤为径,学海无涯苦作舟页码:第2页共4页权2.对违反动力设备使用安全规程的处罚权。3.对动力厂劳动力的合理分配权。4.对动力设备运行中突发情况的应急处理权。5.动力管理节能措施的监督权。6.7.作关系内部工作关系汇报1.定期向直接上级递交《月度工作总结》和《月度工作计划》。2.定期向直接上级递交《年度工作总结》和《年度工作计划》。3.不定期向直接上级递交《动力管理工作总结》。4.不定期向直接上级进行口头工作汇报。督导1.定期审阅动力运行记录。2.不定期确认直接下级的工作状态,并提出口头工作建议。协调1.每月向财务部提交《部门预算执行结果》。2.每月向企管部提交《部门计划执行结果》。3.不定期与相关部门对动力管理问题进行磋商。4.不定期与人力资源部门就培训、考核、职位异动等内容进行磋商。外部工作关系1.定期协助卫生监督部门对水质进行检测。2.定期联系供电部门进行安全用具检验。3.不定期与供电部门就供电情况进行交流。第3页共4页第2页共4页编号:时间:2021年x月x日书山有路勤为径,学海无涯苦作舟页码:第3页共4页任职资格学历本科及以上专业动能管理(或相关专业)年龄30–35周岁性别不限工作经验5年以上动能管理工作或相关工作经验。工作技能良好的业务知识准备良好的沟通协调能力良好的口头和书面表达能力职前培训公司远景,公司发展战略规划,公司组织框架公司现有动力管理状况其他要求职位调动或晋升考核内容考核指标考核周期考核者领导满意度季度生产副总部门员工满意度年度部门员工费用预算执行率年度财务部设备完好率年度设备能源部第4页共4页第3页共4页编号:时间:2021年x月x日书山有路勤为径,学海无涯苦作舟页码:第4页共4页

1、当您付费下载文档后,您只拥有了使用权限,并不意味着购买了版权,文档只能用于自身使用,不得用于其他商业用途(如 [转卖]进行直接盈利或[编辑后售卖]进行间接盈利)。
2、本站所有内容均由合作方或网友上传,本站不对文档的完整性、权威性及其观点立场正确性做任何保证或承诺!文档内容仅供研究参考,付费前请自行鉴别。
3、如文档内容存在违规,或者侵犯商业秘密、侵犯著作权等,请点击“违规举报”。

碎片内容

空压机维修工(兼发电工)岗位说明书

确认删除?
VIP
微信客服
  • 扫码咨询
会员Q群
  • 会员专属群点击这里加入QQ群
客服邮箱
回到顶部