电脑桌面
添加小米粒文库到电脑桌面
安装后可以在桌面快捷访问

物流部工作手册范本VIP免费

物流部工作手册范本_第1页
1/33
物流部工作手册范本_第2页
2/33
物流部工作手册范本_第3页
3/33
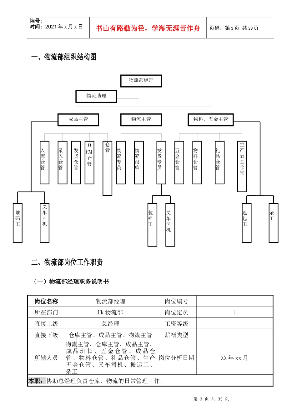
第1页共33页编号:时间:2021年x月x日书山有路勤为径,学海无涯苦作舟页码:第1页共33页物流部工作手册目录一、物流部组织结构图.........................................................1二、物流部岗位工作职责.......................................................2(一)物流部经理职务说明书..................................................2(二)物流部经理助理职务说明书..............................................3(三)物流主管职务说明书....................................................4(四)物流专员职务说明书....................................................5(五)仓储主管职务说明书....................................................6(六)成品仓管员职务说明书....................................................8(七)发货专员职务说明书....................................................9(八)五金仓管员职务说明书.................................................10(九)物料仓管员职务说明书.................................................11(十)叉车司机职务说明书...................................................13(十一)搬运工职务说明书...................................................13三、物流部相关作业流程….14(一)成品仓库入库作业流程..14(二)五金、物料仓库入库作业流程...........................................15(三)五金、物料仓库内部出库作业流程.......................................16(四)物流部发货流程1.....................................................17(五)物流部发货流程2.....................................................17(六)成品不良品出库流程…....................................19四:物流部管理相关规定20(一)总则.................................................................201、目的..................................................................202、适用范围..............................................................20(二)内容.................................................................20第2页共33页第1页共33页编号:时间:2021年x月x日书山有路勤为径,学海无涯苦作舟页码:第2页共33页1、劳动纪律管理规定......................................................202、安全管理规定..........................................................213、仓库管理规定..........................................................224、物流管理规定..........................................................23五、会议制度汇编............................................................25第3页共33页第2页共33页物流部经理物流专员发货专员装柜工叉车司机入库仓管堆码工叉车司机杂工物流助理成品主管物料、五金主管录入仓管发货仓管仓管OEM仓管物料仓管礼品仓管生产五金仓管五金仓管物流主管物流跟单返包工编号:时间:2021年x月x日书山有路勤为径,学海无涯苦作舟页码:第3页共33页一、物流部组织结构图二、物流部岗位工作职责(一)物流部经理职务说明书岗位名称物流部经理岗位编号所在部门Uk物流部岗位定员1直接上级总经理工资等级直接下级仓库主管、成品主管、物流主管薪酬类型所辖人员物流主管、仓库主管、成品主管、成品班长、五金仓管、成品仓管、物料仓管、礼品仓管、生产五金仓管、叉车司机、搬运工、杂工岗位分析日期XX年xx月本职:协助总经理负责仓库、物流的日常管理工作。第4页共33页第3页共33页编号:时间:2021年x月x日书山有路勤为径,学海无涯苦作舟页码:第4页共33页职责与工作任务:职责一职责描述:负责物流部日常管理工作和为公司的管理决策提供信息支持工作任务协助总经理协调仓储、物流的日常管理工作定期、准确向总经理和相关部门提供有关数据管理信息,为公司管理决策提供信息支持职责二职责描述:负责规范仓储、物流运作管理工作任务建立...

1、当您付费下载文档后,您只拥有了使用权限,并不意味着购买了版权,文档只能用于自身使用,不得用于其他商业用途(如 [转卖]进行直接盈利或[编辑后售卖]进行间接盈利)。
2、本站所有内容均由合作方或网友上传,本站不对文档的完整性、权威性及其观点立场正确性做任何保证或承诺!文档内容仅供研究参考,付费前请自行鉴别。
3、如文档内容存在违规,或者侵犯商业秘密、侵犯著作权等,请点击“违规举报”。

碎片内容

物流部工作手册范本

确认删除?
VIP
微信客服
  • 扫码咨询
会员Q群
  • 会员专属群点击这里加入QQ群
客服邮箱
回到顶部