电脑桌面
添加小米粒文库到电脑桌面
安装后可以在桌面快捷访问

颗粒污染物控制课程设计实例VIP免费

颗粒污染物控制课程设计实例_第1页
1/10
颗粒污染物控制课程设计实例_第2页
2/10
颗粒污染物控制课程设计实例_第3页
3/10
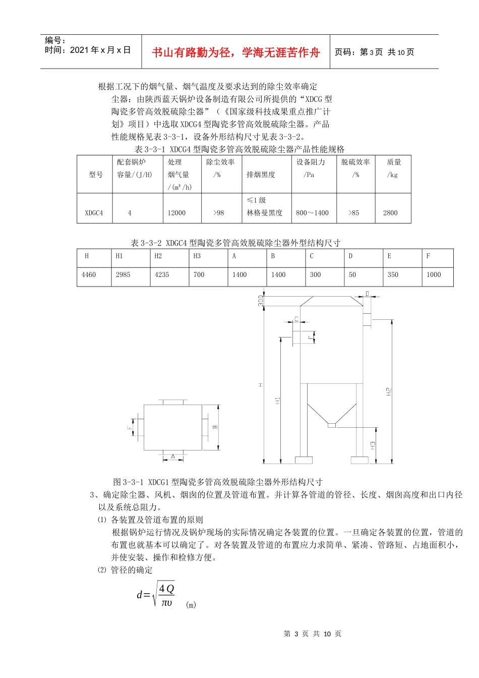
第1页共10页编号:时间:2021年x月x日书山有路勤为径,学海无涯苦作舟页码:第1页共10页颗粒污染物控制课程设计一、课程设计题目某燃煤采暖锅炉烟气除尘系统设计二、课程设计的目的通过课程设计进一步消化和巩固本能课程所学内容,并使所学的知识系统化,培养运用所学理论知识进行净化系统设计的初步能力。通过设计,了解工程设计的内容方法及步骤,培养确定大气污染控制系统的设计方案、进行设计计算、绘制工程图、使用技术资料、编写设计说明书的能力。三、设计原始资料锅炉型号:SZL4—13型,共4台设计耗煤量:600kg/h(台)排烟温度:160℃标准状态下烟气密度:1.34kg/m³空气过剩系数:α=1.4排烟中飞灰占煤中不可燃烧成分的比例:16%烟气在锅炉出口前阻力:800Pa当地大气压:97.86kPa冬季室外空气温度:-1℃标准状态下空气含水按0.01293kg/m³烟气其他性质按空气计算煤的工业分析值:CY=68%HY=4%SY=1%OY=5%NY=1%WY=6%AY=15%VY=13%按锅炉大气污染物排放标准(GB13271-2001)中二类区标准执行。标准状态下烟尘浓度排放标准:200mg/m³标准状态下二氧化硫排放标准:900mg/m³净化系统布置场地为锅炉房北侧15m以内。四、设计计算1、燃煤锅炉排烟量及烟尘和二氧化硫浓度的计算⑴标准状态下理论空气量Q’a=4.76(1.867CY+5.56HY+0.7SY-0.7OY)(m³/kg)式中CY,HY,SY,OY——分别为煤中各元素所含的质量分数。Q’a=4.76×(1.867×0.68+5.56×0.04+0.7×0.01-0.7×0.05)=6.97(m³/kg)⑵标准状态下理论烟气量(设空气含湿量12.93g/m³Q’s=1.867(CY+0.375SY)+11.2HY+1.24WY+0.016Q’a+0.79Q’a+0.8NY(m³/kg)式中Q’a——标准状态下理论空气量,m³/kg;第2页共10页第1页共10页编号:时间:2021年x月x日书山有路勤为径,学海无涯苦作舟页码:第2页共10页WY——煤中水分的质量分数;NY——N元素在煤中的质量分数。Q’s=1.867×(0.68+0.375×0.01)+11.2×0.04+1.24×0.06+0.016×6.97+0.79×6.97+0.8×0.01=7.42(m³/kg)⑶标准状态下实际烟气量Qs=Q’s+1.016(α-1)Q’a(m³/kg)式中α——空气过剩系数;Q’s——标准状态下理论烟气量,m³/kg;Q’a——标准状态下理论空气量,m³/kg。标准状态烟气流量Q应以m³/h计,因此,Q=Qs×设计耗煤量Qs=7.42+1.016×(1.4-1)×6.97=10.25(m³/kg)Q=Qs×设计耗煤量=10.25×600=6150(m³/h)⑷烟气含尘浓度C=(kg/m³)式中dsh——排烟中飞灰占煤中不可燃成分的质量分数;AY——煤中不可燃成分的含量;Qs——标准状态下实际烟气量,m³/kg。C==2.34×10-3(kg/m³)=2.34×103(mg/m³)⑸标准状态下烟气中二氧化硫的浓度计算CSO2=×106(mg/m³)式中SY——煤中硫的质量分数;Qs——标准状态下燃煤产生的实际烟气量,m³/kg。CSO2=×106=1.91×103(mg/m³)2、除尘器的选择⑴除尘效率η=1-式中C——标准状态下烟气含尘浓度,mg/m³;Cs——标准状态下锅炉烟尘排放标准中规定值,mg/m³。η=1-=91.45%⑵除尘器的选择工况下烟气流量Q'=QT'T(m³/h)式中Q——标准状态下的烟气流量,m³/h;T′——工况下烟气温度,K;T——标准状态下温度,273K。Q′==9754(m³/h)则烟气流量为==2.7(m³/s)第3页共10页第2页共10页编号:时间:2021年x月x日书山有路勤为径,学海无涯苦作舟页码:第3页共10页根据工况下的烟气量、烟气温度及要求达到的除尘效率确定尘器:由陕西蓝天锅炉设备制造有限公司所提供的“XDCG型陶瓷多管高效脱硫除尘器”(《国家级科技成果重点推广计划》项目)中选取XDCG4型陶瓷多管高效脱硫除尘器。产品性能规格见表3-3-1,设备外形结构尺寸见表3-3-2。表3-3-1XDCG4型陶瓷多管高效脱硫除尘器产品性能规格型号配套锅炉容量/(J/H)处理烟气量/(m³/h)除尘效率/%排烟黑度设备阻力/Pa脱硫效率/%质量/kgXDGC4412000>98≤1级林格曼黑度800~1400>852800表3-3-2XDGC4型陶瓷多管高效脱硫除尘器外型结构尺寸HH1H2H3ABCDEF44602985423570014001400300503501000图3-3-1XDCG1型陶瓷多管高效脱硫除尘器外形结构尺寸3、确定除尘器、风机、烟囱的位置及管道布置。并计算各管道的管径、长度、烟囱高度和出口内径以及系统总阻力。⑴各装置及管道布置...

1、当您付费下载文档后,您只拥有了使用权限,并不意味着购买了版权,文档只能用于自身使用,不得用于其他商业用途(如 [转卖]进行直接盈利或[编辑后售卖]进行间接盈利)。
2、本站所有内容均由合作方或网友上传,本站不对文档的完整性、权威性及其观点立场正确性做任何保证或承诺!文档内容仅供研究参考,付费前请自行鉴别。
3、如文档内容存在违规,或者侵犯商业秘密、侵犯著作权等,请点击“违规举报”。

碎片内容

颗粒污染物控制课程设计实例

您可能关注的文档

确认删除?
VIP
微信客服
  • 扫码咨询
会员Q群
  • 会员专属群点击这里加入QQ群
客服邮箱
回到顶部