电脑桌面
添加小米粒文库到电脑桌面
安装后可以在桌面快捷访问

绩效计划及考核表VIP专享VIP免费

绩效计划及考核表_第1页
1/6
绩效计划及考核表_第2页
2/6
绩效计划及考核表_第3页
3/6
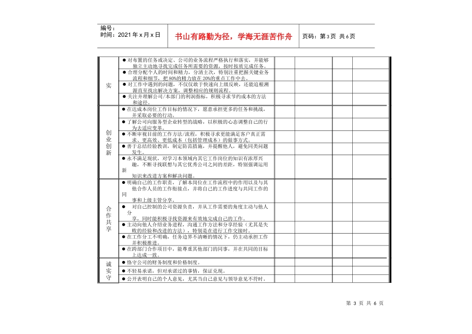
第1页共6页编号:时间:2021年x月x日书山有路勤为径,学海无涯苦作舟页码:第1页共6页绩效计划/考核表姓名:部门:岗位:考核期间:年月日至年月日第一部分:工作业绩计划/考核表重点工作项目目标衡量标准关键策略(把重点工作按照时间和关键节点进行展开)权重(%)资源支持承诺参与评价者评分自评得分上级评分1、2、3、4、5、6、7、合计评价得分=∑(评分*权重)100%计划确认:本人年月日直接上级年月日制定1.“重点工作”一般不超过6项,不能确定的用“上级临时交办的任务”表示,但权重不能超过10。第2页共6页第1页共6页编号:时间:2021年x月x日书山有路勤为径,学海无涯苦作舟页码:第2页共6页计划填写说明2.“考核标准”要具体并能够衡量,一般从数量、质量、时效性、所节约的资源和客户(含上级)的评价等方面确定。3.“关键策略”要求把重点工作按照时间和关键节点进行展开,以制定具体的阶段性分目标,便于落实。4.“资源支持承诺”指为达成目标所需的资源和上级的支持,经双方确认后填写。特别强调:若考核期间内出现重大计划调整(如权重大于20的工作任务取消或新增;现有任务权重增减超过20),须重新填写本表作为工作指导和考核依据。考核评分说明参与评价者:一般为矩阵管理模式下的虚线上级、员工所参与项目的负责人、业务交叉或有协作关系部门负责人等;评分标准:100分—创造性地、完全超乎预期地达成目标;85分—明显超越目标;70分―完成目标并有所超越;60分—基本达成目标,但有所不足;40分—与目标存在明显差距;0分—未进行此项工作;评分说明:最小单位是5分,单项评分超过85分和低于40分时,要在述职报告和上级评定中进行文字说明。第二部分:核心胜任能力评价表评价标准说明:1分偶尔表现出类似行为2分有时表现出类似行为3分经常表现出类似行为4分总是表现出类似行为评分说明:1.可以打以.5结尾的分;2.打4分和1分时,要在说明栏中写明具体事例。评价指标评价标准自评得分自评说明上级评分上级说明服务客户了解谁是本职的客户,包括公司外部的和公司内部的。耐心倾听客户的要求,甚至是抱怨。及时、快速响应客户的问题,哪怕时暂时没有合理的解决方案,并且不局限于8小时的工作时间内。在自己一定独立工作范围内,有能力解决客户提出的业务问题,用客户能理解的语言向客户沟通专业技术。在本职范围内,全力满足客户需求,同时关注客户的额外要求并能及时反馈给上级主管。精准求接受上级指派的任务,并明确对任务的期望和结果。接受任务后,善于动脑筋,利用各种数据,分析市场和需求、成本(包括管理成本)和利益关系,再迅速采取行动。第3页共6页第2页共6页编号:时间:2021年x月x日书山有路勤为径,学海无涯苦作舟页码:第3页共6页实对布置的任务或决定、公司的业务流程严格执行和落实,并能够独立主动地寻找完成任务所需要的资源,按时按质完成任务。合理分配个人的时间和精力,分清主次,特别注重把握关键业务流程和细节,把80%的精力放在20%的重点工作中去。对工作中遇到的问题,不仅仅敢于快速向上级反映,还能追根溯源直至找出解决方案,调整相应的规则流程。关注并理解公司/本部门的利润指标,积极寻求节约成本的方法和途径。创业创新在达成本岗位工作目标的情况下,愿意承担更多的任务和挑战,并采取必要的行动。了解公司向服务型企业转型的战略,以积极的心态调整自己的行为去适应变革。不断审视目前的工作方法/流程,积极寻求更能满足客户真正需求、更高效、更低成本(包括管理成本)的做事方式。善于总结经验教训,制定防范措施,并提醒他人,避免同类问题发生。永不满足现状,对学习本领域内其它工作岗位的知识有浓厚兴趣,不断寻找联想与其它优秀公司之间的差距,特别强调运用新知识来改进方案和解决问题。合作共享明确自己的工作职责,了解本岗位在工作流程中的作用以及与其他合作人员的工作衔接点,并将自己的工作进度与共同工作的同事和上级主管分享。对自己控制的公司资源负责,并从工作需要的角度主动与他人分享,同时能积极寻找资源来有效地完成自己的工作。主动向他人介绍业务进程,沟通工...

1、当您付费下载文档后,您只拥有了使用权限,并不意味着购买了版权,文档只能用于自身使用,不得用于其他商业用途(如 [转卖]进行直接盈利或[编辑后售卖]进行间接盈利)。
2、本站所有内容均由合作方或网友上传,本站不对文档的完整性、权威性及其观点立场正确性做任何保证或承诺!文档内容仅供研究参考,付费前请自行鉴别。
3、如文档内容存在违规,或者侵犯商业秘密、侵犯著作权等,请点击“违规举报”。

碎片内容

绩效计划及考核表

确认删除?
VIP
微信客服
  • 扫码咨询
会员Q群
  • 会员专属群点击这里加入QQ群
客服邮箱
回到顶部