电脑桌面
添加小米粒文库到电脑桌面
安装后可以在桌面快捷访问

沈阳绕城高速公路改扩建工程环境影响报告书(简本)VIP免费

沈阳绕城高速公路改扩建工程环境影响报告书(简本)_第1页
1/10
沈阳绕城高速公路改扩建工程环境影响报告书(简本)_第2页
2/10
沈阳绕城高速公路改扩建工程环境影响报告书(简本)_第3页
3/10
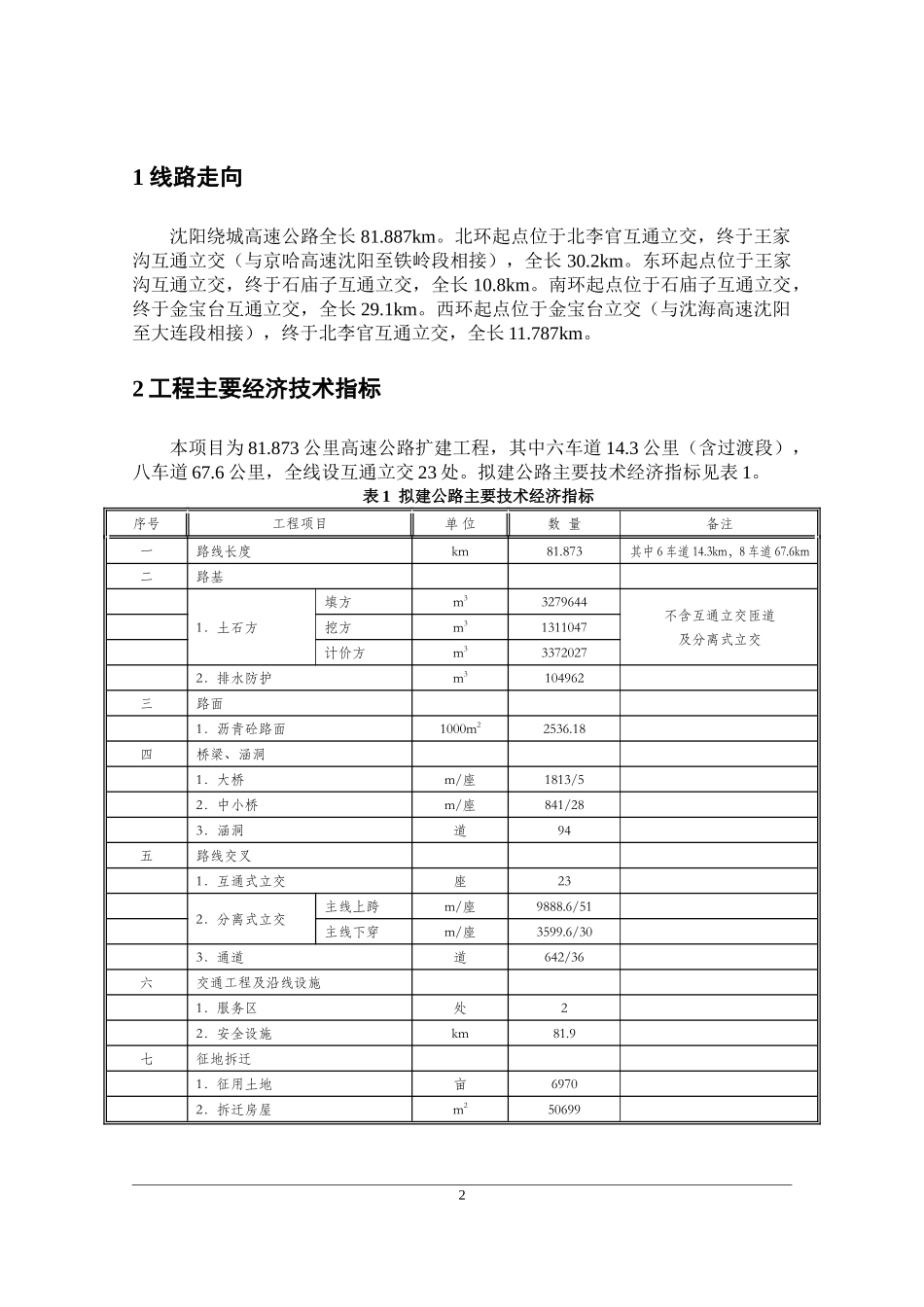
国环评证甲字第1504号沈阳绕城高速公路改扩建工程环境影响报告书(简本)沈阳环境科学研究院0沈阳绕城高速公路改扩建工程环境影响报告书(简本)二O一O年九月11线路走向沈阳绕城高速公路全长81.887km。北环起点位于北李官互通立交,终于王家沟互通立交(与京哈高速沈阳至铁岭段相接),全长30.2km。东环起点位于王家沟互通立交,终于石庙子互通立交,全长10.8km。南环起点位于石庙子互通立交,终于金宝台互通立交,全长29.1km。西环起点位于金宝台立交(与沈海高速沈阳至大连段相接),终于北李官互通立交,全长11.787km。2工程主要经济技术指标本项目为81.873公里高速公路扩建工程,其中六车道14.3公里(含过渡段),八车道67.6公里,全线设互通立交23处。拟建公路主要技术经济指标见表1。表1拟建公路主要技术经济指标序号工程项目单位数量备注一路线长度km81.873其中6车道14.3km,8车道67.6km二路基1.土石方填方m33279644不含互通立交匝道及分离式立交挖方m31311047计价方m333720272.排水防护m3104962三路面1.沥青砼路面1000m22536.18四桥梁、涵洞1.大桥m/座1813/52.中小桥m/座841/283.涵洞道94五路线交叉1.互通式立交座232.分离式立交主线上跨m/座9888.6/51主线下穿m/座3599.6/303.通道道642/36六交通工程及沿线设施1.服务区处22.安全设施km81.9七征地拆迁1.征用土地亩69702.拆迁房屋m2506992第3页共10页编号:时间:2021年x月x日书山有路勤为径,学海无涯苦作舟页码:第3页共10页3环境影响评价概况3.1主要评价内容(1)总论(2)工程概况(3)项目建设地区环境现状(4)污染因子的识别和评价因子的筛选(5)社会环境影响评价(6)生态环境影响评价(7)景观影响评价(8)大气影响预测(9)声环境影响评价(10)水土保持措施及评价(11)水环境影响预测(12)固体废物环境影响分析(13)事故污染风险分析(14)公众参与(15)清洁生产(16)环境管理与监测计划(17)环境经济损益分析3.2评价程序本项目环境影响评价程序如图1所示。第3页共10页第4页共10页确定评价内容和评价因子前期环境影响就业劳务、拆迁安置社会经济农业生产土地利用陆地植被施工期环境影响填、挖方的水土流失植被破坏、野生动物栖息环境破坏废水、废渣和尘土污染施工噪声妨碍现有交通施工人员健康、安全事故防洪景观影响运营期环境影响交通噪声环境空气污染路(桥)面径流污染公路危险品运输事故逸漏风险防洪沿线居民出行不便生活质量变化环境影响因子识别与筛选环境现状调查与评价公众参与调查II环境质量现状监测评价任务的提出现场踏勘调研生态环境•动植物生境破坏•农业生态•土地占用•绿地恢复补偿•土地利用•有肥力土层保护•特殊生态敏感区影响水土保持•水土流失发生区域、面积•新增水土流失量•工程水土保持效果水环境•桥涵施工影响•路(桥)面径流•灌溉格局•污染风险分析•交通工程设施生活污水环境空气•环境空气质量TSPNO2声环境•环境噪声•施工噪声•交通噪声社会环境•城镇规划•拆迁安置•经济发展•资源开发•基础设施生态环境•野生动植物种类、活动规律、保护级别•农业区划、植被状况•土壤种类•特殊生态敏感区水土保持•水土流失现状•流失类型•侵蚀模数•现治理措施等•水土保持规划水环境•沿线河流水系•水功能区划•水文水质现状•水环境污染源环境空气•气象特征•环境空气质量•现有污染源•环境空气敏感点分布及类型声环境•环境质量现状•现有噪声源分布及类型•噪声敏感点分布及类型社会环境•经济发展规划•资源开发条件•生活质量•土地利用•产业结构环境影响预测环境保护措施及建议环境对策及损益分析编制环境影响报告书预测模式环评执行标准公众参与调查III公众参与公示I编号:时间:2021年x月x日书山有路勤为径,学海无涯苦作舟页码:第4页共10页第5页共10页第4页共10页编号:时间:2021年x月x日书山有路勤为径,学海无涯苦作舟页码:第5页共10页图1评价程序3.3工程分析拟建高速公路施工期的环境污染因素主要是交通噪声、社会经济影响以及生态破坏等。影响来源与环节主要是工程征地拆迁、材料堆放及运输、施工机械和运输车辆产生噪声,大风天气引发...

1、当您付费下载文档后,您只拥有了使用权限,并不意味着购买了版权,文档只能用于自身使用,不得用于其他商业用途(如 [转卖]进行直接盈利或[编辑后售卖]进行间接盈利)。
2、本站所有内容均由合作方或网友上传,本站不对文档的完整性、权威性及其观点立场正确性做任何保证或承诺!文档内容仅供研究参考,付费前请自行鉴别。
3、如文档内容存在违规,或者侵犯商业秘密、侵犯著作权等,请点击“违规举报”。

碎片内容

沈阳绕城高速公路改扩建工程环境影响报告书(简本)

中小学文库+ 关注
实名认证
内容提供者

精品资料应用尽有

确认删除?
VIP
微信客服
  • 扫码咨询
会员Q群
  • 会员专属群点击这里加入QQ群
客服邮箱
回到顶部