电脑桌面
添加小米粒文库到电脑桌面
安装后可以在桌面快捷访问

广东省消防安全重点单位消防档案VIP专享VIP免费

广东省消防安全重点单位消防档案_第1页
1/37
广东省消防安全重点单位消防档案_第2页
2/37
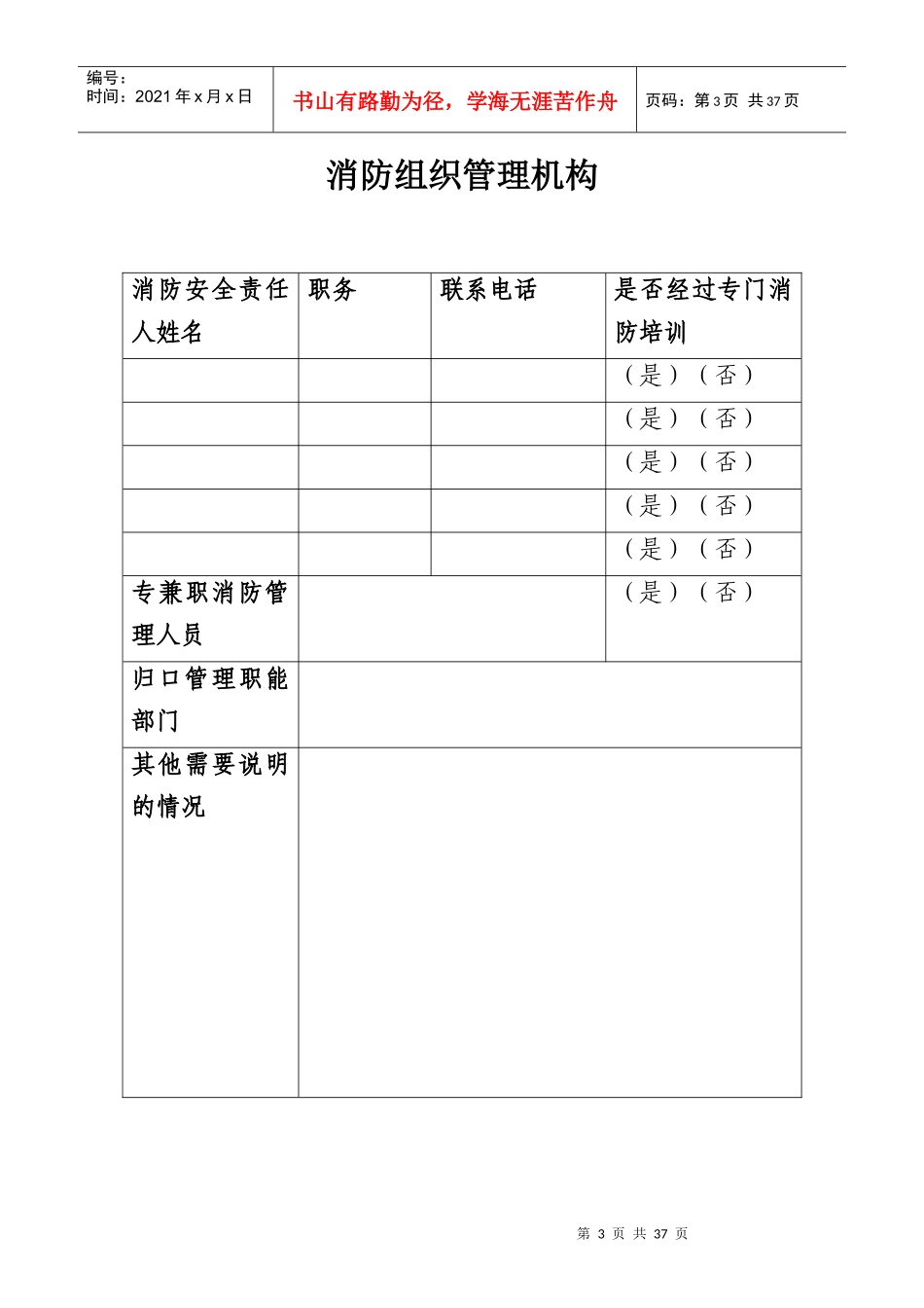
广东省消防安全重点单位消防档案_第3页
3/37
第1页共37页编号:时间:2021年x月x日书山有路勤为径,学海无涯苦作舟页码:第1页共37页广东省消防安全重点单位消防档案单位名称档案录入人:档案审核人:第2页共37页第1页共37页编号:时间:2021年x月x日书山有路勤为径,学海无涯苦作舟页码:第2页共37页单位基本情况单位名称单位地址成立时间电话传真单位邮编E-mail法人代表或主要负责人联系电话所属地区派出所上级主管单位固定资产额(万元)营业时最大人数(人)职工人数(人)占地总面积(所在建筑)(m2)管辖单位总建筑面积(m2)燃气类型经济所有制第3页共37页第2页共37页编号:时间:2021年x月x日书山有路勤为径,学海无涯苦作舟页码:第3页共37页消防组织管理机构消防安全责任人姓名职务联系电话是否经过专门消防培训(是)(否)(是)(否)(是)(否)(是)(否)(是)(否)专兼职消防管理人员(是)(否)归口管理职能部门其他需要说明的情况第4页共37页第3页共37页编号:时间:2021年x月x日书山有路勤为径,学海无涯苦作舟页码:第4页共37页消防组织管理机构人员名单负责人姓名负责部门联系电话第5页共37页第4页共37页编号:时间:2021年x月x日书山有路勤为径,学海无涯苦作舟页码:第5页共37页建筑物及消防设施名称类型第6页共37页第5页共37页编号:时间:2021年x月x日书山有路勤为径,学海无涯苦作舟页码:第6页共37页民用建筑概况建筑物名称建造时间总建筑面积(m2)建筑物占地面积(m2)建筑高度(m)标准层面积(m2)地上层面积(m2)地下层面积(m2)地上(层)地下(层)各楼层使用情况建筑结构耐火等级建筑物内同一时间可容纳最大人数防火卷帘数量(扇)消防电梯数量消防电梯分别所在位置防火门类型(甲级防火门)(乙级防火门)(丙级防火门)防火门数量(扇)是否有消防设施系统(有)(无)第7页共37页第6页共37页编号:时间:2021年x月x日书山有路勤为径,学海无涯苦作舟页码:第7页共37页消防设施具体情况类型是否设置是否独立从属于室内消火栓给水系统火灾自动报警系统自动喷水灭火系统防烟设施排烟设施气体自动灭火系统泡沫灭火系统其他系统毗邻建筑的性质及情况工业建筑概况建筑物名称建造时间总建筑面积建筑物占地面积第8页共37页第7页共37页编号:时间:2021年x月x日书山有路勤为径,学海无涯苦作舟页码:第8页共37页(m2)(m2)建筑高度(m)标准层面积(m2)地上层面积(m2)地下层面积(m2)地上(层)地下(层)各楼层使用情况建筑结构耐火等级火灾危险性正常工作时间最多工作人数(人)主要生产易燃易爆危险物品的种类数量(吨)消防电梯数量消防电梯分别所在位置主要产品防火卷帘数量(扇)防火门类型(甲级防火门)(乙级防火门)(丙级防火门)防火门数量(扇)第9页共37页第8页共37页编号:时间:2021年x月x日书山有路勤为径,学海无涯苦作舟页码:第9页共37页是否有消防设施系统(有)(无)消防设施具体情况类型是否设置是否独立从属于室内消火栓给水系统火灾自动报警系统自动喷水灭火系统防烟设施排烟设施气体自动灭火系统泡沫灭火系统其他系统毗邻建筑的性质及情况仓库概况建筑物名称总建筑面积(m2)建造时间第10页共37页第9页共37页编号:时间:2021年x月x日书山有路勤为径,学海无涯苦作舟页码:第10页共37页建筑物占地面积(m2)建筑高度(m)耐火等级建筑结构地上(层)地下(层)各楼层使用情况地上(层)面积(m2)地下(层)面积(m2)标准层面积(m2)火灾危险性主要储存物主要储存物数量(T)防火卷帘数量(扇)防火门类型(甲级防火门)(乙级防火门)(丙级防火门)防火门数量(扇)消防电梯数量消防电梯分别所在位置是否有消防设施系统(有)(无)类型是否设置是否独立从属于第11页共37页第10页共37页编号:时间:2021年x月x日书山有路勤为径,学海无涯苦作舟页码:第11页共37页消防设施具体情况室内消火栓给水系统火灾自动报警系统自动喷水灭火系统防烟设施排烟设施气体自动灭火系统泡沫灭火系统其他系统毗邻建筑的性质及情况堆场概况堆场名称占地面积(m2)堆放高度(m)火灾危险性(单选)主要堆放物品名称数量(T)第12页共37页第11页共37页编号:时间:2021年x月x日书山...

1、当您付费下载文档后,您只拥有了使用权限,并不意味着购买了版权,文档只能用于自身使用,不得用于其他商业用途(如 [转卖]进行直接盈利或[编辑后售卖]进行间接盈利)。
2、本站所有内容均由合作方或网友上传,本站不对文档的完整性、权威性及其观点立场正确性做任何保证或承诺!文档内容仅供研究参考,付费前请自行鉴别。
3、如文档内容存在违规,或者侵犯商业秘密、侵犯著作权等,请点击“违规举报”。

碎片内容

广东省消防安全重点单位消防档案

确认删除?
VIP
微信客服
  • 扫码咨询
会员Q群
  • 会员专属群点击这里加入QQ群
客服邮箱
回到顶部