电脑桌面
添加小米粒文库到电脑桌面
安装后可以在桌面快捷访问

汽轮发电机基座培训资料VIP免费

汽轮发电机基座培训资料_第1页
1/42
汽轮发电机基座培训资料_第2页
2/42
汽轮发电机基座培训资料_第3页
3/42
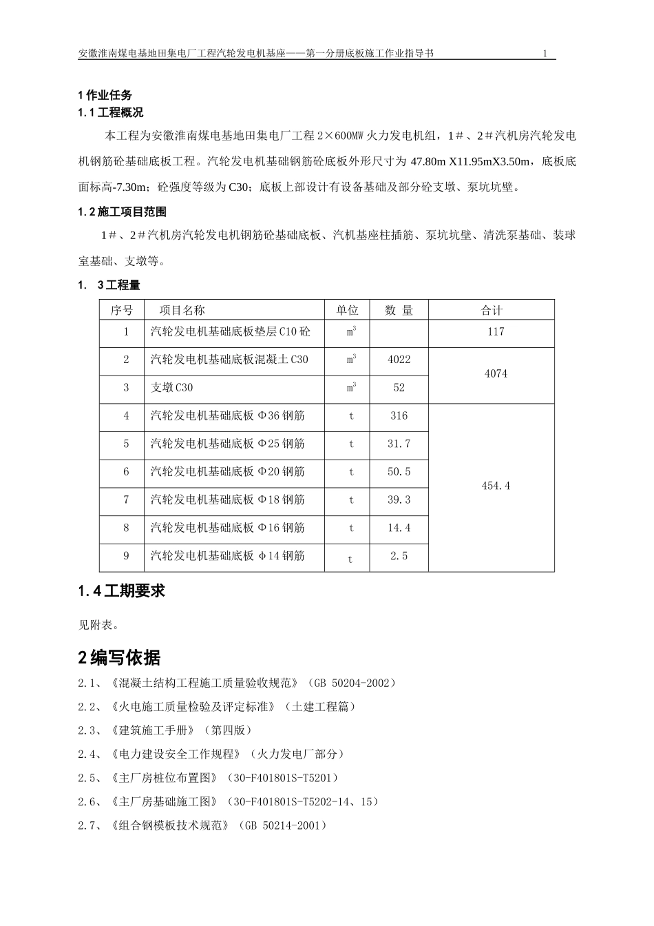
作业指导书编号:TJ01-C-02-08-1工程名称:安徽淮南煤电基地田集电厂工程作业项目名称:汽轮发电机基座——第一分册底板施工编制单位:安徽电建一公司田集电厂项目部建筑科批准:陈刚安全:王芳明质量:王邦利技术:陈刚审核:陈尚文编制:叶咏悟时间:2005.08.08时间:2005.08.08时间:2005.08.08时间:2005.08.08时间:2005.08.08时间:2005.08.08出版日期2005.08.08版次第一版安徽淮南煤电基地田集电厂工程主厂房基础施工作业指导书2目录1作业任务........................................................................11.1工程概况.....................................................................11.2施工项目范围.................................................................11.3工程量.......................................................................11.4工期要求.....................................................................12编写依据........................................................................13作业准备和条件..................................................................23.1人员配备及特殊工种的资格要求.................................................23.2作业条件.....................................................................23.3机械、工具配备...............................................................33.4对设备、材料的要求...........................................................43.5力能供应.....................................................................43.6施工场地布置.................................................................43.7对上道工序的要求.............................................................63.8对工作环境的要求.............................................................64作业方法及工艺要求..............................................................64.1总体施工方案.................................................................64.2施工方法及工艺要求...........................................................74.3工艺质量要求................................................................185作业质量标准及检验要求.........................................................195.1作业质量标准................................................................195.2检验要求....................................................................216技术记录要求...................................................................227职业安全健康、环境保护技术措施................................................227.1重要危害、重要环境因素及其控制措施..........................................227.2安全防护用品、设施和文明施工标准............................................237.3成品保护....................................................................268有关计算及其分析...............................................................268.1模板及支撑计算..............................................................268.2砼温控计算..................................................................299作业指导书的附录...............................................................339.1钢筋工程工艺流程............................................................339.2模板工程工艺流程............................................................339.3混凝土浇灌工艺流程图........................................................339.4技术交底记录................................................................339.5主厂房区域平面布置规划图......................................................

1、当您付费下载文档后,您只拥有了使用权限,并不意味着购买了版权,文档只能用于自身使用,不得用于其他商业用途(如 [转卖]进行直接盈利或[编辑后售卖]进行间接盈利)。
2、本站所有内容均由合作方或网友上传,本站不对文档的完整性、权威性及其观点立场正确性做任何保证或承诺!文档内容仅供研究参考,付费前请自行鉴别。
3、如文档内容存在违规,或者侵犯商业秘密、侵犯著作权等,请点击“违规举报”。

碎片内容

汽轮发电机基座培训资料

您可能关注的文档

确认删除?
VIP
微信客服
  • 扫码咨询
会员Q群
  • 会员专属群点击这里加入QQ群
客服邮箱
回到顶部