电脑桌面
添加小米粒文库到电脑桌面
安装后可以在桌面快捷访问

消防安全基本情况档案VIP免费

消防安全基本情况档案_第1页
1/48
消防安全基本情况档案_第2页
2/48
消防安全基本情况档案_第3页
3/48
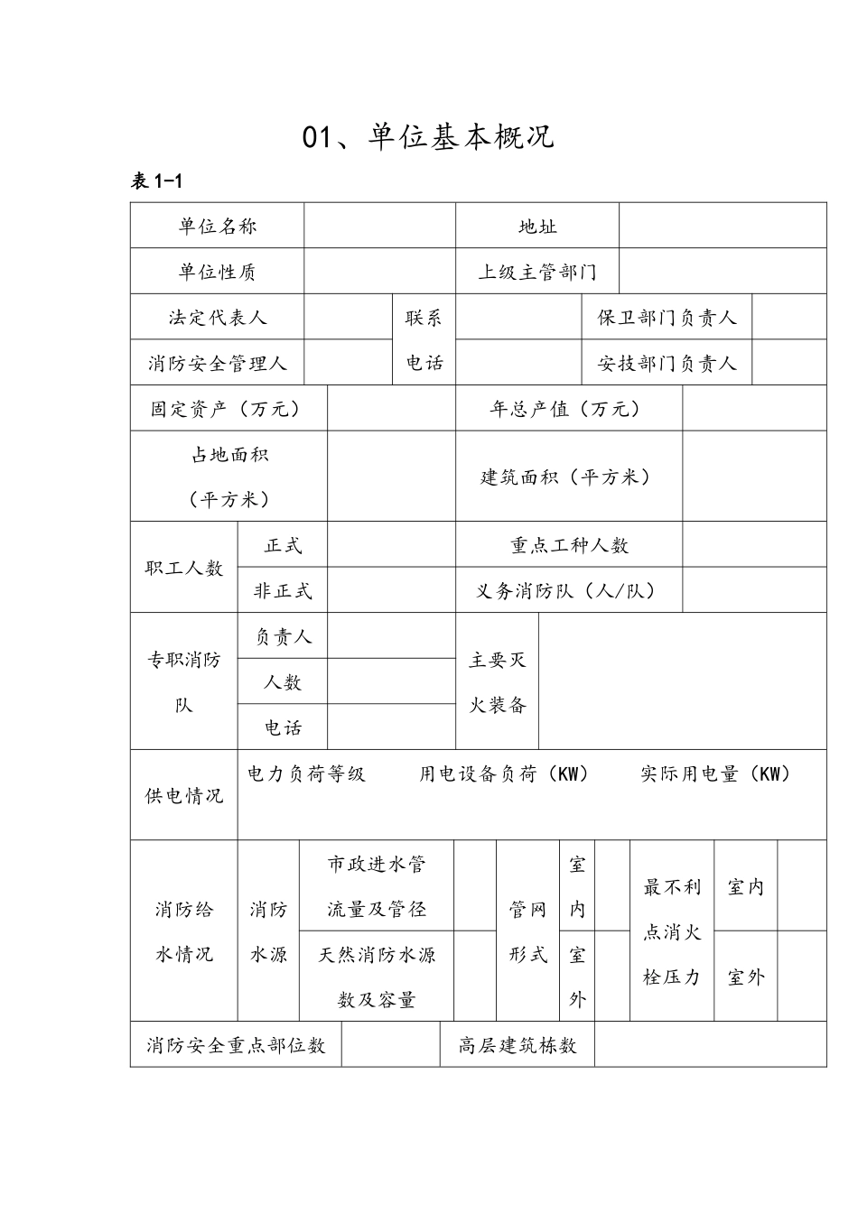
档案目录序号名称页码01单位基本概况1-202单位平面布置图303单位建筑审核、验收及投入使用、营业前消防安全检查情况登记404消防管理组织机构5-805建筑物及消防设施器材登记9-2506消防安全管理制度2607重点工种人员登记2708重点部位登记28-2909出租房屋管理3010易燃易爆化学危险物品管理登记3111燃气、电气设备检测记录3212灭火和应急疏散预案档案33-3513消防宣传培训档案3614其他重大消防事项档案(包括火灾情况记录、消防奖惩情况、新增消防产品、消防经费开支消防宣传等内容)37-01、单位基本概况表1-1单位名称地址单位性质上级主管部门法定代表人联系电话保卫部门负责人消防安全管理人安技部门负责人固定资产(万元)年总产值(万元)占地面积(平方米)建筑面积(平方米)职工人数正式重点工种人数非正式义务消防队(人/队)专职消防队负责人主要灭火装备人数电话供电情况电力负荷等级用电设备负荷(KW)实际用电量(KW)消防给水情况消防水源市政进水管流量及管径管网形式室内最不利点消火栓压力室内天然消防水源数及容量室外室外消防安全重点部位数高层建筑栋数单位自己分析本单位的火灾危险性以及发生火灾可能造成的后果备注建筑情况表1-2单位占地面积(m2)建筑占地面积(m2)建筑总面积(m2)简易建筑面积(m2)主要建筑名称用途建筑面积(m2)层数高度消防车能否靠近相邻防火间距备注如果是高层建筑,在“消防车能否靠近”一栏注明登高消防车能否靠近。02、单位总平面布置图03、单位建筑审核、验收及开业前消防安全检查情况登记单体(部位)名称是否审核法律文书证号是否验收法律文书证号是否申请开业前检查法律文书证号备注建筑物或者场所施工、使用或者开业前的消防设计审核、消防验收以及消防安全检查的文件、资料04、消防管理组织机构各级消防安全责任人表5-1姓名性别出生年月单位任何职务消防组织任何职务消防安全培训情况备注专、兼职防火人员名单表5-2姓名性别出生年月专或兼从事消防工作时间消防安全培训情况备注专职或义务消防队员名单表5-3姓名性别出生年月参加工作时间职务消防安全培训情况备注专职或义务消防队装备配备情况表5-4装备名称购买日期购买价格管理责任人维修保养情况日常使用情况备注06、建筑物及消防设施器材登记民用建筑概况表6-2建筑物名称建造时间总建筑面积(m2)建筑物占地面积(m2)建筑高度(m)标准层面积(m2)地上层面积(m2)地下层面积(m2)地上(层)地下(层)各楼层使用情况建筑结构耐火等级建筑物内同一时间可容纳最大人数防火卷帘数量(扇)消防电梯数量消防电梯分别位置防火门类型(甲级防火门)(乙级防火门)(丙级防火门)防火门数量(扇)是否有消防设施系统(有)(无)消防设施具体情况类型是否设置是否独立从属于室内消火栓给水系统火灾自动报警系统自动喷水灭火系统防烟设施排烟设施气体自动灭火系统泡沫灭火系统其他系统毗邻建筑的性质及情况工业建筑概况建筑物名称建造时间总建筑面积(m2)建筑物占地面积(m2)建筑高度(m)标准层面积(m2)地上层面积(m2)地下层面积(m2)地上(层)地下(层)各楼层使用情况建筑结构耐火等级火灾危险性正常工作时间最多工作人数(人)主要生产易燃易爆危险物品种类数量(吨)消防电梯数量消防电梯分别位置主要产品防火卷帘数量(扇)防火门类型(甲级防火门)(乙级防火门)(丙级防火门)防火门数量(扇)是否有消防设施系统(有)(无)消防设施具体情况类型是否设置是否独立从属于室内消火栓给水系统火灾自动报警系统自动喷水灭火系统防烟设施排烟设施气体自动灭火系统泡沫灭火系统其他系统毗邻建筑的性质及情况仓库概况表6-4建筑物名称总建筑面积(m2)建造时间建筑物占地面积(m2)建筑高度(m)耐火等级建筑结构地上(层)地下(层)各楼层使用情况地上(层)面积(m2)地下(层)面积(m2)标准层面积(m2)火灾危险性主要储存物主要储存物数量(T)防火卷帘数量防火门类型(甲级防火门)(乙级防火门)(丙级防火门)防火门数量(扇)消防电梯数量消防电梯分别所在位置是否有消防设施系统(有)(无)消防设施具体情况类型是否设置是否独立从属于室内消火栓给水系统火...

1、当您付费下载文档后,您只拥有了使用权限,并不意味着购买了版权,文档只能用于自身使用,不得用于其他商业用途(如 [转卖]进行直接盈利或[编辑后售卖]进行间接盈利)。
2、本站所有内容均由合作方或网友上传,本站不对文档的完整性、权威性及其观点立场正确性做任何保证或承诺!文档内容仅供研究参考,付费前请自行鉴别。
3、如文档内容存在违规,或者侵犯商业秘密、侵犯著作权等,请点击“违规举报”。

碎片内容

消防安全基本情况档案

确认删除?
VIP
微信客服
  • 扫码咨询
会员Q群
  • 会员专属群点击这里加入QQ群
客服邮箱
回到顶部