电脑桌面
添加小米粒文库到电脑桌面
安装后可以在桌面快捷访问

宁夏远航油气工程服务有限公司(初稿)一审修改再审修改VIP免费

宁夏远航油气工程服务有限公司(初稿)一审修改再审修改_第1页
1/99
宁夏远航油气工程服务有限公司(初稿)一审修改再审修改_第2页
2/99
宁夏远航油气工程服务有限公司(初稿)一审修改再审修改_第3页
3/99
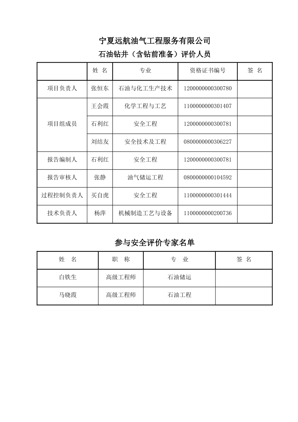
宁夏远航油气工程服务有限公司石油钻井(含钻前准备)安全现状评价报告法定代表人:于见技术负责人:杨萍项目负责人:张恒东宁夏智诚安环科技发展有限公司2016年5月日宁夏远航油气工程服务有限公司石油钻井(含钻前准备)评价人员姓名专业资格证书编号签名项目负责人张恒东石油与化工生产技术1200000000300780项目组成员王会霞化学工程与工艺1100000000301407石利红安全工程1200000000300781刘结友安全技术及工程0800000000306227报告编制人石利红安全工程1200000000300781报告审核人张静油气储运工程0800000000104592过程控制负责人买自虎安全工程1100000000301444技术负责人杨萍机械制造工艺与设备1100000000200736参与安全评价专家名单姓名职称专业签名白铁生高级工程师石油储运马晓霞高级工程师石油工程前言宁夏远航油气工程服务有限公司是陆上石油开采工程技术服务企业,主要从事石油钻井(含钻前准备)。为贯彻落实《中华人民共和国安全生产法》、《非煤矿矿山企业安全生产许可证实施办法》等安全生产法律、法规的要求,充分落实“安全第一、预防为主、综合治理”的安全生产方针,促进宁夏远航油气工程服务有限公司在生产服务过程中实现本质安全化,宁夏智诚安环科技发展有限公司受该公司的委托,对该公司石油钻井(含钻前准备)安全生产现状进行评价。陆上石油开采工程技术服务安全评价的目的是贯彻安全生产十二字方针,提高陆上石油开采工程技术服务的本质安全程度和安全管理水平,减少和控制陆上石油开采工程技术服务过程中的危险、有害因素,降低陆上石油开采工程技术服务风险,预防事故发生,保护陆上石油开采工程技术服务企业从业人员的健康和生命安全及企业的财产安全。本次安全评价通过对其设备、设施、装置实际情况和安全管理状况的调查,对其生产过程中存在的危险、有害因素及其安全管理状况给予客观的评价。同时提出消除、预防或减弱生产过程中的危险性、提高安全生产管理的对策措施,为企业生产运行以及日常管理提供依据,为安全生产综合监督管理部门实施监督、管理提供依据。委托方有义务提供安全评价所需的相关资料,企业所提供的各类证件文件、资料等,是安全评价的主要依据,因企业提供的资料而导致本报告结论失实,本公司将不承担由此产生的任何责任。本次安全评价工作得到了宁夏远航油气工程服务有限公司有关人员的大力支持和协助,在此表示衷心感谢!目录第一章概述................................................................11.1安全评价的依据........................................................11.1.1相关的安全法律、法规..............................................11.1.2部门规章..........................................................21.1.3规范性文件........................................................31.1.4标准、规范........................................................41.2评价对象..............................................................61.3评价范围..............................................................61.4评价程序..............................................................6第二章企业基本情况........................................................82.1企业概况..............................................................82.2作业区概况............................................................92.2.1交通及地理位置....................................................92.2.2资源概况..........................................................92.2.3地质、地貌.......................................................102.2.4气候条件.........................................................102.2.5地震.............................................................122.3公司设备、设施.......................................................122.3.1钻井主要设备.....................................................122.3.2钻...

1、当您付费下载文档后,您只拥有了使用权限,并不意味着购买了版权,文档只能用于自身使用,不得用于其他商业用途(如 [转卖]进行直接盈利或[编辑后售卖]进行间接盈利)。
2、本站所有内容均由合作方或网友上传,本站不对文档的完整性、权威性及其观点立场正确性做任何保证或承诺!文档内容仅供研究参考,付费前请自行鉴别。
3、如文档内容存在违规,或者侵犯商业秘密、侵犯著作权等,请点击“违规举报”。

碎片内容

宁夏远航油气工程服务有限公司(初稿)一审修改再审修改

中小学文库+ 关注
实名认证
内容提供者

精品资料应用尽有

确认删除?
VIP
微信客服
  • 扫码咨询
会员Q群
  • 会员专属群点击这里加入QQ群
客服邮箱
回到顶部