电脑桌面
添加小米粒文库到电脑桌面
安装后可以在桌面快捷访问

单项工程施工 方案VIP免费

单项工程施工 方案_第1页
1/35
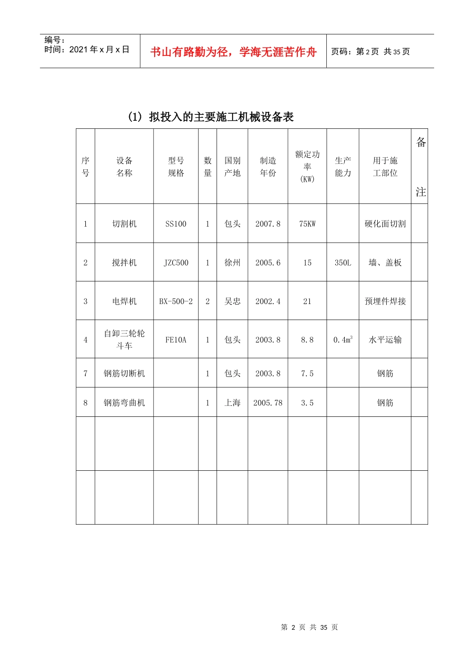
单项工程施工 方案_第2页
2/35
单项工程施工 方案_第3页
3/35
第1页共35页编号:时间:2021年x月x日书山有路勤为径,学海无涯苦作舟页码:第1页共35页单项工程施工方案工程名称:神华乌海能源平沟洗煤厂——厂区外网改造工程建设单位:神华乌海能源平沟洗煤厂编制单位:审核人:编制人:编制日期:2011年6月5日第2页共35页第1页共35页编号:时间:2021年x月x日书山有路勤为径,学海无涯苦作舟页码:第2页共35页(1)拟投入的主要施工机械设备表序号设备名称型号规格数量国别产地制造年份额定功率(KW)生产能力用于施工部位备注1切割机SS1001包头2007.875KW硬化面切割2搅拌机JZC5001徐州2005.615350L墙、盖板3电焊机BX-500-22吴忠2002.421预埋件焊接4自卸三轮轮斗车FE10A1包头2003.88.80.4m3水平运输7钢筋切断机1包头2003.87.5钢筋8钢筋弯曲机1上海2005.783.5钢筋第3页共35页第2页共35页编号:时间:2021年x月x日书山有路勤为径,学海无涯苦作舟页码:第3页共35页(2)劳动力计划表工种按工程施工阶段投入劳动力情况地沟瓦工6木工1架子工2壮工10电工1焊工1机械司机2钢筋工3合计26注:1.投标人应按所列格式提交包括分包人在内的估计劳动力计划表。2.本计划表是以每班八小时工作制为基础编制的。第4页共35页第3页共35页编号:时间:2021年x月x日书山有路勤为径,学海无涯苦作舟页码:第4页共35页(3)拟配备本标段的试验和检测仪器设备表序号仪器设备名称型号规格数量国别产地制造年份完好情况用途备注1水准仪S21台西安2006.10完好测量放线2漏电开关测试仪54061台北京2006.8完好电器安全监测仪3台秤TGT-5001台宁夏2006.4完好计量工具4钢卷尺50米1把宁夏2008.10完好测量放线5游标卡尺150MM1把西安2008.1完好测量工具6质量检查尺JZC-81把西安2006.5完好测量工具7接线仪1台上海2008.5完好插座接线检查8经纬仪S21台西安2006.10完好测量放线第5页共35页第4页共35页编号:时间:2021年x月x日书山有路勤为径,学海无涯苦作舟页码:第5页共35页施工方案一、工程简介§1.1工程概况:1、项目名称:神华乌海能源平沟洗煤厂——厂区外网改造工程2、建设单位:神华乌海能源平沟洗煤厂3、承包方式:包工包料。4、质量标准:合格。5、要求工期:合同签订后45日历天。§1.2工程做法1、墙体工程(1)地沟采用M10水泥砂浆砌筑Mu10普通粘土实心砖240厚墙体。(2)地沟盖板采用200mm厚双层网片C30混凝土地沟盖板(3)地沟垫层采用C15混凝土垫层100厚(4)地沟内采用1:2.5水泥砂浆参0.3%防水剂的防水砂浆抹20厚二、编制依据及编制原则第6页共35页第5页共35页编号:时间:2021年x月x日书山有路勤为径,学海无涯苦作舟页码:第6页共35页§2.1编制依据1、神华乌海能源平沟洗煤厂——地沟工程施工图。2、现场实地勘察。3、国家现行法律、法规、条例、规范、标准、技术规程、操作规程、强制性条文。4、我公司管理制度、管理办法级管理规定。§2.2编制原则1、组建科学合理的项目管理机构,配备齐全的专业管理人员。2、按合同工期的要求,抓住关键,全面合理的安排施工人员、机械设备及施工进度计划,搞好工序衔接达到均衡生产,在保证工程质量、安全生产的前提下缩短工期。3、科学合理的配置资源,充分应用先进的科学技术和施工设备,做到机械化施工和标准化作业。4、强化质量管理,加强工序监控,做到事前规划,过程控制、确保工程质量。5、强化内部管理,控制工程成本。6、强化安全管理,提高全员安全意识,做到“安全第一,预防为主”。7、文明施工、保护环境卫生,严格控制施工噪声、扬尘、洒落,工地整齐清洁排列有序,安全、卫生、文明。§2.3执行标准第7页共35页第6页共35页编号:时间:2021年x月x日书山有路勤为径,学海无涯苦作舟页码:第7页共35页1、施工及验收规范、规程及标准(1)《建筑工程施工质量验收统一标准》GB50300-2001(2)《建筑装饰装修工程质量验收规范》GB50202-2002等所有相关配套规范。2、施工安全管理规范、规程及规定(1)《建筑施工高处作业安全技术规范》JGJ80-91(2)《建筑机械使用安全技术规程》JGJ33-86(3)《施工现场临时用电安全技术规范》JGJ46-88(4)《建设工程施工现场供用电安全规范》GB50194-93(5)《建筑施工安全检查标准》JGJ59-99三、施工准备...

1、当您付费下载文档后,您只拥有了使用权限,并不意味着购买了版权,文档只能用于自身使用,不得用于其他商业用途(如 [转卖]进行直接盈利或[编辑后售卖]进行间接盈利)。
2、本站所有内容均由合作方或网友上传,本站不对文档的完整性、权威性及其观点立场正确性做任何保证或承诺!文档内容仅供研究参考,付费前请自行鉴别。
3、如文档内容存在违规,或者侵犯商业秘密、侵犯著作权等,请点击“违规举报”。

碎片内容

单项工程施工 方案

确认删除?
VIP
微信客服
  • 扫码咨询
会员Q群
  • 会员专属群点击这里加入QQ群
客服邮箱
回到顶部