电脑桌面
添加小米粒文库到电脑桌面
安装后可以在桌面快捷访问

促销员系统培训VIP免费

促销员系统培训_第1页
1/10
促销员系统培训_第2页
2/10
促销员系统培训_第3页
3/10
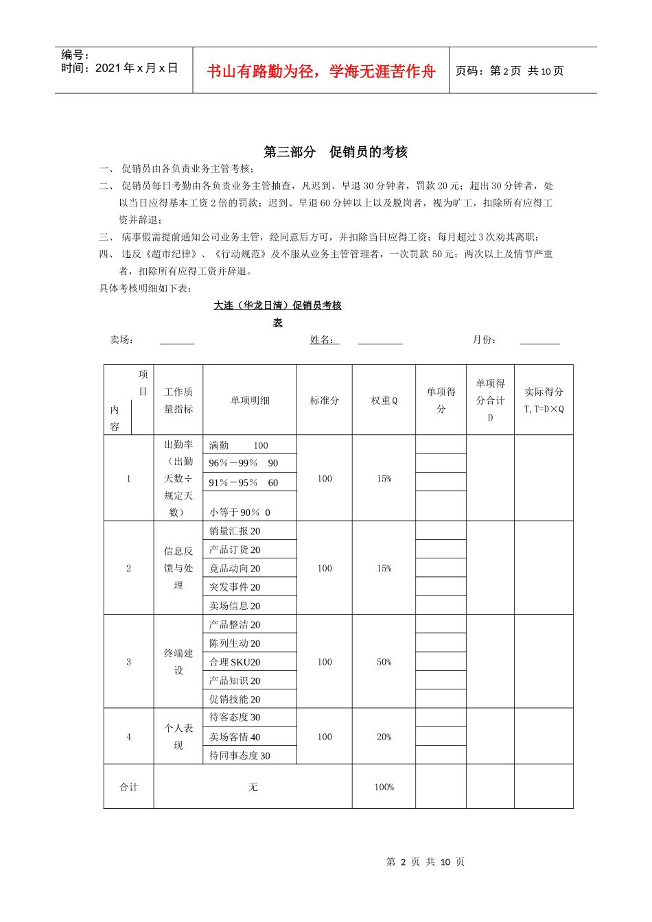
第1页共10页编号:时间:2021年x月x日书山有路勤为径,学海无涯苦作舟页码:第1页共10页华龙日清(大连办事处)促销员系统培训第一部分公司简介华龙日清食品有限公司成立于2004年4月19日,是河北华龙面业集团有限公司与日本日清食品株式会社"强强联合"组建成立的一家中外合资企业。公司现拥有制面、面粉、综合三大事业部,在全国建有包括河北隆尧、邯郸、正定、徐水、秦皇岛,黑龙江哈尔滨,吉林长春,辽宁沈阳,山东兖州,河南许昌、汤阴,湖南平江,安徽天长,陕西扶风,浙江嘉兴,广东东莞等16个生产基地,下设28个分公司,员工总数2.2万人,总资产达50亿元。目前,公司制面事业部在全国已建成投产15个方便面分厂,面粉事业部在全国建成投产6个面粉公司,综合事业部下设调味品、饼业、挂面、纸品等5个分公司。到2004年底公司建成拥有21个方便面分厂、9个面粉公司、6个相关配套生产公司,形成138条方便面生产大线、方便面年生产能力120亿份,日处理小麦5000吨,年转化小麦180万吨的庞大生产规模,其制面、制粉规模将跃居世界前列。2003年华龙面业集团实现销售收入40多亿元,2004年合资后的华龙日清公司实现销售收入65亿元。我公司现有的方便面产品主要有今麦郎弹面系列、可劲造系列、超级小康系列、六丁目系列、东三福系列等40多个系列,300多个品种,其中,今麦郎弹面系列为高档方便面,亦是我公司的全国战略性产品。自2002年今麦郎弹面系列上市以来,无论是在品牌拉动还是在销量提升方面,我公司都获得了巨大成功。2004年,我公司重磅推出了今麦郎骨汤弹面和今麦郎VIP两款新品,力求改变方便面一向价值感低、香精味重、营养缺乏等不足的形象,以全新的口感、质感树立方便面的产品新形象。2004年12月16日,在中国食品科学技术学会组织的专家鉴评会上,今麦郎VIP和骨汤弹面分别被授予“2004年度科技创新奖”、“2004年度产品创新奖”。2004年12月28日,今麦郎骨汤弹面被指定为南极科考专用面。2005年1月19日,长达一分钟的“今麦郎骨汤弹面南极篇”在央视黄金标段及各地方卫视顺利播出。在集团范现国总裁的带领下,经过华龙人的不断努力,在今麦郎近3年的推广中,品牌的知名度、美誉度大幅度提升,这在产品同质化严重的方便面行业中不得不被称之为奇迹。附:今麦郎骨汤弹面产品知识(具体介绍)第二部分促销员的涵义促销员是指在零售终端通过现场服务引导顾客购买、促进产品销售的人员。他们是:一、形象代言人促销员面对面地直接与顾客沟通,促销员的一举一动、一言一行在顾客的眼中就代表着公司(品牌)的形象。二、沟通的桥梁促销员是公司(品牌)与消费者之间的桥梁,一方面把品牌的有关信息传递给消费者,另一方面又将消费者的意见、建议和希望等信息传达给公司,以便公司更好的服务于消费者。三、服务大使促销员是在充分了解自己所销售的产品的特性、试用方法、用途、功效、价值的基础上,适时地为顾客提供最好的服务、建议和帮助,以优良的服务来征服顾客,压倒竞争对手。第2页共10页第1页共10页编号:时间:2021年x月x日书山有路勤为径,学海无涯苦作舟页码:第2页共10页第三部分促销员的考核一、促销员由各负责业务主管考核;二、促销员每日考勤由各负责业务主管抽查,凡迟到、早退30分钟者,罚款20元;超出30分钟者,处以当日应得基本工资2倍的罚款;迟到、早退60分钟以上以及脱岗者,视为旷工,扣除所有应得工资并辞退;三、病事假需提前通知公司业务主管,经同意后方可,并扣除当日应得工资;每月超过3次劝其离职;四、违反《超市纪律》、《行动规范》及不服从业务主管管理者,一次罚款50元;两次以上及情节严重者,扣除所有应得工资并辞退。具体考核明细如下表:大连(华龙日清)促销员考核表卖场:姓名:月份:项目工作质量指标单项明细标准分权重Q单项得分单项得分合计D实际得分T,T=D×Q内容1出勤率(出勤天数÷规定天数)满勤10010015%96%-99%9091%-95%60小等于90%02信息反馈与处理销量汇报2010015%产品订货20竟品动向20突发事件20卖场信息203终端建设产品整洁2010050%陈列生动20合理SKU20产品知识20促销技能204个人表现待客态度3010020%卖场客情40待同事...

1、当您付费下载文档后,您只拥有了使用权限,并不意味着购买了版权,文档只能用于自身使用,不得用于其他商业用途(如 [转卖]进行直接盈利或[编辑后售卖]进行间接盈利)。
2、本站所有内容均由合作方或网友上传,本站不对文档的完整性、权威性及其观点立场正确性做任何保证或承诺!文档内容仅供研究参考,付费前请自行鉴别。
3、如文档内容存在违规,或者侵犯商业秘密、侵犯著作权等,请点击“违规举报”。

碎片内容

促销员系统培训

确认删除?
VIP
微信客服
  • 扫码咨询
会员Q群
  • 会员专属群点击这里加入QQ群
客服邮箱
回到顶部