电脑桌面
添加小米粒文库到电脑桌面
安装后可以在桌面快捷访问

新华国际金融中心暖通给排水专业施工组织设计方案VIP免费

新华国际金融中心暖通给排水专业施工组织设计方案_第1页
1/58
新华国际金融中心暖通给排水专业施工组织设计方案_第2页
2/58
新华国际金融中心暖通给排水专业施工组织设计方案_第3页
3/58
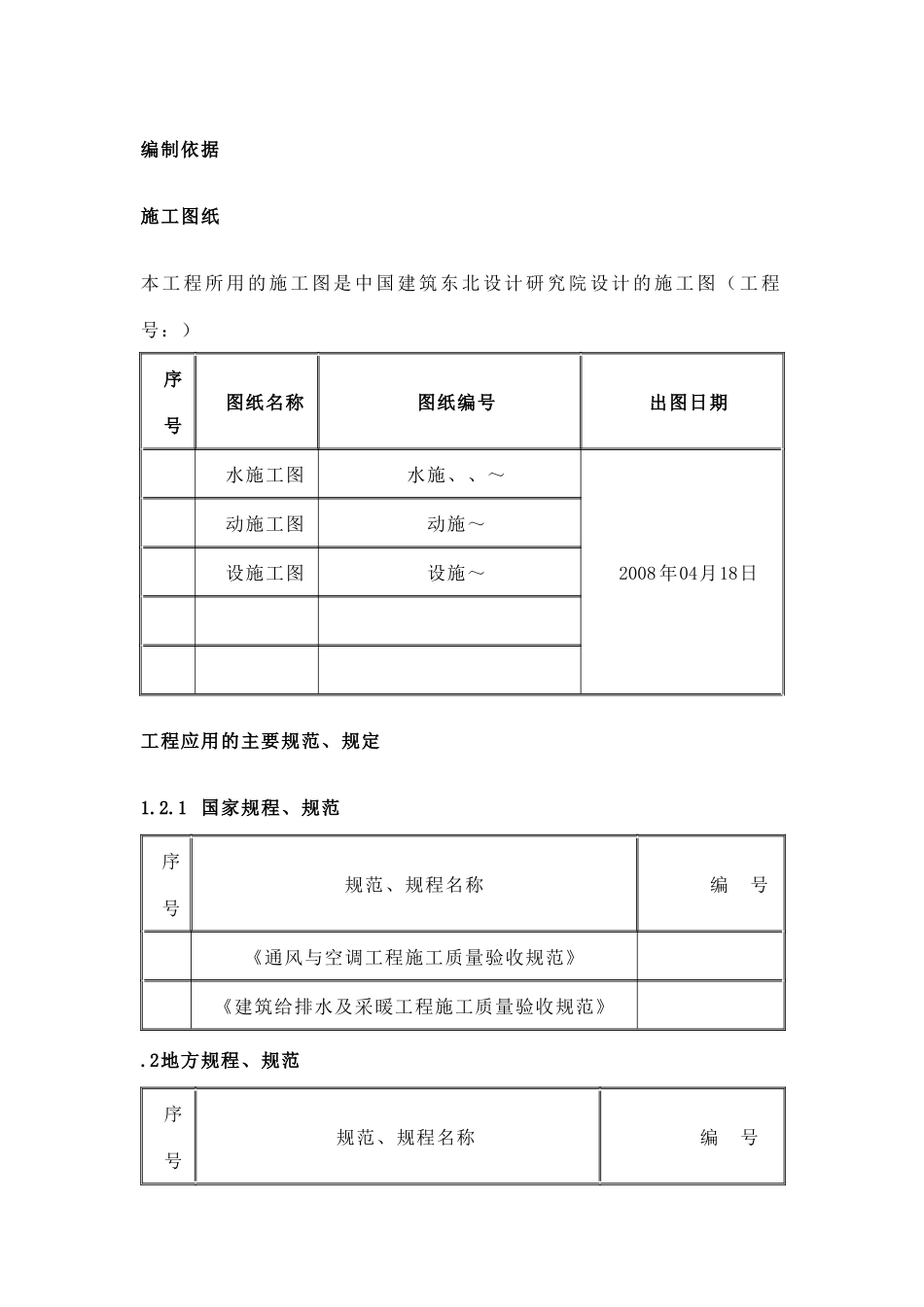
编制依据施工图纸本工程所用的施工图是中国建筑东北设计研究院设计的施工图(工程号:)序号图纸名称图纸编号出图日期水施工图水施、、~2008年04月18日动施工图动施~设施工图设施~工程应用的主要规范、规定1.2.1国家规程、规范序号规范、规程名称编号《通风与空调工程施工质量验收规范》《建筑给排水及采暖工程施工质量验收规范》.2地方规程、规范序号规范、规程名称编号《建筑工程施工质量验收实施细则》《建筑工程文件编制归档规程》《辽宁省建筑工程文件编制归档规程指南》主要图集序号类别图集名称编号国家给水设备安装(冷水部分)(一)国家给水设备安装(热水及开水设备)(二)国家排水设备及卫生器具安装国家室内给水排水管道及附件安装(一)(一)国家室内给水排水管道及附件安装(二)(二)工程概况工程概况序号项目内容工程名称沈阳新华国际金融中心工程地址沈阳市市府大路甲建设单位沈阳新华世纪房地产开发有限公司设计单位中国建筑东北设计研究院质量监督单位沈阳市沈河区质量监督站监理单位沈阳市建筑研究院工程师事务所施工总包单位北京城建国际建设有限公司勘察单位中冶沈勘工程技术有限公司建筑功能本工程期总建筑面积为平方米,地下二层,地上三十层,建筑物主体高度.地下一.二层为车库及设备用房。一层至五层为商场及餐饮娱乐,六层至三十层为酒店公寓。专业系统简介.1给水系统(1)生活日用水量:1552M.(期);空调补水量.(期)(2)由市政管网进入地下二层生活水泵房,再经变频给水泵分别供期商场及公寓低、中、高区的生活给水;(3)火炬大厦高低区生活水箱给水也由期地下二层泵房供给;(4)期冷却塔补水由地下二层泵房补水泵供给。(5)公寓部分热水由每户电热水器制备。2.2.2排水系统(1)生活排水量:1259M.(期);(2)地下室排水由污废水管道汇集到地下室积水坑,再经压力排水管道排到室外管网;(3)公寓部分污废水于管道夹层汇集后排出;(4)屋面设雨水斗汇集后排入室外雨水井;2.2.3中水系统地下二层设置中水处理站,处理后的中水供车库、浇撒绿地及冲洗道路。2.2.4采暖系统(1)期公寓部分(座、座)采用散热器采暖,采暖系统热媒采用60°C,热水由地下二层换热站提供热水,经竖井内立管送至每层每户。本建筑采暖面积热指标。()火炬大厦高低区供暖热水也由换热站提供。2.2.5空调风系统根据区域面积不同采用一次回风空调系统和风机盘管加新风系统,夏季送冷风,冬季送热风。地下一层车库外门设置电热风幕。2.2.6通风系统地下停车场采用机械送风及排风系统,平时送风及排风,冬季送热风。地下设备用房采用机械送风及排风系统,平时送风及排风,冬季送热风。2.2.7空调冷热源由设在地下二层的换热站和冷冻机房提供。给排水、暖通专业主要施工方法及技术措施管材、管路附件要求3.1.1给水系统(1)生活给水主干管(水表前)采用内筋嵌入式钢塑管,≤丝扣连接,>卡箍连接。(2)生活给水支管(水表后)采用管,热熔连接,管压力不小于。生活给水管材必须达到饮用水标准。.1.2排水系统(1)污废水管及通气管采用离心排水铸铁管,不锈钢卡箍或法兰连接;(2)室内雨水管采用内涂塑热镀锌钢管,卡箍连接;(3)地下室废水压力排水管采用内外壁热镀锌钢管,沟槽式卡箍连接。3.1.3中水系统(1)中水给水管采用内筋嵌入式钢塑管,≤丝扣连接;(2)中水机房设置在地下二层。.4采暖系统(1)采暖管道当公称直径≤时采用热镀锌钢管,螺纹连接,当公称直径<≤时采用无缝钢管,焊接连接,当公称直径>时采用螺旋焊接钢管,焊接连接。(2)采暖管道的分户管道采用塑铝稳态复合管道().管系列,热熔连接(3)散热器采用钢制柱式散热器,工作压力为,挂壁或落地安装。.5空调系统空调水管采用碳素钢管,≤的采用热镀锌钢管,螺纹联接,<≤的采用无缝钢管,焊接连接,>采用螺旋焊接钢管,焊接连接。.6通风系统(1)空调送风及排风系统风管采用厚镀锌钢板制作,采用法兰连接;(2)排风(烟)及排烟系统风管采用厚镀锌钢板制作,法兰衬垫采用厚阻燃型密封橡胶垫,风管吊装。()厨房排油烟管采用厚无缝连接不锈钢板,风管每部分的最低位装置排油阀.风管坡度为,坡向排气罩。.7阀门(1)...

1、当您付费下载文档后,您只拥有了使用权限,并不意味着购买了版权,文档只能用于自身使用,不得用于其他商业用途(如 [转卖]进行直接盈利或[编辑后售卖]进行间接盈利)。
2、本站所有内容均由合作方或网友上传,本站不对文档的完整性、权威性及其观点立场正确性做任何保证或承诺!文档内容仅供研究参考,付费前请自行鉴别。
3、如文档内容存在违规,或者侵犯商业秘密、侵犯著作权等,请点击“违规举报”。

碎片内容

新华国际金融中心暖通给排水专业施工组织设计方案

确认删除?
VIP
微信客服
  • 扫码咨询
会员Q群
  • 会员专属群点击这里加入QQ群
客服邮箱
回到顶部