电脑桌面
添加小米粒文库到电脑桌面
安装后可以在桌面快捷访问

多媒体嵌入式控制终端VIP免费

多媒体嵌入式控制终端_第1页
1/5
多媒体嵌入式控制终端_第2页
2/5
多媒体嵌入式控制终端_第3页
3/5
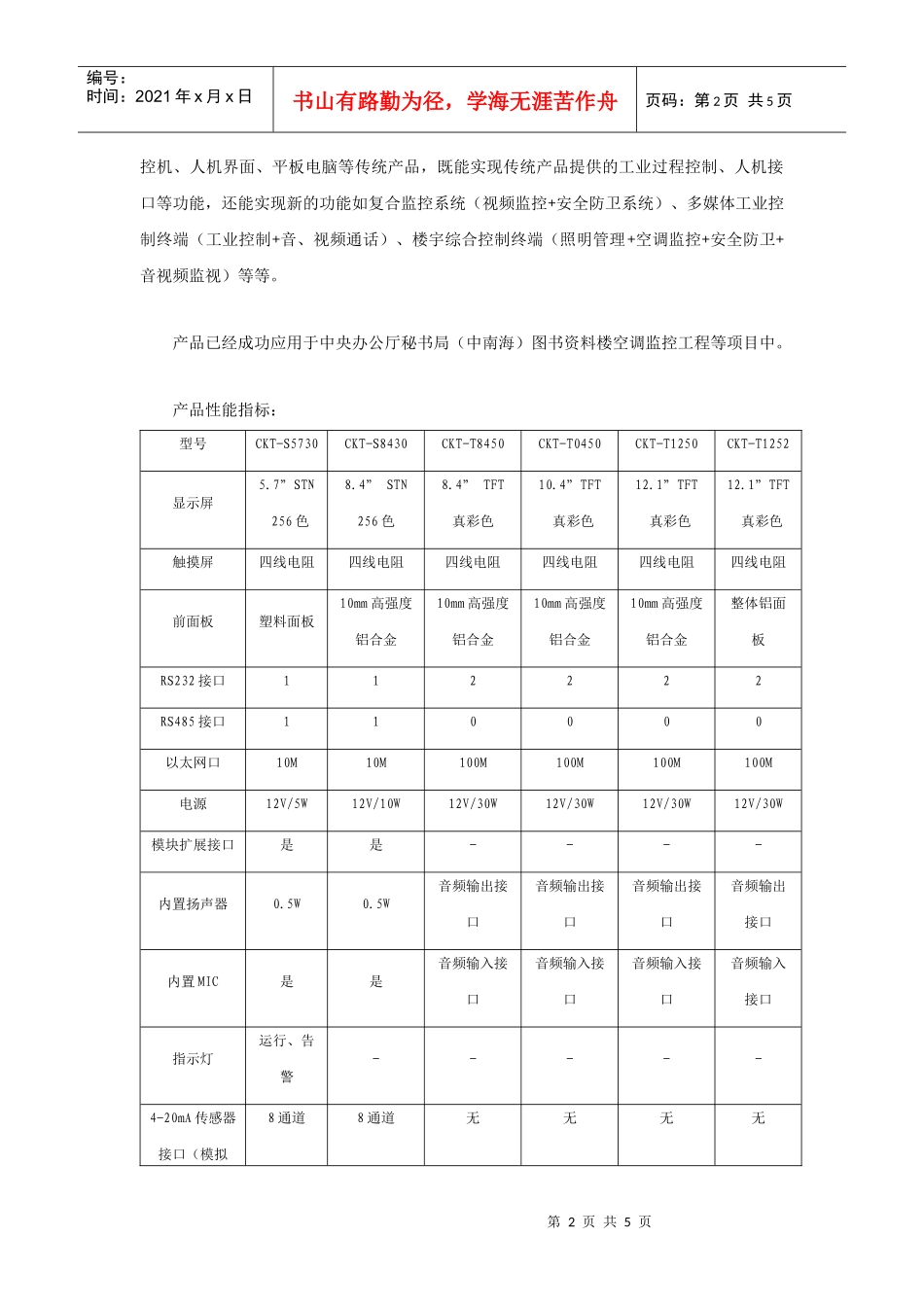
第1页共5页编号:时间:2021年x月x日书山有路勤为径,学海无涯苦作舟页码:第1页共5页多媒体嵌入式控制终端本产品是基于嵌入式系统的操作平台,可实现当前广泛使用的工控机、平板电脑、HMI(人机界面)等产品的功能,直接支持彩色触摸屏操作,更带有模拟量输入、开关量输出接口,支持音视频编解码、网络化传输,可直接搭建小型控制系统或作为安防、工控相关操作终端。目前国内类似产品基本都是基于WinTel结构的,也就是硬件上采用Intel公司系列处理器、软件上采用Windows系列操作系统。基于Windows的软件系统规模庞大、占用硬件资源多、稳定性差,而且要向微软公司支付操作系统授权费用,造成系统成本居高不下。Linux是后来居上的免费操作系统,长期以来在网络服务器方面的应用占据绝对主流,具有稳定性好、占用硬件资源低、可裁减、无需支付授权费用等特点。我们的产品采用嵌入式硬件平台和linux(或uClinux)操作系统,配合自主产权的嵌入式组态软件,为客户提供了一种功能更强大、系统成本更低、可靠性更强的选择。组态软件采用了嵌入式数据库技术,系统的功能通过Windows环境下的设计软件进行配置而无需编程,大大减少了应用系统的开发周期。业务数据存放在数据库中,为海量数据的管理、网络化操作提供了平台支持。硬件部分是基于嵌入式处理器的电脑平台,包括彩色触摸屏显示(5.7-12.1英寸)、以太网络接口及两个串行通信接口、8路模拟量输入、4路开关量输出、内置MIC和小型扬声器等外围设备,相当于一台特制的、小型化的个人计算机,功能上更强大,更适合工业、商业环境下应用。软件是跨平台的功能可组态软件,软件可以在windows、linux、uclinux等不同的操作系统下运行,功能可根据用户需求进行组态化定制。硬件和软件可以分别作为独立产品和其它软、硬件系统配合使用,也可以配套成为一个产品,配合其他设备和模块,可应用于楼宇自动化、安防、工控自动化等领域,取代工第2页共5页第1页共5页编号:时间:2021年x月x日书山有路勤为径,学海无涯苦作舟页码:第2页共5页控机、人机界面、平板电脑等传统产品,既能实现传统产品提供的工业过程控制、人机接口等功能,还能实现新的功能如复合监控系统(视频监控+安全防卫系统)、多媒体工业控制终端(工业控制+音、视频通话)、楼宇综合控制终端(照明管理+空调监控+安全防卫+音视频监视)等等。产品已经成功应用于中央办公厅秘书局(中南海)图书资料楼空调监控工程等项目中。产品性能指标:型号CKT-S5730CKT-S8430CKT-T8450CKT-T0450CKT-T1250CKT-T1252显示屏5.7”STN256色8.4”STN256色8.4”TFT真彩色10.4”TFT真彩色12.1”TFT真彩色12.1”TFT真彩色触摸屏四线电阻四线电阻四线电阻四线电阻四线电阻四线电阻前面板塑料面板10mm高强度铝合金10mm高强度铝合金10mm高强度铝合金10mm高强度铝合金整体铝面板RS232接口112222RS485接口110000以太网口10M10M100M100M100M100M电源12V/5W12V/10W12V/30W12V/30W12V/30W12V/30W模块扩展接口是是----内置扬声器0.5W0.5W音频输出接口音频输出接口音频输出接口音频输出接口内置MIC是是音频输入接口音频输入接口音频输入接口音频输入接口指示灯运行、告警-----4-20mA传感器接口(模拟8通道8通道无无无无第3页共5页第2页共5页编号:时间:2021年x月x日书山有路勤为径,学海无涯苦作舟页码:第3页共5页量)开关量OC输出4通道4通道无无无无安装嵌入式嵌入式或挂壁式嵌入式或挂壁式嵌入式或挂壁式嵌入式或挂壁式机架式模块扩展接口可配接本公司生产的配套扩展模块,用于扩展模拟量输入、开关量输入、输出等。通过通讯接口可以外接各种智能设备,用于智能设备的监控。也可以联接短信模块,实现远程报警功能。外形图片:CKT-S5730CKT-S8430CKT-T8450第4页共5页第3页共5页编号:时间:2021年x月x日书山有路勤为径,学海无涯苦作舟页码:第4页共5页CKT-T0450CKT-T1250CKT-T1252液晶一体化工作站(订制产品,规格另定)第5页共5页第4页共5页编号:时间:2021年x月x日书山有路勤为径,学海无涯苦作舟页码:第5页共5页本公司可协助系统设计,如有任何需求请与我们联系。北京驰控科技有限公司地址:北京市海淀区...

1、当您付费下载文档后,您只拥有了使用权限,并不意味着购买了版权,文档只能用于自身使用,不得用于其他商业用途(如 [转卖]进行直接盈利或[编辑后售卖]进行间接盈利)。
2、本站所有内容均由合作方或网友上传,本站不对文档的完整性、权威性及其观点立场正确性做任何保证或承诺!文档内容仅供研究参考,付费前请自行鉴别。
3、如文档内容存在违规,或者侵犯商业秘密、侵犯著作权等,请点击“违规举报”。

碎片内容

多媒体嵌入式控制终端

您可能关注的文档

确认删除?
VIP
微信客服
  • 扫码咨询
会员Q群
  • 会员专属群点击这里加入QQ群
客服邮箱
回到顶部