电脑桌面
添加小米粒文库到电脑桌面
安装后可以在桌面快捷访问

通风工程安全技术交底VIP免费

通风工程安全技术交底_第1页
1/1
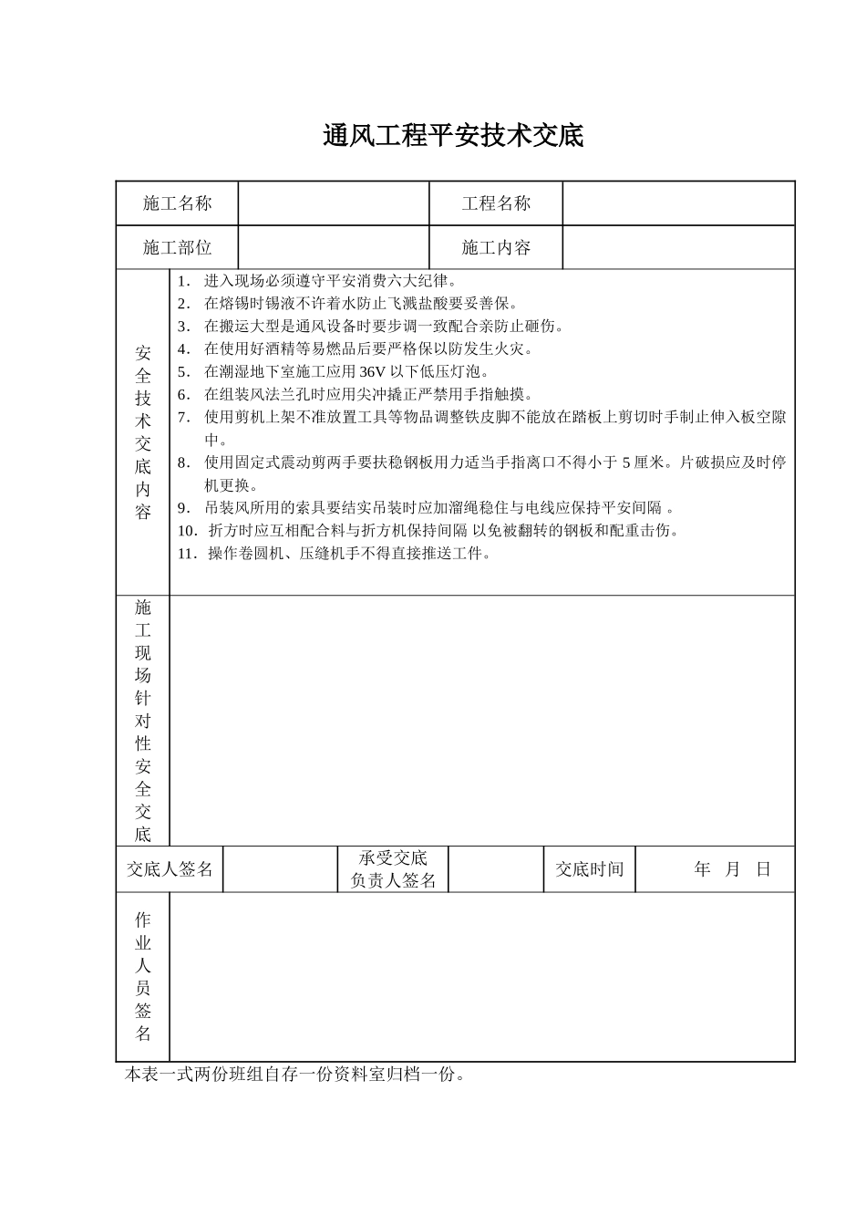
通风工程平安技术交底施工名称工程名称施工部位施工内容安全技术交底内容1.进入现场必须遵守平安消费六大纪律。2.在熔锡时锡液不许着水防止飞溅盐酸要妥善保。3.在搬运大型是通风设备时要步调一致配合亲防止砸伤。4.在使用好酒精等易燃品后要严格保以防发生火灾。5.在潮湿地下室施工应用36V以下低压灯泡。6.在组装风法兰孔时应用尖冲撬正严禁用手指触摸。7.使用剪机上架不准放置工具等物品调整铁皮脚不能放在踏板上剪切时手制止伸入板空隙中。8.使用固定式震动剪两手要扶稳钢板用力适当手指离口不得小于5厘米。片破损应及时停机更换。9.吊装风所用的索具要结实吊装时应加溜绳稳住与电线应保持平安间隔。10.折方时应互相配合料与折方机保持间隔以免被翻转的钢板和配重击伤。11.操作卷圆机、压缝机手不得直接推送工件。施工现场针对性安全交底交底人签名承受交底负责人签名交底时间年月日作业人员签名本表一式两份班组自存一份资料室归档一份。

1、当您付费下载文档后,您只拥有了使用权限,并不意味着购买了版权,文档只能用于自身使用,不得用于其他商业用途(如 [转卖]进行直接盈利或[编辑后售卖]进行间接盈利)。
2、本站所有内容均由合作方或网友上传,本站不对文档的完整性、权威性及其观点立场正确性做任何保证或承诺!文档内容仅供研究参考,付费前请自行鉴别。
3、如文档内容存在违规,或者侵犯商业秘密、侵犯著作权等,请点击“违规举报”。

碎片内容

通风工程安全技术交底

您可能关注的文档

确认删除?
VIP
微信客服
  • 扫码咨询
会员Q群
  • 会员专属群点击这里加入QQ群
客服邮箱
回到顶部