电脑桌面
添加小米粒文库到电脑桌面
安装后可以在桌面快捷访问

4类围岩洞身开挖施工方案(出口)VIP免费

4类围岩洞身开挖施工方案(出口)_第1页
1/15
4类围岩洞身开挖施工方案(出口)_第2页
2/15
4类围岩洞身开挖施工方案(出口)_第3页
3/15
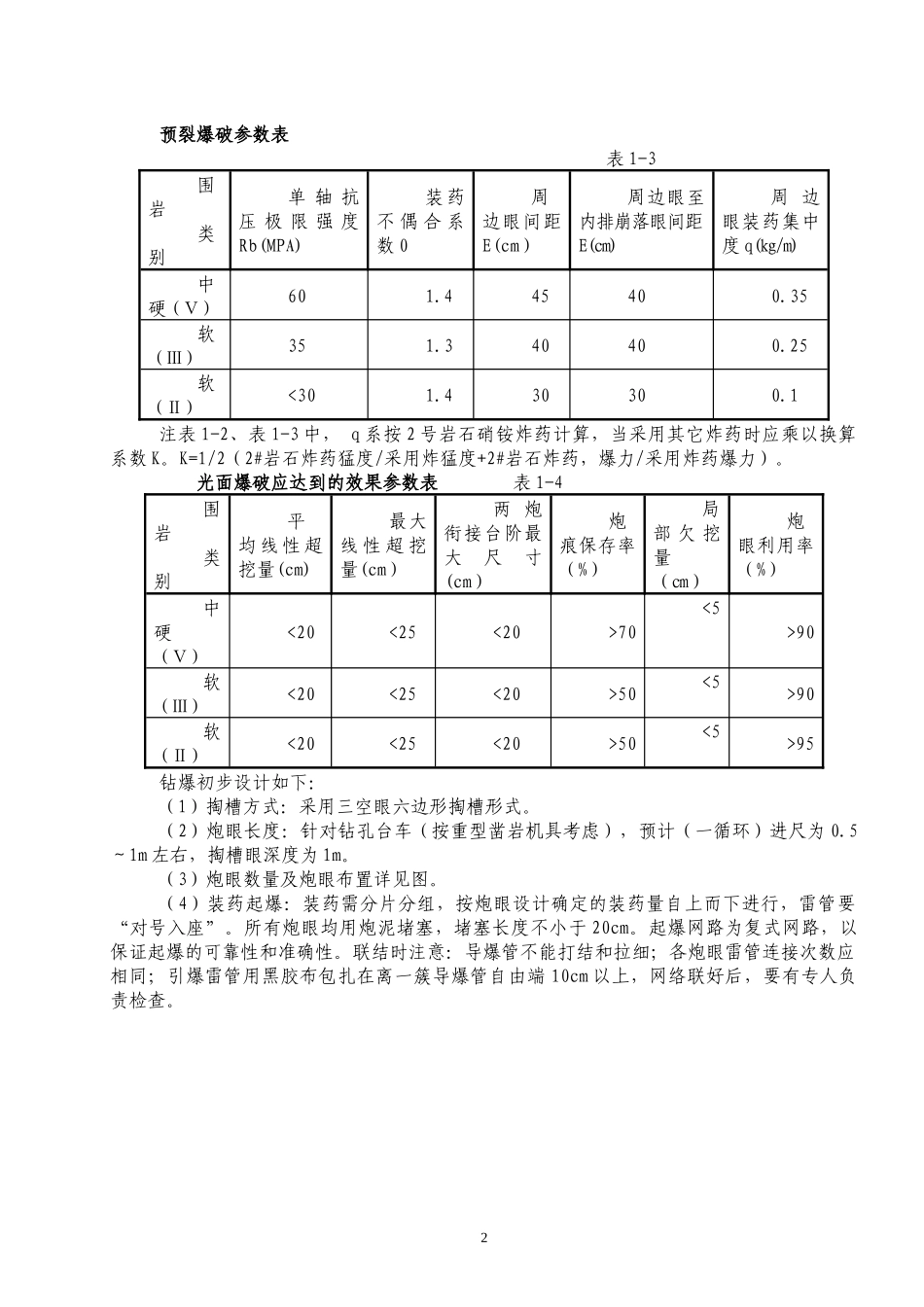
Ⅳ类围岩洞身开挖施工方案K36+270~K36+400段Ⅳ类围岩洞身开挖,计划开工日期为2011年10月28日,竣工日期为2011年11月28日。其施工方案如下:一、施工复测与放样1、施工恢复定线测量及施工放样是施工准备阶段的主要技术工作,根据设计图纸、监理工程师书面提供的各导线点、坐标及水准点标高进行复测,闭合后将复测资料交监理工程师审核。2、再根据监理工程师批准的定线数据进行施工放线。如现场地形有变化时,经监理工程师同意后,根据实际情况设置。3、施工前,根据设计图、施工工艺和有关规定恢复钉出具体位置桩。4、经过以上过程的准确放样后,提供放样数据及图表,报监理工程师审批。经批准后进行开挖。二、开挖施工工艺1.该施工里程范围内因石质坚硬,围岩稳定性好,故采用全断面光面爆破开挖。2.隧道进口段Ⅳ类围岩,采用工字钢架支撑1.2m/榀,中空锚杆采用注水泥浆固结,锚杆纵横间距为1.2m×1.2m,呈现梅花形布置。3.施工中应遵循“短开挖、弱爆破、强支护、勤测量、多循环、快衬砌”的原则。(一)防止超欠挖1、严格按新奥法原理组织施工,加强施工监控量测,用量测信息指导施工,及时反馈信息并采取相应的应急措施。2、施工开挖必须采用光面爆破技术,在Ⅳ类围岩中需爆破时,应采用微震光面爆破技术,尽可能减少超挖及减轻对周围岩层的振动和破坏。3、施工中应经常校对围岩类别,发现和设计提供不一致时,应及时调整爆破药量。4、在Ⅳ类围岩地段,施工中应注意防止坍塌,坚持先护后挖,随挖随支的原则、控制开挖进尺,及时施作各项支护,及早形成封闭结构、切不可使围岩长期暴露。5、通过经常培训方式提高业务人员的技术水平,特别是钻眼精度和爆破技术。(三)钻爆方案钻爆参数按施工图设计资料采用工程类比法进行设计,并与实际开挖暴露的围岩情况和爆破效果相对照,进行多次试爆,不断修改完善,以达到可见炮痕率不小于70%及断面超欠挖(除预留变形值外)符合技术规范要求的各项指标。光面爆破参数表表1-2围岩类别单轴抗压极限强度Rb(MPA)装药不偶合系数0周边眼间距E(cm)周边眼最小抵抗线W(cm)相对距E/W周边眼装药集中度q(kg/m)中硬(Ⅴ)601.960700.860.3软(Ⅲ)352.345600.750.15软(Ⅱ)<302.530400.750.081预裂爆破参数表表1-3围岩类别单轴抗压极限强度Rb(MPA)装药不偶合系数0周边眼间距E(cm)周边眼至内排崩落眼间距E(cm)周边眼装药集中度q(kg/m)中硬(Ⅴ)601.445400.35软(Ⅲ)351.340400.25软(Ⅱ)<301.430300.1注表1-2、表1-3中,q系按2号岩石硝铵炸药计算,当采用其它炸药时应乘以换算系数K。K=1/2(2#岩石炸药猛度/采用炸猛度+2#岩石炸药,爆力/采用炸药爆力)。光面爆破应达到的效果参数表表1-4围岩类别平均线性超挖量(cm)最大线性超挖量(cm)两炮衔接台阶最大尺寸(cm)炮痕保存率(%)局部欠挖量(cm)炮眼利用率(%)中硬(Ⅴ)<20<25<20>70<5>90软(Ⅲ)<20<25<20>50<5>90软(Ⅱ)<20<25<20>50<5>95钻爆初步设计如下:(1)掏槽方式:采用三空眼六边形掏槽形式。(2)炮眼长度:针对钻孔台车(按重型凿岩机具考虑),预计(一循环)进尺为0.5~1m左右,掏槽眼深度为1m。(3)炮眼数量及炮眼布置详见图。(4)装药起爆:装药需分片分组,按炮眼设计确定的装药量自上而下进行,雷管要“对号入座”。所有炮眼均用炮泥堵塞,堵塞长度不小于20cm。起爆网路为复式网路,以保证起爆的可靠性和准确性。联结时注意:导爆管不能打结和拉细;各炮眼雷管连接次数应相同;引爆雷管用黑胶布包扎在离一簇导爆管自由端10cm以上,网络联好后,要有专人负责检查。23光面爆破施工工艺流程图(四)装渣运输1.施工机具、机械设备配置出渣采用装载机装碴,2辆5T东风自卸汽车运渣。2.出渣调度安排洞内开挖时,出渣运输过程中在洞内安排2辆车,1辆装渣,1辆等待;洞外1台驶往弃渣场,1台在洞口等待。形成快速装运出渣线。3.装渣运输循环时间钻孔台车钻爆,每循环进尺4m,开挖量按平均80m3/m计算,考虑松散系数1.3,出渣量416m3,沃尔沃自卸车容量按15m3计,约需要30车运完,按1台装载机装4台自卸车计,约需8趟出完渣。装渣与运输比较,运输速度为时间控制点,按每循环车辆运...

1、当您付费下载文档后,您只拥有了使用权限,并不意味着购买了版权,文档只能用于自身使用,不得用于其他商业用途(如 [转卖]进行直接盈利或[编辑后售卖]进行间接盈利)。
2、本站所有内容均由合作方或网友上传,本站不对文档的完整性、权威性及其观点立场正确性做任何保证或承诺!文档内容仅供研究参考,付费前请自行鉴别。
3、如文档内容存在违规,或者侵犯商业秘密、侵犯著作权等,请点击“违规举报”。

碎片内容

4类围岩洞身开挖施工方案(出口)

您可能关注的文档

确认删除?
VIP
微信客服
  • 扫码咨询
会员Q群
  • 会员专属群点击这里加入QQ群
客服邮箱
回到顶部