电脑桌面
添加小米粒文库到电脑桌面
安装后可以在桌面快捷访问

市政道路管道吊装施工方案VIP免费

市政道路管道吊装施工方案_第1页
1/8
市政道路管道吊装施工方案_第2页
2/8
市政道路管道吊装施工方案_第3页
3/8
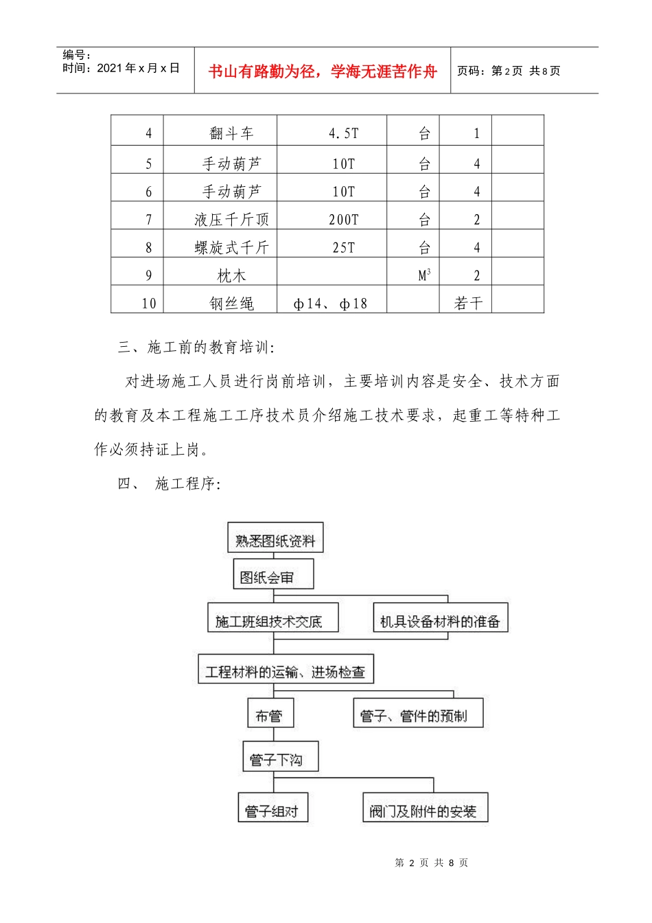
第1页共8页编号:时间:2021年x月x日书山有路勤为径,学海无涯苦作舟页码:第1页共8页一、施工依据:1、施工依据:根据施工现场实际情况,我公司与甲方签的工程承包合同及相关技术规范。二、施工前的准备:1、施工技术组织:施工前,先对施工合同、现场实际情况、技术规范等进行熟悉,对于施工工序不明白的地方,待进行技术交底时提出解决。2、施工场地的安排及施工机具的准备:(1)、施工场地的安排:由于此工程处于交通要道旁,施工区域狭小,且车流量大,再加上施工难度较大,为减少对交通的影响,采用分段分次吊装,吊装时设2个交通安全指挥人员,施工范围内设安全围挡,摆放安全指示牌,吊车、挖土机停放沟边。(2)、施工机具设备的组织:本工程对于大型设备应采用专人、专项管理,工具设备一览表见附表:序机具名称型号规格单数备1汽车吊25T台12挖土机WY220A台23卡车CA14153台1第2页共8页第1页共8页编号:时间:2021年x月x日书山有路勤为径,学海无涯苦作舟页码:第2页共8页4翻斗车4.5T台15手动葫芦10T台46手动葫芦10T台47液压千斤顶200T台28螺旋式千斤25T台49枕木M3210钢丝绳ф14、ф18若干三、施工前的教育培训:对进场施工人员进行岗前培训,主要培训内容是安全、技术方面的教育及本工程施工工序技术员介绍施工技术要求,起重工等特种工作必须持证上岗。四、施工程序:管座浇筑第3页共8页第2页共8页编号:时间:2021年x月x日书山有路勤为径,学海无涯苦作舟页码:第3页共8页五、施工安全管理机构安全管理小组组长:XX副组长:XX组员:XX、XX、XX、XX、XXX、XX、XX六、施工技术要求及注意事项:1、吊车的选择汽车吊理论吨位乘以3,再除以你要掉的重量能得出距离,除以距离能得出重量,但是吊车的实际能力达不到计算出来的结果,还要把主臂的重量和吊钩的重量算上。2、吊装方法及钢丝绳的选用根据管道重量的计算,捆绑管子时选用绳索兜底平吊法采用绳索兜底平吊法时,吊绳与管子的夹角不宜过小,一般夹角应大于45°为宜。钢丝绳的选用应根据其有效破断拉力Pp来确定,若钢丝绳的有效破段拉力Pp小于钢丝绳破断拉力总和∑P,那么钢丝绳就可以选用。第4页共8页第3页共8页编号:时间:2021年x月x日书山有路勤为径,学海无涯苦作舟页码:第4页共8页在施工现场中,钢丝绳的有效破断拉力可由下面的经验公式进行估算:Cd2=FF:最大破坏拉力单位Kg,d:直径单位mm最大破坏拉力F=(16250/4)*3=12188Kg即:钢丝绳的直径为:d=(F/C)1/2=(12188/55)1/2=15mm注:C:取55~50倍。选用ф15mm钢丝绳3、管道下沟方法:本段25T吊车下管时采用分段式下管,即将管一节一节分别吊起后下入沟槽内组对。如下图所示:第5页共8页第4页共8页编号:时间:2021年x月x日书山有路勤为径,学海无涯苦作舟页码:第5页共8页4、注意事项:(1)、管子装御的注意事项:进场的管子应堆放在平整的地方,不同类别和不同规格的管子要分开堆放,跺与跺之间要留有通道。预应力混凝土管应用垫木垫起,每层管子之间的垫木必须上下对齐在一条直线上,每根管子的两块垫木间距离为0.6倍的管子长度,堆放高度为1层。(2)、下管的注意事项①、吊车沿沟槽开行距沟边应间隔1M的距离,以避免沟壁坍塌;②、吊车不得在架空输电线路下作业,在架空线路附近作业时,其安全距离应符合当地电业管理部门的规定。③、吊装时管段和管件其外形尺寸和防腐已完全符合要求后才可进行下沟。④、所吊装的管段或组合件的重量应与起重工具相适应;绑扎点应确能承受其负荷。起吊时应按重心位置正确地绑扎绳扣,保证起吊平稳。⑤、已吊装的管段应马上进行调整连接,不允许长期处于临时固定状态。⑥、为避免吊装机具的往返般动,下管时应顺次逐段吊装,即将一段全部吊装完毕后,再将吊装机具般至下一段进行吊装。第6页共8页第5页共8页编号:时间:2021年x月x日书山有路勤为径,学海无涯苦作舟页码:第6页共8页(3)周边管道保护管道起吊及下管时,为防止管道旋转及脱落碰撞到周边的水管及电缆,在挡墙上用钢管搭设隔离防护架,以保护周边管线不受损坏。(4)管道的运输管道采用专用平板卡车运输,用葫芦固定,保证运输过程中共的安全。七、质量安全控...

1、当您付费下载文档后,您只拥有了使用权限,并不意味着购买了版权,文档只能用于自身使用,不得用于其他商业用途(如 [转卖]进行直接盈利或[编辑后售卖]进行间接盈利)。
2、本站所有内容均由合作方或网友上传,本站不对文档的完整性、权威性及其观点立场正确性做任何保证或承诺!文档内容仅供研究参考,付费前请自行鉴别。
3、如文档内容存在违规,或者侵犯商业秘密、侵犯著作权等,请点击“违规举报”。

碎片内容

市政道路管道吊装施工方案

确认删除?
VIP
微信客服
  • 扫码咨询
会员Q群
  • 会员专属群点击这里加入QQ群
客服邮箱
回到顶部