电脑桌面
添加小米粒文库到电脑桌面
安装后可以在桌面快捷访问

数字电子技术04试卷试题下载-样卷VIP免费

数字电子技术04试卷试题下载-样卷_第1页
1/8
数字电子技术04试卷试题下载-样卷_第2页
2/8
数字电子技术04试卷试题下载-样卷_第3页
3/8
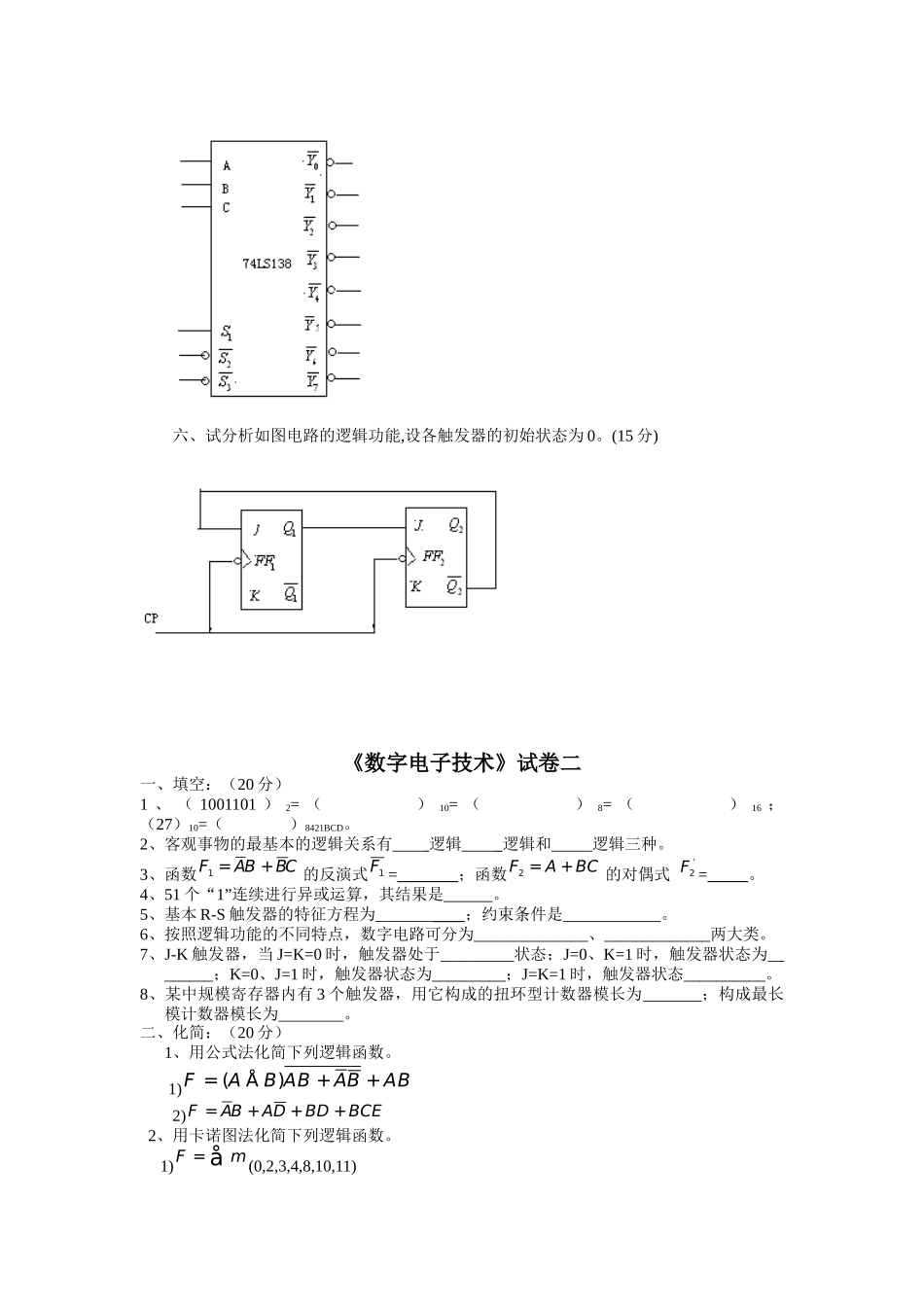
数字电子技术04试卷试题下载-样卷.doc《数字电子技术》试卷一一、填空:(25分)1、(10110)2=()10=()16(28)10=()2=()16(56)10=()8421BCD2、最基本的门电路是:、、。3、有N个变量组成的最小项有个。4、基本RS触发器的特征方程为_______,约束条件是__.5、若存储器的容量是256×4RAM,该RAM有___存储单元,有字,字长_____位,地址线根。6、用N位移位寄存器构成的扭环形计数器的模是________.7、若令JK触发器的J=K=T则构成的触发器为_______.7、如图所示,Y=。9、如图所示逻辑电路的输出Y=。10、已知Y=,则=,Y/=。11、组合逻辑电路的特点是_________、___________;与组合逻辑电路相比,时序逻辑电路的输出不仅仅取决于此刻的_______;还与电路有关。二、化简(20分)1、公式化简(1)Y=(2)2、用卡诺图法化简下列逻辑函数(1)DACBCBAYABCABCBCBCAYABCABCYBCDBCACDABD(2)三、设下列各触发器初始状态为0,试画出在CP作用下触发器的输出波形(10分)四、用74LS161四位二进制计数器实现十进制计数器。(15分)五、某汽车驾驶员培训班结业考试,有三名评判员,其中A为主评判员,B、C为副评判员,评判时,按照少数服从多数原则,但若主评判员认为合格也可以通过。试用74LS138和与非门实现此功能的逻辑电路。(15分)PQAQBQCQDCT74LS161LDCPABCDCrQA、QB、QC、QD:数据输出端;A、B、C、D:数据输入端;P、T:计数选通端;:异步复位端;CP:时钟控制输入端;:同步并置数控制端;C:位输出端;(1,3,4,9,11,12,14,15)(5,6,7,13)mdYrCrCDL六、试分析如图电路的逻辑功能,设各触发器的初始状态为0。(15分)《数字电子技术》试卷二一、填空:(20分)1、(1001101)2=()10=()8=()16;(27)10=()8421BCD。2、客观事物的最基本的逻辑关系有____逻辑____逻辑和_____逻辑三种。3、函数的反演式=;函数的对偶式=。4、51个“1”连续进行异或运算,其结果是。5、基本R-S触发器的特征方程为_______;约束条件是。6、按照逻辑功能的不同特点,数字电路可分为______________、_____________两大类。7、J-K触发器,当J=K=0时,触发器处于_________状态;J=0、K=1时,触发器状态为________;K=0、J=1时,触发器状态为_________;J=K=1时,触发器状态__________。8、某中规模寄存器内有3个触发器,用它构成的扭环型计数器模长为;构成最长模计数器模长为。二、化简:(20分)1、用公式法化简下列逻辑函数。1)2)2、用卡诺图法化简下列逻辑函数。1)(0,2,3,4,8,10,11)1FABBC=+1F2FABC=+'2F()FABABABAB=Å++FABADBDBCE=+++Fm=å2)(0,1,4,9,12,)(2,3,6,10,11,14)三、设计一个三变量判偶电路,当输入变量A,B,C中有偶数个1时,其输出为1;否则输出为0。并用3/8线译码器(74LS138)和适当门电路实现。(16分)四、如下图所示维持阻塞D触发器,设初态为0。根据CP脉冲及A输入波形画出Q波形。(8分)五、用74LS161构成六进制计数器,用两种方法实现,并画出状态图。74LS161的功能表如下所示。(16分)六、试分析下图的逻辑电路,写出电路的驱动方程、状态方程、列出状态转换真值表、画出状态转换图,说明电路的逻辑功能。(20分)Fm=åd+å《数字电子技术》试卷三一、填空题(30分每空2分)1.二极管内含PN结,PN结在导电性能上最大特点是____________________________________________________.2.TTL电路和CMOS电路相比较明显的特点是,工作速度上___________________________________________________,功耗上_________________________________________。3.A/D转换是将模拟信号转换为数字信号,转换过程有_____________,_______________,_________________,__________.4.要表达一个逻辑函数通常有_______________,_____________,________________,__________,_______________等常见的方法。5.组合逻辑电路中容易产生竞争冒险,消除竞争冒险的方法有_________________,___________________,___________________。二.画图题(10分)1.画出如图所示理想二极管电路的输出电压波形(4分)ui10V0t0t0t2.画出如图所示施密特电路的对应输出波形(6分)u...

1、当您付费下载文档后,您只拥有了使用权限,并不意味着购买了版权,文档只能用于自身使用,不得用于其他商业用途(如 [转卖]进行直接盈利或[编辑后售卖]进行间接盈利)。
2、本站所有内容均由合作方或网友上传,本站不对文档的完整性、权威性及其观点立场正确性做任何保证或承诺!文档内容仅供研究参考,付费前请自行鉴别。
3、如文档内容存在违规,或者侵犯商业秘密、侵犯著作权等,请点击“违规举报”。

碎片内容

数字电子技术04试卷试题下载-样卷

您可能关注的文档

确认删除?
VIP
微信客服
  • 扫码咨询
会员Q群
  • 会员专属群点击这里加入QQ群
客服邮箱
回到顶部