电脑桌面
添加小米粒文库到电脑桌面
安装后可以在桌面快捷访问

建设工程检测公司技术人员业绩档案VIP免费

建设工程检测公司技术人员业绩档案_第1页
1/9
建设工程检测公司技术人员业绩档案_第2页
2/9
建设工程检测公司技术人员业绩档案_第3页
3/9
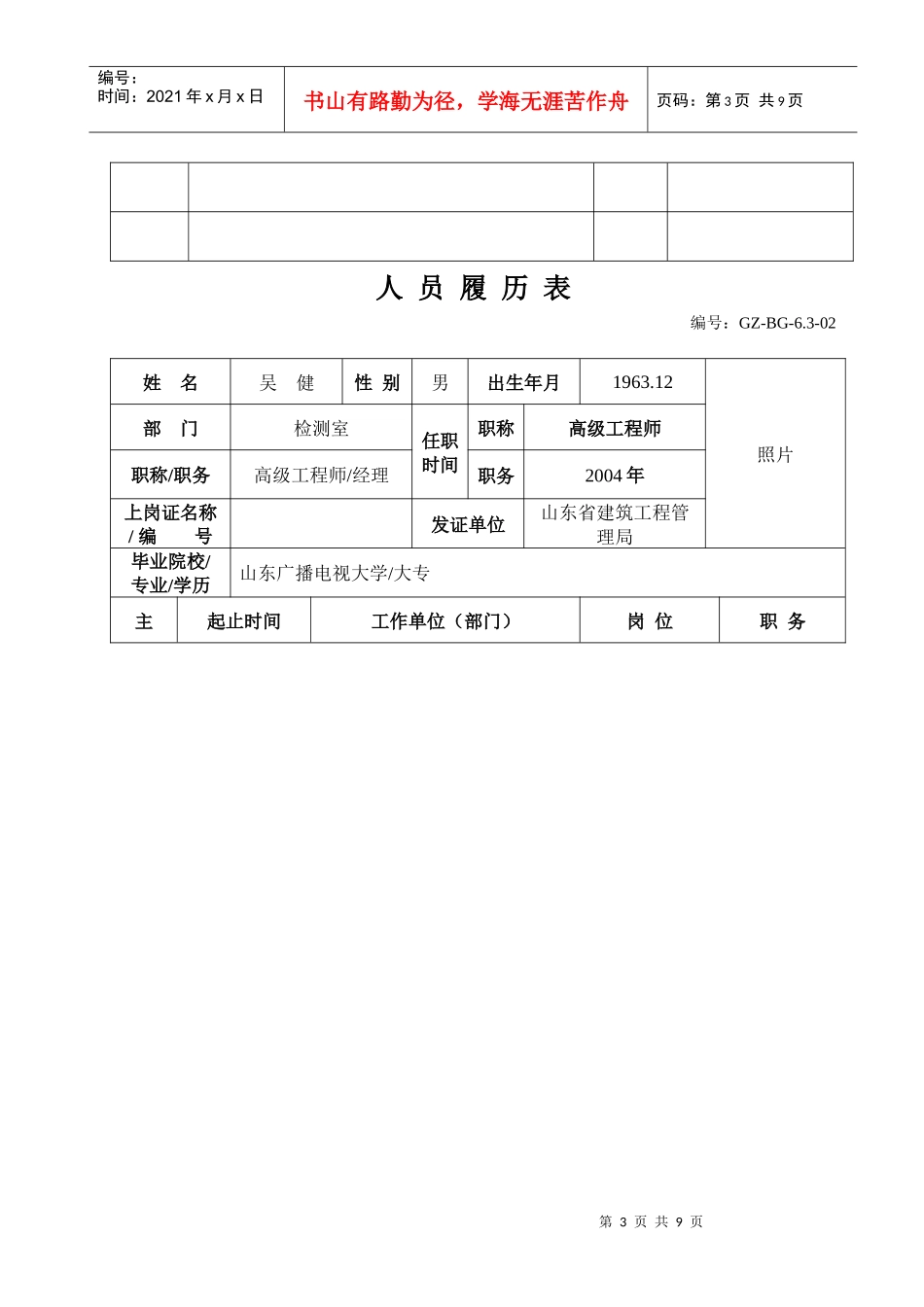
第1页共9页编号:时间:2021年x月x日书山有路勤为径,学海无涯苦作舟页码:第1页共9页技术人员业绩档案编号:GZ-6.3-01姓名:吴健建档日期:2004.09.16威海市远鸿建设工程检测有限公司第2页共9页第1页共9页编号:时间:2021年x月x日书山有路勤为径,学海无涯苦作舟页码:第2页共9页技术人员业绩档案目录GZ-BG-6.3-01序号档案项目数量备注1人员履历表2授权文件记录3授权文件4技术人员业绩证明一览表5试验员上岗资格证书6职称资格证、聘任证7最后毕业学历证书8其他毕业、结业或培训证书9培训记录表10考核记录表第3页共9页第2页共9页编号:时间:2021年x月x日书山有路勤为径,学海无涯苦作舟页码:第3页共9页人员履历表编号:GZ-BG-6.3-02姓名吴健性别男出生年月1963.12照片部门检测室任职时间职称高级工程师职称/职务高级工程师/经理职务2004年上岗证名称/编号发证单位山东省建筑工程管理局毕业院校/专业/学历山东广播电视大学/大专主起止时间工作单位(部门)岗位职务第4页共9页第3页共9页编号:时间:2021年x月x日书山有路勤为径,学海无涯苦作舟页码:第4页共9页要工作经历1984.9-1987.72004.09~2009.062009.06至今山东山东广播电视大学威海市巨鲨地产有限公司威海市远鸿建设工程检测有限公司信息管理员试验员职员职员人员授权文件记录编号:GZ-BG-6.3-03日期授权工作岗位批准人备注2004.9.26技术负责人兼经理第5页共9页第4页共9页编号:时间:2021年x月x日书山有路勤为径,学海无涯苦作舟页码:第5页共9页技术人员业绩证明一览表编号:GZ-BG-6.3-04项目证件、证明名称证件、证明发放单位发证日期编号数量备注第6页共9页第5页共9页编号:时间:2021年x月x日书山有路勤为径,学海无涯苦作舟页码:第6页共9页能力情况证明培训情况证明技能证明任职资格证明其它各种获奖证明论文译著等第7页共9页第6页共9页编号:时间:2021年x月x日书山有路勤为径,学海无涯苦作舟页码:第7页共9页培训记录表编号:GZ-BG-6.3-05培训内容培训单位培训时间培训结果第8页共9页第7页共9页编号:时间:2021年x月x日书山有路勤为径,学海无涯苦作舟页码:第8页共9页考核记录表编号:GZ-BG-6.3-06考核内容考核单位考核时间考核结果第9页共9页第8页共9页编号:时间:2021年x月x日书山有路勤为径,学海无涯苦作舟页码:第9页共9页

1、当您付费下载文档后,您只拥有了使用权限,并不意味着购买了版权,文档只能用于自身使用,不得用于其他商业用途(如 [转卖]进行直接盈利或[编辑后售卖]进行间接盈利)。
2、本站所有内容均由合作方或网友上传,本站不对文档的完整性、权威性及其观点立场正确性做任何保证或承诺!文档内容仅供研究参考,付费前请自行鉴别。
3、如文档内容存在违规,或者侵犯商业秘密、侵犯著作权等,请点击“违规举报”。

碎片内容

建设工程检测公司技术人员业绩档案

确认删除?
VIP
微信客服
  • 扫码咨询
会员Q群
  • 会员专属群点击这里加入QQ群
客服邮箱
回到顶部