电脑桌面
添加小米粒文库到电脑桌面
安装后可以在桌面快捷访问

北京消费者测试报告A-未装修VIP免费

北京消费者测试报告A-未装修_第1页
1/16
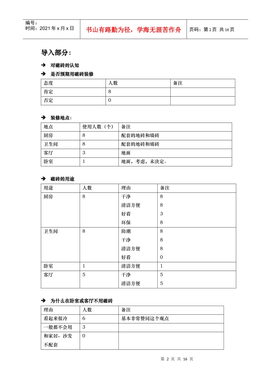
北京消费者测试报告A-未装修_第2页
2/16
北京消费者测试报告A-未装修_第3页
3/16
第1页共16页编号:时间:2021年x月x日书山有路勤为径,学海无涯苦作舟页码:第1页共16页诺贝尔磁砖产品北京地区A组(未装修)消费者测试报告主持人:蒋云飞记录员:翁析涛其他参会人:夏经理、协和陶瓷北京地区经理地点:北京市东城区东四北大街107号天海商务大厦A座521室时间:2003年3月18日18:15-20:30研究方法:定性座谈会研究小组定义:A组(购房并准备3月内装修)范围:北京目标受访者:已经过甄选受访者个人基本信息:编号姓名性别年龄职业描述家庭收入(月均)欲购买品牌去过的建材超市房产状况欲购房产价格(元/平米)A徐国斌男29经理10000以上亚细亚大钟寺,居然之家,家世界崇文富贵园8000B王淑芝女38主管8000-10000马可波罗城外诚、丽泽、玉泉营西城汇丰园7800C钟华男35经理8000-10000冠军城外诚、十里河、居然、洋桥建材市场丰台世纪之星8000D李静女42主管8000-10000诺贝尔熊猫环岛、居然之家、城外诚朝阳双花园7200E马淑娟女39办公室主任8000-10000冠军居然之间、环三环、丽泽、城外诚朝阳柏林爱乐7000+F胡开济男26财务总监8000-10000诺贝尔建材经贸大厦、环三环、城外诚东城雍和家园7300G谢文漪女39股东10000+亚细亚城外诚、家世界、环三环海淀颐园居7000+F张琪男256办公室职员10000+马可波罗集美、家世界、爱家、城外诚;朝阳和平家园8000第2页共16页第1页共16页编号:时间:2021年x月x日书山有路勤为径,学海无涯苦作舟页码:第2页共16页导入部分:对磁砖的认知是否预期用磁砖装修态度人数备注肯定8否定0装修地点:地点使用人数(个)备注厨房8配套的地砖和墙砖卫生间8配套的地砖和墙砖客厅3地面卧室1地面,考虑,未决定。磁砖的用途用途人数理由备注厨房8干净清洁方便好看环保8838卫生间8防潮干净清洁方便好看8880卧室1清洁方便1客厅5干净清洁方便55为什么在卧室或客厅不用磁砖理由人数备注看起来很冷6基本非常赞同这个观点一般都不会用3和家居、沙发不配套0第3页共16页第2页共16页编号:时间:2021年x月x日书山有路勤为径,学海无涯苦作舟页码:第3页共16页没有温馨感0好像是在宾馆,不像家0二.对磁砖的认知与看法家庭用磁砖的使用年限有多长年限人数理由备注10年以上没有年限5年2-3年怎样判断磁砖的质量好坏判断依据人数备注建材市场看实物8根据光亮度、尺寸和导购的介绍装潢公司提供材料或推荐5亲朋好友咨询3怎样保养清洁磁砖方法人数备注不用特别保养5只要不用硬物擦洗就可以没听说过3在走访磁砖市场中知道哪些品牌品牌名称人数备注红协2诺贝尔5小蜜蜂3亚细亚4大罗马4小罗马4冠军4第4页共16页第3页共16页编号:时间:2021年x月x日书山有路勤为径,学海无涯苦作舟页码:第4页共16页东陶1马可波罗2对所提及的磁砖品牌进行归类品牌名称档次人数备注冠军高档5提及,但区分模糊诺贝尔高档6提及,但区分模糊亚细亚高档6提及,但区分模糊小蜜蜂高档3国外进口,复古型为主罗马中高档2马可波罗中高档2红协中高档1小结:1、磁砖的用途集中在厨房与卫生间,包括墙砖和地砖2、对磁砖质量的基本判断是要求环保,对人体无害,同时经久耐用,对于磁砖的物理与化学特性不太了解,凭现场观察、导购介绍和磁砖的光亮度判断质量的好坏3、对磁砖的保养没有在意识上形成概念4、对中、高档品牌磁砖的区分认识不深购买磁砖的关键性决定因素在购买磁砖时主要考虑的因素考虑因素重要程度人数重要程度人数品牌第一4第二3花色第一6第二0规格第一3第二2价格第一3第二3颜色第一5第二0釉面第一2第二0质量第一6第二0小结:将质量、颜色和花色列为最重要的因素相对集中,其他因素的重视程度相对较弱第5页共16页第4页共16页编号:时间:2021年x月x日书山有路勤为径,学海无涯苦作舟页码:第5页共16页三:对诺贝尔磁砖的认知与看法诺贝尔磁砖在消费者心目中的印象诺贝尔企业和产品在消费者心目中的印象是否看过诺贝尔的广告态度人数备注看过3记得大象和相扑的广告没看过5认为磁砖广告很少描述诺贝尔的企业形象和品牌感觉描述人数备注中外合资企业生产4基本从名称判定法国企业生产0国外进口产品0高档产品2欧洲品牌0诺贝尔磁砖在消费者心目中的印...

1、当您付费下载文档后,您只拥有了使用权限,并不意味着购买了版权,文档只能用于自身使用,不得用于其他商业用途(如 [转卖]进行直接盈利或[编辑后售卖]进行间接盈利)。
2、本站所有内容均由合作方或网友上传,本站不对文档的完整性、权威性及其观点立场正确性做任何保证或承诺!文档内容仅供研究参考,付费前请自行鉴别。
3、如文档内容存在违规,或者侵犯商业秘密、侵犯著作权等,请点击“违规举报”。

碎片内容

北京消费者测试报告A-未装修

您可能关注的文档

确认删除?
VIP
微信客服
  • 扫码咨询
会员Q群
  • 会员专属群点击这里加入QQ群
客服邮箱
回到顶部