电脑桌面
添加小米粒文库到电脑桌面
安装后可以在桌面快捷访问

售后维修部表格VIP免费

售后维修部表格_第1页
1/4
售后维修部表格_第2页
2/4
售后维修部表格_第3页
3/4
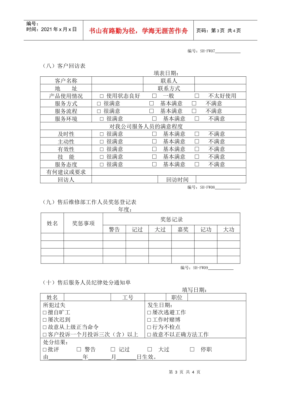
第1页共4页编号:时间:2021年x月x日书山有路勤为径,学海无涯苦作舟页码:第1页共4页(一)售后服务登记表填表日期:客户名称地址电话传真联系人电子邮件产品名称、型号故障/原因服务项目客户确定/意见备注□保修期内□已过保修期□其它编号:SH-FW01(二)售后跟踪服务表日期:购买日期姓名品名、规格保修卡号使用情况单位地址、电话编号:SH-FW02(三)产品检修表客户名称联系方式产品名称/型号检修人/日期检修结果需更换的零件(注明价格)第2页共4页第1页共4页编号:时间:2021年x月x日书山有路勤为径,学海无涯苦作舟页码:第2页共4页备注□保修期内□已过保修期□其它编号:SH-FW03(四)客户投诉登记表投诉种类:填表日期:客户名称电话客户地址受理日期服务项目服务时间客户要求处理意见制表人部门经理编号:SH-FW04(五)客户投诉月统计表投诉日期客户名称品名规格投诉内容维修日期维修人处理方式损失金额备注返修退货折价编号:SH-FW05(六)客户呼入记录表呼入客户名称电话呼入时间呼入内容名称/型号故障/原因备注□保修期内□已过保修期□其它记录员完成情况□已通知□其它编号:SH-FW06(七)客户呼出电话记录表呼出者呼出时间客户名称电话呼出内容处理意见备注第3页共4页第2页共4页编号:时间:2021年x月x日书山有路勤为径,学海无涯苦作舟页码:第3页共4页编号:SH-FW07(八)客户回访表填表日期:客户名称联系人地址联系方式产品使用情况□使用状态良好□一般□不太好使用服务方式□很满意□基本满意□不满意服务流程□很满意□基本满意□不满意服务环境□很满意□基本满意□不满意对我公司服务人员的满意程度及时性□很满意□基本满意□不满意主动性□很满意□基本满意□不满意有效性□很满意□基本满意□不满意技能□很满意□基本满意□不满意服务态度□很满意□基本满意□不满意有何建议或要求回访人回访时间编号:SH-FW08(九)售后维修部工作人员奖惩登记表年度:姓名奖惩事项奖惩记录警告记过大过嘉奖记功大功编号:SH-FW09(十)售后服务人员纪律处分通知单填写日期:姓名工号职位所犯过失□擅自旷工□屡次迟到□故意从上级正当命令□客户投诉一个月投诉三次(含)以上发生日期:□屡次逃避工作□工作时赌博□行为不检点□故意不以正确方法工作处分结果:□批评□警告□记过□大过□停职由年月日生效。第4页共4页第3页共4页编号:时间:2021年x月x日书山有路勤为径,学海无涯苦作舟页码:第4页共4页备注编号:SH-FW10(十一)售后服务人员培训申请表填表日期:申请部门申请人培训时间总时数培训地点培训讲师受训人员培训内容培训器材部门经理审核主管领导批准编号:SH-FW11(十二)人员调动、晋升申报表填表日期:编号:姓名性别年龄学历专业到岗日期申报类别□岗位调动□晋升工资□职务晋升原位部门调位部门职务职务工资工资调动晋升原因生效日期备注原部门经理现任部门经理编号:SH-FW12(十三)客户信息借阅申请表填写日期:申请人部门借阅日期拟借信息名称部门经理经手人编号:SH-FW13

1、当您付费下载文档后,您只拥有了使用权限,并不意味着购买了版权,文档只能用于自身使用,不得用于其他商业用途(如 [转卖]进行直接盈利或[编辑后售卖]进行间接盈利)。
2、本站所有内容均由合作方或网友上传,本站不对文档的完整性、权威性及其观点立场正确性做任何保证或承诺!文档内容仅供研究参考,付费前请自行鉴别。
3、如文档内容存在违规,或者侵犯商业秘密、侵犯著作权等,请点击“违规举报”。

碎片内容

售后维修部表格

教育精品店+ 关注
实名认证
内容提供者

优良的服务

相关文档

确认删除?
VIP
微信客服
  • 扫码咨询
会员Q群
  • 会员专属群点击这里加入QQ群
客服邮箱
回到顶部