电脑桌面
添加小米粒文库到电脑桌面
安装后可以在桌面快捷访问

彩灯广告屏的PLC控制课程设计报告VIP免费

彩灯广告屏的PLC控制课程设计报告_第1页
1/17
彩灯广告屏的PLC控制课程设计报告_第2页
2/17
彩灯广告屏的PLC控制课程设计报告_第3页
3/17
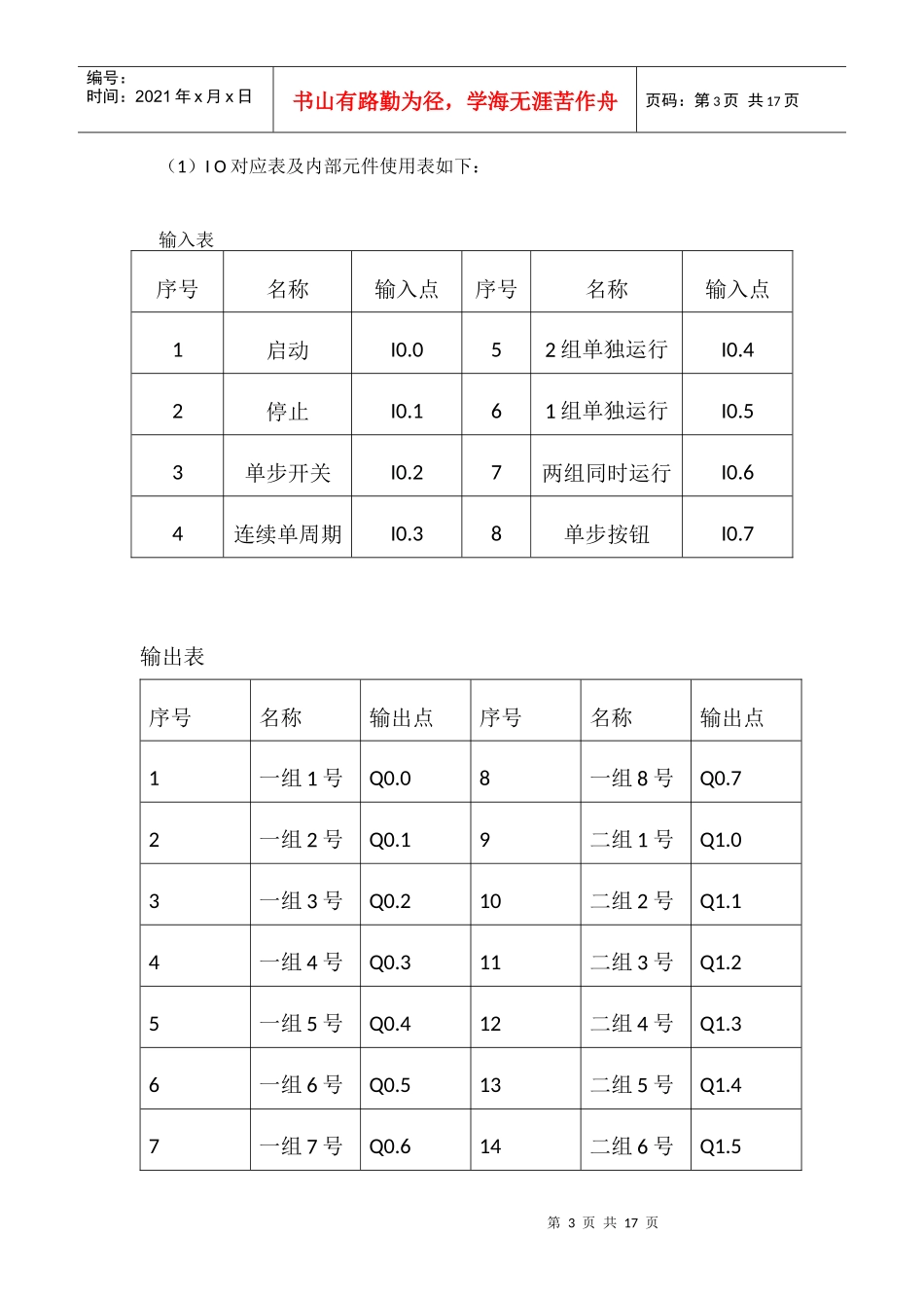
第1页共17页编号:时间:2021年x月x日书山有路勤为径,学海无涯苦作舟页码:第1页共17页彩灯广告屏的PLC控制课程设计报告学院:信息工程学院班级:08建筑设施智能技术一班姓名:崔兴(2008551425)陆建朋(2008551428)李杰(2008551423)指导老师:张仲模完成时间:2011年6月20日第2页共17页第1页共17页编号:时间:2021年x月x日书山有路勤为径,学海无涯苦作舟页码:第2页共17页一、引言(一)摘要:本次课程设计主要目的是掌握可编程序控制器(PLC)的基本工作原理、指令系统、硬件连接,学会使用可编程序控制器的基本方法,锻炼PLC编程能力,学会用PLC解决电气控制问题。本次课程设计我们选的题目是彩灯广告屏的PLC控制。要求编写PLC程序控制彩灯按一定要求亮灭。二、课程设计要求1.设计任务:用PLC控制一个彩灯广告屏。2.控制要求广告屏中间有8根彩灯管,编号1~8,启动后,点亮的顺序为1号依次到8号,间隔2s,全亮10s后,按8号到1号顺序开始熄灭,间隔1s。全部熄灭后,等待2s,再开始一个循环。广告屏周围安装6组灯,给它编号。启动后,按照1~6的顺序隔2s依次点亮。全亮20s,然后依次熄灭。全熄灭5s后,下一个循环从6到1号,隔2s依次点亮。然后开始新的循环可以2组同时工作,也可以单独工作。3.设计内容:1)计算输入输出点,编写I/O对应表及内部元件使用表;2)..编写PLC控制程序;要求可以实现单步、单周期及连续工作3种操作方式。3)完成实验所需要的硬件接线;4)利用实验台上的开关、按钮、小指示灯等,模拟演示其工作过程;5)完成课程设计报告。三、课程设计内容1、设计过程和有关说明:根据要求要实现单步,单周期,连续工作,并且能分组进行单独工作,加上启动停止,共设置了8个按钮。输出由Q0.0-Q0.7表示广告屏中间的8根彩灯管。Q1.0-Q1.5表示广告屏周围的6组灯。第3页共17页第2页共17页编号:时间:2021年x月x日书山有路勤为径,学海无涯苦作舟页码:第3页共17页(1)IO对应表及内部元件使用表如下:输入表序号名称输入点序号名称输入点1启动I0.052组单独运行I0.42停止I0.161组单独运行I0.53单步开关I0.27两组同时运行I0.64连续单周期I0.38单步按钮I0.7输出表序号名称输出点序号名称输出点1一组1号Q0.08一组8号Q0.72一组2号Q0.19二组1号Q1.03一组3号Q0.210二组2号Q1.14一组4号Q0.311二组3号Q1.25一组5号Q0.412二组4号Q1.36一组6号Q0.513二组5号Q1.47一组7号Q0.614二组6号Q1.5第4页共17页第3页共17页编号:时间:2021年x月x日书山有路勤为径,学海无涯苦作舟页码:第4页共17页内部元件使用表:序号名称内部触点序号名称内部触点1启动M0.05两组同时运行M0.622组秒脉冲M0.161组秒脉冲M1.03逻辑赋值1M0.272组单独运行M1.44逻辑赋值0M0.581组单独运行M1.5(2)由于实现的灯的亮灭逻辑比较简单,而且是按顺序亮灭的,所以我们采用的是移位寄存器,通过SM0.5和内部触点M0.1和M1.0联接,产生可以控制的秒脉冲M0.1和M1.0,再根据具体的时间控制要求,对M0.1进行控制就能达到单步,单周期和亮灭时间的控制目的。2、PLC程序如下:第5页共17页第4页共17页编号:时间:2021年x月x日书山有路勤为径,学海无涯苦作舟页码:第5页共17页第6页共17页第5页共17页编号:时间:2021年x月x日书山有路勤为径,学海无涯苦作舟页码:第6页共17页第7页共17页第6页共17页编号:时间:2021年x月x日书山有路勤为径,学海无涯苦作舟页码:第7页共17页第8页共17页第7页共17页编号:时间:2021年x月x日书山有路勤为径,学海无涯苦作舟页码:第8页共17页第9页共17页第8页共17页编号:时间:2021年x月x日书山有路勤为径,学海无涯苦作舟页码:第9页共17页第10页共17页第9页共17页编号:时间:2021年x月x日书山有路勤为径,学海无涯苦作舟页码:第10页共17页第11页共17页第10页共17页编号:时间:2021年x月x日书山有路勤为径,学海无涯苦作舟页码:第11页共17页第12页共17页第11页共17页编号:时间:2021年x月x日书山有路勤为径,学海无涯苦作舟页码:第12页共17页第13页共17页第12页共17页编号:时间:2021年x月x日书山有路勤为径,学海无涯苦作舟页码:第13页共17页第14页共17页第13页共17页编号:时...

1、当您付费下载文档后,您只拥有了使用权限,并不意味着购买了版权,文档只能用于自身使用,不得用于其他商业用途(如 [转卖]进行直接盈利或[编辑后售卖]进行间接盈利)。
2、本站所有内容均由合作方或网友上传,本站不对文档的完整性、权威性及其观点立场正确性做任何保证或承诺!文档内容仅供研究参考,付费前请自行鉴别。
3、如文档内容存在违规,或者侵犯商业秘密、侵犯著作权等,请点击“违规举报”。

碎片内容

彩灯广告屏的PLC控制课程设计报告

您可能关注的文档

教育精品店+ 关注
实名认证
内容提供者

优良的服务

确认删除?
VIP
微信客服
  • 扫码咨询
会员Q群
  • 会员专属群点击这里加入QQ群
客服邮箱
回到顶部