电脑桌面
添加小米粒文库到电脑桌面
安装后可以在桌面快捷访问

京广路拓宽改造及地下隧道工程模板施工方案VIP免费

京广路拓宽改造及地下隧道工程模板施工方案_第1页
1/50
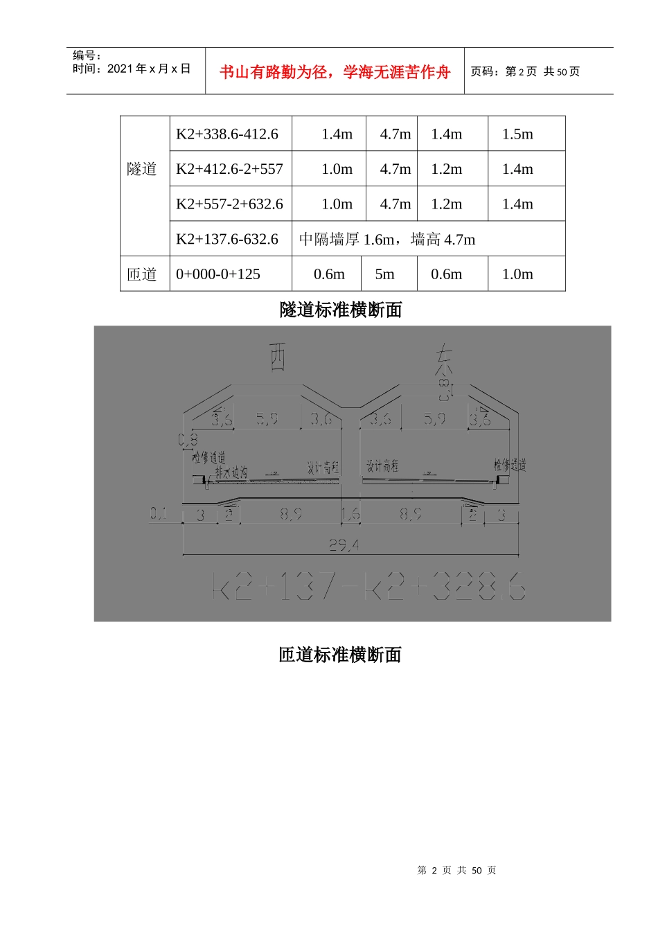
京广路拓宽改造及地下隧道工程模板施工方案_第2页
2/50
京广路拓宽改造及地下隧道工程模板施工方案_第3页
3/50
第1页共50页编号:时间:2021年x月x日书山有路勤为径,学海无涯苦作舟页码:第1页共50页一、编制依据1施工图纸2图纸会审纪要及设计变更3建筑施工计算手册4《建筑施工模板安全技术规范》5《建筑施工扣件式钢管脚手架安全技术规范》6《混凝土结构工程施工质量验收规范》二、工程概况京广路拓宽改造及地下隧道工程,位于郑州市中心城区,是与郑州市火车站西出站口紧密相连的南北向城市快速路。第三标段:里程:k2+137-k2+632.6,共计495.6m。隧道主体结构采用钢筋砼双孔闭合框架结构,为双向6车道布置,标准段单孔净宽13.1m,匝道出入口处局部拓宽单孔净宽21.1m,隧道洞内净空4.5m,顶部预留1.5m高作为设备安放空间。隧道主体结构一般以30m为一节段(局部调整)。包括C、D匝道,其中C匝道长350m,暗埋段125m,D匝道长295m,暗埋段125m,匝道引坡采用U型槽结构。匝道横断面布置为:0.6m侧墙+7.0m(净宽)+0.6m侧墙,匝道净空4.5m。项目里程号侧墙厚m墙高顶板厚底板K2+137.0-328.60.8m4.7m0.8m1.0mK2+328.6-338.60.8m4.7m0.8m1.2m第2页共50页第1页共50页编号:时间:2021年x月x日书山有路勤为径,学海无涯苦作舟页码:第2页共50页隧道K2+338.6-412.61.4m4.7m1.4m1.5mK2+412.6-2+5571.0m4.7m1.2m1.4mK2+557-2+632.61.0m4.7m1.2m1.4mK2+137.6-632.6中隔墙厚1.6m,墙高4.7m匝道0+000-0+1250.6m5m0.6m1.0m隧道标准横断面匝道标准横断面第3页共50页第2页共50页编号:时间:2021年x月x日书山有路勤为径,学海无涯苦作舟页码:第3页共50页三、总体思路1、本工程支撑体系分二个部分:第一部分:墙体支撑体系(1)侧墙无支护桩支撑体系(2)侧墙外侧有桩基,即单侧模板支撑体系第二部分:顶板模板的支撑体系2、满堂脚手架的支撑体系与墙体模板的支撑体系连成一个整体,所以顶板模板的支撑体系均按按最不利情况考虑(用顶板1.4m厚来计算荷载)3、隧道主体分两次浇筑,第一次浇筑底板及上翻部分(底板以上90cm)第二次浇筑侧墙及顶板。4、墙体的支撑体系,采用预埋螺栓与墙体主筋焊接连接并作弯钩处理,具体长度根据墙厚,施工规范要求确定,作为墙体模板支撑体系。5底板,顶板按伸缩缝分为17块,采用跳打法进行施工。如图所示第4页共50页第3页共50页12453……编号:时间:2021年x月x日书山有路勤为径,学海无涯苦作舟页码:第4页共50页四、施工做法:第一部分:墙体支撑体系(1)侧墙无支护桩支撑体系:首先在底板上翻部分预埋一排M20@600mm的对拉螺栓。背部支撑由两层龙骨(木楞或钢楞)组成。组装墙体模板时,通过穿墙螺栓将墙体两侧模板拉结,每个穿墙螺栓成为主龙骨的支点。模板拟采用20mm的竹胶板,木楞采用100mm*80mm方木,间距200mm,钢楞采用2根Ф48*3.0钢管间距500mm。对拉螺栓采用M18,a,b分别为500mm,600mm。第5页共50页第4页共50页编号:时间:2021年x月x日书山有路勤为径,学海无涯苦作舟页码:第5页共50页(2)侧墙有支护桩,即单侧模板支撑体系:采用搭设三角钢管桁架并与满堂脚手架连接和预埋螺栓、钢筋的方法,来保证支撑体系的强度和刚度,以承受浇筑混凝土时的水平推力。具体做法:在第一次浇筑时预埋一排螺栓M20@600mm,预埋一排钢筋Ф32@600mm,预埋钢筋距侧墙内侧1.95m,与斜撑相连(图4)。面板采用20mm厚竹胶板,竖楞采用100*80mm木方,间距200mm。外横楞采用槽钢2根「5槽钢,间距600mm。槽钢用可调托座顶紧。三角桁架斜杆竖向间距同步距,用双扣件与满堂脚手架立杆连接(见图4),横向间距0.6m(同满堂架立杆)。与可调托座相连的水平横第6页共50页第5页共50页编号:时间:2021年x月x日书山有路勤为径,学海无涯苦作舟页码:第6页共50页杆,竖向间距600mm,横向间距600mm(见图3)。图3三角支撑桁架选用Ф48*3.5搭设三角桁架,步距1.0m,设置四道斜支撑与地面成60°,该斜撑必须与满堂脚手架相连并与预埋钢筋相连。第7页共50页第6页共50页三角桁架与满堂架,预埋钢筋组合示意图(图4)预埋钢筋截水沟施工缝槽钢编号:时间:2021年x月x日书山有路勤为径,学海无涯苦作舟页码:第7页共50页第二部分:顶板模板的支撑体系施工方法:采用满堂脚手架(钢管Ф48*3.0),满堂脚手架的支撑...

1、当您付费下载文档后,您只拥有了使用权限,并不意味着购买了版权,文档只能用于自身使用,不得用于其他商业用途(如 [转卖]进行直接盈利或[编辑后售卖]进行间接盈利)。
2、本站所有内容均由合作方或网友上传,本站不对文档的完整性、权威性及其观点立场正确性做任何保证或承诺!文档内容仅供研究参考,付费前请自行鉴别。
3、如文档内容存在违规,或者侵犯商业秘密、侵犯著作权等,请点击“违规举报”。

碎片内容

京广路拓宽改造及地下隧道工程模板施工方案

确认删除?
VIP
微信客服
  • 扫码咨询
会员Q群
  • 会员专属群点击这里加入QQ群
客服邮箱
回到顶部