电脑桌面
添加小米粒文库到电脑桌面
安装后可以在桌面快捷访问

建筑行业基本常识和造价技巧VIP专享VIP免费

建筑行业基本常识和造价技巧_第1页
1/22
建筑行业基本常识和造价技巧_第2页
2/22
建筑行业基本常识和造价技巧_第3页
3/22
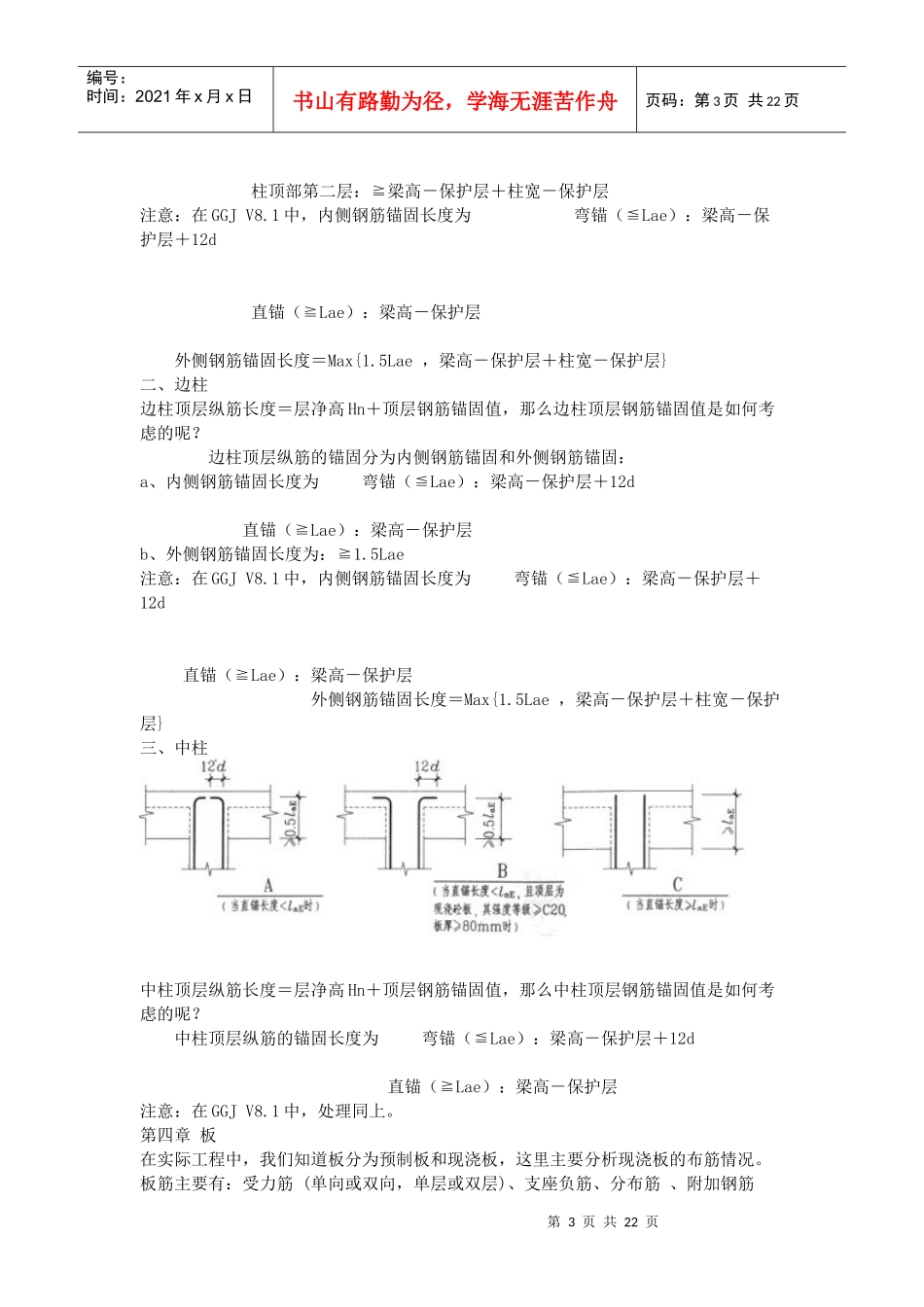
第1页共22页编号:时间:2021年x月x日书山有路勤为径,学海无涯苦作舟页码:第1页共22页建筑行业基本常识和造价技巧第一章基础层一、柱主筋基础插筋=基础底板厚度-保护层+伸入上层的钢筋长度+Max{10D,200mm}二、基础内箍筋基础内箍筋的作用仅起一个稳固作用,也可以说是防止钢筋在浇注时受到挠动。一般是按2根进行计算(软件中是按三根)。第二章中间层一、柱纵筋1、KZ中间层的纵向钢筋=层高-当前层伸出地面的高度+上一层伸出楼地面的高度二、柱箍筋1、KZ中间层的箍筋根数=N个加密区/加密区间距+N+非加密区/非加密区间距-103G101-1中,关于柱箍筋的加密区的规定如下第2页共22页第1页共22页编号:时间:2021年x月x日书山有路勤为径,学海无涯苦作舟页码:第2页共22页1)首层柱箍筋的加密区有三个,分别为:下部的箍筋加密区长度取Hn/3;上部取Max{500,柱长边尺寸,Hn/6};梁节点范围内加密;如果该柱采用绑扎搭接,那么搭接范围内同时需要加密。2)首层以上柱箍筋分别为:上、下部的箍筋加密区长度均取Max{500,柱长边尺寸,Hn/6};梁节点范围内加密;如果该柱采用绑扎搭接,那么搭接范围内同时需要加密。第三节顶层顶层KZ因其所处位置不同,分为角柱、边柱和中柱,也因此各种柱纵筋的顶层锚固各不相同。(参看03G101-1第37、38页)一、角柱角柱顶层纵筋长度=层净高Hn+顶层钢筋锚固值,那么角柱顶层钢筋锚固值是如何考虑的呢?弯锚(≦Lae):梁高-保护层+12da、内侧钢筋锚固长度为直锚(≧Lae):梁高-保护层≧1.5Laeb、外侧钢筋锚固长度为柱顶部第一层:≧梁高-保护层+柱宽-保护层+8d第3页共22页第2页共22页编号:时间:2021年x月x日书山有路勤为径,学海无涯苦作舟页码:第3页共22页柱顶部第二层:≧梁高-保护层+柱宽-保护层注意:在GGJV8.1中,内侧钢筋锚固长度为弯锚(≦Lae):梁高-保护层+12d直锚(≧Lae):梁高-保护层外侧钢筋锚固长度=Max{1.5Lae,梁高-保护层+柱宽-保护层}二、边柱边柱顶层纵筋长度=层净高Hn+顶层钢筋锚固值,那么边柱顶层钢筋锚固值是如何考虑的呢?边柱顶层纵筋的锚固分为内侧钢筋锚固和外侧钢筋锚固:a、内侧钢筋锚固长度为弯锚(≦Lae):梁高-保护层+12d直锚(≧Lae):梁高-保护层b、外侧钢筋锚固长度为:≧1.5Lae注意:在GGJV8.1中,内侧钢筋锚固长度为弯锚(≦Lae):梁高-保护层+12d直锚(≧Lae):梁高-保护层外侧钢筋锚固长度=Max{1.5Lae,梁高-保护层+柱宽-保护层}三、中柱中柱顶层纵筋长度=层净高Hn+顶层钢筋锚固值,那么中柱顶层钢筋锚固值是如何考虑的呢?中柱顶层纵筋的锚固长度为弯锚(≦Lae):梁高-保护层+12d直锚(≧Lae):梁高-保护层注意:在GGJV8.1中,处理同上。第四章板在实际工程中,我们知道板分为预制板和现浇板,这里主要分析现浇板的布筋情况。板筋主要有:受力筋(单向或双向,单层或双层)、支座负筋、分布筋、附加钢筋第4页共22页第3页共22页编号:时间:2021年x月x日书山有路勤为径,学海无涯苦作舟页码:第4页共22页(角部附加放射筋、洞口附加钢筋)、撑脚钢筋(双层钢筋时支撑上下层)。一、受力筋软件中,受力筋的长度是依据轴网计算的。受力筋长度=轴线尺寸+左锚固+右锚固+两端弯钩(如果是Ⅰ级筋)。根数=(轴线长度-扣减值)/布筋间距+1二、负筋及分布筋负筋长度=负筋长度+左弯折+右弯折负筋根数=(布筋范围-扣减值)/布筋间距+1分布筋长度=负筋布置范围长度-负筋扣减值负筋分布筋根数=负筋输入界面中负筋的长度/分布筋间距+1三、附加钢筋(角部附加放射筋、洞口附加钢筋)、支撑钢筋(双层钢筋时支撑上下层)根据实际情况直接计算钢筋的长度、根数即可,在软件中可以利用直接输入法输入计算。第五章常见问题为什么钢筋计算中,135o弯钩我们在软件中计算为11.9d?我们软件中箍筋计算时取的11.9D实际上是弯钩加上量度差值的结果,我们知道弯钩平直段长度是10D,那么量度差值应该是1.9D,下面我们推导一下1.9D这个量度差值的来历:按照外皮计算的结果是1000+300;如果按照中心线计算那么是:1000-D/2-d+135/360*3.14*(D/2+d/2)*2+300,这里D取的是规范规定的最小半径2.5...

1、当您付费下载文档后,您只拥有了使用权限,并不意味着购买了版权,文档只能用于自身使用,不得用于其他商业用途(如 [转卖]进行直接盈利或[编辑后售卖]进行间接盈利)。
2、本站所有内容均由合作方或网友上传,本站不对文档的完整性、权威性及其观点立场正确性做任何保证或承诺!文档内容仅供研究参考,付费前请自行鉴别。
3、如文档内容存在违规,或者侵犯商业秘密、侵犯著作权等,请点击“违规举报”。

碎片内容

建筑行业基本常识和造价技巧

确认删除?
VIP
微信客服
  • 扫码咨询
会员Q群
  • 会员专属群点击这里加入QQ群
客服邮箱
回到顶部