电脑桌面
添加小米粒文库到电脑桌面
安装后可以在桌面快捷访问

屋面楼地面工程量清单计价实例VIP免费

屋面楼地面工程量清单计价实例_第1页
1/5
屋面楼地面工程量清单计价实例_第2页
2/5
屋面楼地面工程量清单计价实例_第3页
3/5
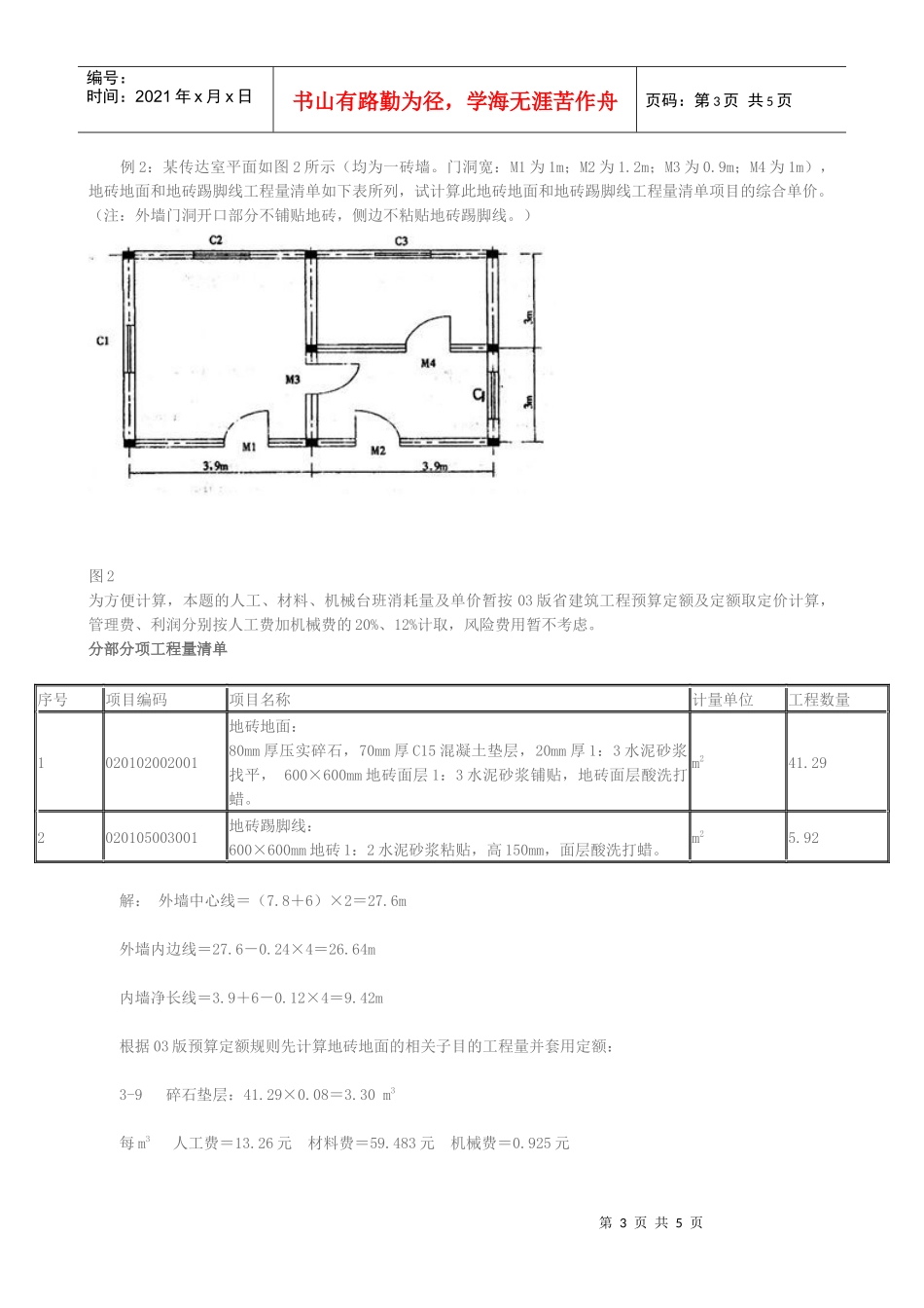
第1页共5页编号:时间:2021年x月x日书山有路勤为径,学海无涯苦作舟页码:第1页共5页屋面、楼地面工程量清单计价实例马光鸿在工程招标投标活动中,投标人按照招标人提供的工程量清单,认真分析项目名称和项目特征,同时根据工程内容结合设计图纸、自编的施工组织设计,依据《浙江省建筑、装饰工程工程量清单计价指引》对清单项目进行分析,分解成若干具体的可组合的工程内容,并按照《浙江省建筑工程预算定额(2003版)》规定的工程量计算规则分别计算相应定额子目的工程量,据此套用对应的定额子目进行组价分析,计算出该项目的人工费、材料费、机械使用费、管理费、利润、风险费和总价,最终(按清单项目的计量单位)计算出综合单价。余同。在屋面、楼地面工程量清单计价指引中,要熟悉常用项目如瓦屋面、屋面卷材防水、屋面刚性防水、水泥砂浆楼地面、块料楼地面、木地板楼地面等项目中可组合的主要内容和对应的03版定额子目。工程量清单计价举例:例1:某工程瓦屋面如图1所示,平瓦屋面工程量清单如下表所列,试计算此平瓦屋面工程量清单项目的综合单价。为方便计算,本题的人工、材料、机械台班消耗量及单价暂按03版省建筑工程预算定额及定额取定价计算,管理费、利润分别按人工费加机械费的20%、10%计取,风险费用暂不考虑。图1分部分项工程量清单解:屋面坡度为B/2A=1/4,查得屋面坡度系数为1.118。序号项目编码项目名称计量单位工程数量1010701001001平瓦屋面:圆木檩条8.138m3,20mm厚平口杉木屋面板、油毡一层,36×8mm顺水条@500,25×25mm挂瓦条,粘土平瓦屋面,屋脊盖粘土脊瓦。平(脊)瓦伸出木基层50mm,屋面坡度为B/2A=1/4。m2406.92第2页共5页第1页共5页编号:时间:2021年x月x日书山有路勤为径,学海无涯苦作舟页码:第2页共5页根据03预算定额规则计算相关工程量并套用定额:5-22圆木檩条:8.138m3(已知)每m3人工费=93元材料费=880.77元机械费=0元5-30H屋面平口板(20厚)木基层有油毡:(30+0.72×2)×(10+0.72×2)×1.118=31.44×11.44×1.118=402.12m2每m2人工费=1.68元材料费=22.304+1.05×16×[(20+2)/15-1]=30.144元机械费=0元7-17粘土平瓦屋面:(30+0.72×2+0.05×2)×(10+0.72×2+0.05×2)×1.118=31.54×11.54×1.118=406.92m2每m2人工费=1.066元材料费=12.4497元机械费=0元7-19粘土脊瓦屋脊:30+0.72×2+0.05×2=31.54m每m人工费=1.3780元材料费=5.5169元机械费=0.1609元分部分项工程量清单项目综合单价计算表工程名称:某工程计量单位:m2项目编码:010701001001工程数量:406.92项目名称:平瓦屋面综合单价:66.40元注:表中综合单价=27018.37÷406.92=66.40元/m2序号定额编号工程内容单位数量人工费材料费机械使用费管理费利润风险费用小计15-22圆木檩条m38.138756.837167.710151.3775.6808151.5925-30H屋面平口板(20厚)木基层有油毡m2402.12675.5612121.510135.1167.56012999.7437-17粘土平瓦屋面m2406.92433.785066.03086.7643.3805629.9547-19粘土脊瓦屋脊m31.5443.46174.005.079.714.850237.09合计1909.6324529.255.07382.95191.47027018.37第3页共5页第2页共5页编号:时间:2021年x月x日书山有路勤为径,学海无涯苦作舟页码:第3页共5页例2:某传达室平面如图2所示(均为一砖墙。门洞宽:M1为1m;M2为1.2m;M3为0.9m;M4为1m),地砖地面和地砖踢脚线工程量清单如下表所列,试计算此地砖地面和地砖踢脚线工程量清单项目的综合单价。(注:外墙门洞开口部分不铺贴地砖,侧边不粘贴地砖踢脚线。)图2为方便计算,本题的人工、材料、机械台班消耗量及单价暂按03版省建筑工程预算定额及定额取定价计算,管理费、利润分别按人工费加机械费的20%、12%计取,风险费用暂不考虑。分部分项工程量清单序号项目编码项目名称计量单位工程数量1020102002001地砖地面:80mm厚压实碎石,70mm厚C15混凝土垫层,20mm厚1:3水泥砂浆找平,600×600mm地砖面层1:3水泥砂浆铺贴,地砖面层酸洗打蜡。m241.292020105003001地砖踢脚线:600×600mm地砖1:2水泥砂浆粘贴,高150mm,面层酸洗打蜡。m25.92解:外墙中心线...

1、当您付费下载文档后,您只拥有了使用权限,并不意味着购买了版权,文档只能用于自身使用,不得用于其他商业用途(如 [转卖]进行直接盈利或[编辑后售卖]进行间接盈利)。
2、本站所有内容均由合作方或网友上传,本站不对文档的完整性、权威性及其观点立场正确性做任何保证或承诺!文档内容仅供研究参考,付费前请自行鉴别。
3、如文档内容存在违规,或者侵犯商业秘密、侵犯著作权等,请点击“违规举报”。

碎片内容

屋面楼地面工程量清单计价实例

教育精品店+ 关注
实名认证
内容提供者

优良的服务

确认删除?
VIP
微信客服
  • 扫码咨询
会员Q群
  • 会员专属群点击这里加入QQ群
客服邮箱
回到顶部