电脑桌面
添加小米粒文库到电脑桌面
安装后可以在桌面快捷访问

%81%8C业教育中心教学楼工程支模架施工方案VIP免费

%81%8C业教育中心教学楼工程支模架施工方案_第1页
1/17
%81%8C业教育中心教学楼工程支模架施工方案_第2页
2/17
%81%8C业教育中心教学楼工程支模架施工方案_第3页
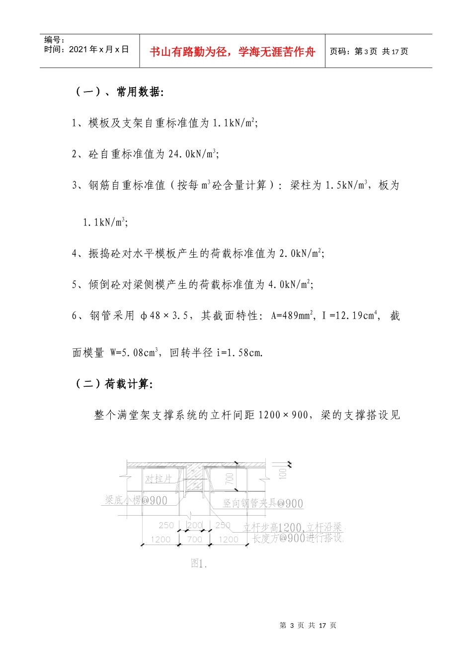
3/17
第1页共17页编号:时间:2021年x月x日书山有路勤为径,学海无涯苦作舟页码:第1页共17页重庆市沙坪坝区职业教育中心教学楼工程支模架施工方案第2页共17页第1页共17页编号:时间:2021年x月x日书山有路勤为径,学海无涯苦作舟页码:第2页共17页编制单位:广厦重庆第一建筑(集团)工程公司编制人:杨华茂编制时间:二00四年一月一、工程概况该工程为重庆沙区职业教育中心一期工程,建筑总面积约8152m2。现浇框架结构。建筑层数4层,局部1层或2层。本工程相对标高正负0.00M相当于绝对标高509.50M,耐火等级一级。工程地址位于沙坪坝区歌乐山中学。梁主要是薄腹梁,其截面尺寸主要为200×350~700。板厚主要有100mm、140mm两种。混凝土浇筑方式采用预拌混凝土塔吊吊运入模,支撑采用48×3.5ø的钢管,模板采用小块钢模散装散拆,楼板模板采用竹胶合板50×100@300的木楞配合使用,模板接头缝用自粘胶带封闭。二、梁支撑系统及梁模板设计计算由于梁主要是薄腹梁,其截面尺寸主要为200×350~700。现以200×700梁的支撑设计为例。第3页共17页第2页共17页编号:时间:2021年x月x日书山有路勤为径,学海无涯苦作舟页码:第3页共17页(一)、常用数据:1、模板及支架自重标准值为1.1kN/m2;2、砼自重标准值为24.0kN/m3;3、钢筋自重标准值(按每m3砼含量计算):梁柱为1.5kN/m3,板为1.1kN/m3;4、振捣砼对水平模板产生的荷载标准值为2.0kN/m2;5、倾倒砼对梁侧模产生的荷载标准值为4.0kN/m2;6、钢管采用φ48×3.5,其截面特性:A=489mm2,Ⅰ=12.19cm4,截面模量W=5.08cm3,回转半径i=1.58cm.(二)荷载计算:整个满堂架支撑系统的立杆间距1200×900,梁的支撑搭设见第4页共17页第3页共17页编号:时间:2021年x月x日书山有路勤为径,学海无涯苦作舟页码:第4页共17页图1所示。1、模板及支架自重标准值:(1.2+0.7+0.6×2)×0.9×1.1=3.09kN2、新浇砼自重标准值:〔(1.2+0.7)×0.1×0.9+0.2×0.6×0.9〕×24=6.7kN3、钢筋自重标准值:1.1×(1.2+0.7)×0.1×0.9+0.2×0.6×0.9×1.5=0.35kN4、振捣荷载标准值:(1.2+0.7)×0.9×2=3.42kN(三)扣件抗滑计算一根立杆所承受的荷载为:〔(3.09+6.7+0.35)×1.2+3.42×1.4〕÷2=8.48kN一个扣件的抗滑承载力设计值RC=8.00kN<8.48kN,因此考虑双扣件作为抗滑扣满足要求。(四)立杆稳定计算一根立杆所承受的最大荷载为:N=8.48kNN≤fφA(f=205N/mm2)第5页共17页第4页共17页编号:时间:2021年x月x日书山有路勤为径,学海无涯苦作舟页码:第5页共17页lo=h+2a=1200+2×79=1358mmλ=lo/i=1358/15.8≈86查表得:φ=0.686,A=489mm2。∴0.686×489×205=68.77KN>8.48KN,满足要求。(五)梁模计算1.荷载计算(梁支撑系统搭设见图1):(1)模板及支架自重标准值:(0.2+0.6×2)×0.9×1.1=1.386kN(2)新浇砼自重标准值:0.7×0.2×0.9×24=3.024kN(3)钢筋自重标准值:0.7×0.2×0.9×1.5=0.19kN(4)振捣荷载标准值:0.2×0.9×2=0.36kN2.小楞计算:(1)内力计算:梁荷载传给小楞见图2.第6页共17页第5页共17页编号:时间:2021年x月x日书山有路勤为径,学海无涯苦作舟页码:第6页共17页q=〔0.36×1.4+(0.19+3.024+1.386)×1.2〕÷0.2=30.12kN/m∴小楞跨中的最大弯矩:Mmax=qbl(2-b÷l)÷8=30.12×0.2×0.7×(2-0.2÷0.7)÷8=0.904kN·mσ=Mmax/W=0.904×106÷(5.08×103)=178N/mm2<f=205N/mm2∴满足要求。(2)挠度计算:在计算挠度时,梁作用在小楞上的荷载简化为一个集中力计算,且在对荷载第7页共17页第6页共17页编号:时间:2021年x月x日书山有路勤为径,学海无涯苦作舟页码:第7页共17页进行组合时仅组合恒载,受力图见图3。F=(0.19+3.024+1.386)×1.2=5.52kNw小楞=Fl3/(48EI)=5.52×7003×103÷(48×2.06×105×12.19×104)=1.57mm<l/250=700/250=2.8mm满足要求。3.梁底模计算:梁底模采用小块钢模散装散拆,模板采用P2015:其肋板厚度δ=2.5mm;净截面抵抗矩Wx=3.96cm3;净截面惯性矩Ix=17.98cm4。计算简图如图4所示。第8页共17页第7页共17页编号:时间:2021年x月x日书山有路勤为径,学海无涯苦作舟页码:第8页共17页q1=〔0.36×1.4+(0.19+3.024+...

1、当您付费下载文档后,您只拥有了使用权限,并不意味着购买了版权,文档只能用于自身使用,不得用于其他商业用途(如 [转卖]进行直接盈利或[编辑后售卖]进行间接盈利)。
2、本站所有内容均由合作方或网友上传,本站不对文档的完整性、权威性及其观点立场正确性做任何保证或承诺!文档内容仅供研究参考,付费前请自行鉴别。
3、如文档内容存在违规,或者侵犯商业秘密、侵犯著作权等,请点击“违规举报”。

碎片内容

%81%8C业教育中心教学楼工程支模架施工方案

您可能关注的文档

确认删除?
VIP
微信客服
  • 扫码咨询
会员Q群
  • 会员专属群点击这里加入QQ群
客服邮箱
回到顶部