电脑桌面
添加小米粒文库到电脑桌面
安装后可以在桌面快捷访问

宁波某检测试验中心工程造价VIP专享VIP免费

宁波某检测试验中心工程造价_第1页
1/125
宁波某检测试验中心工程造价_第2页
2/125
宁波某检测试验中心工程造价_第3页
3/125
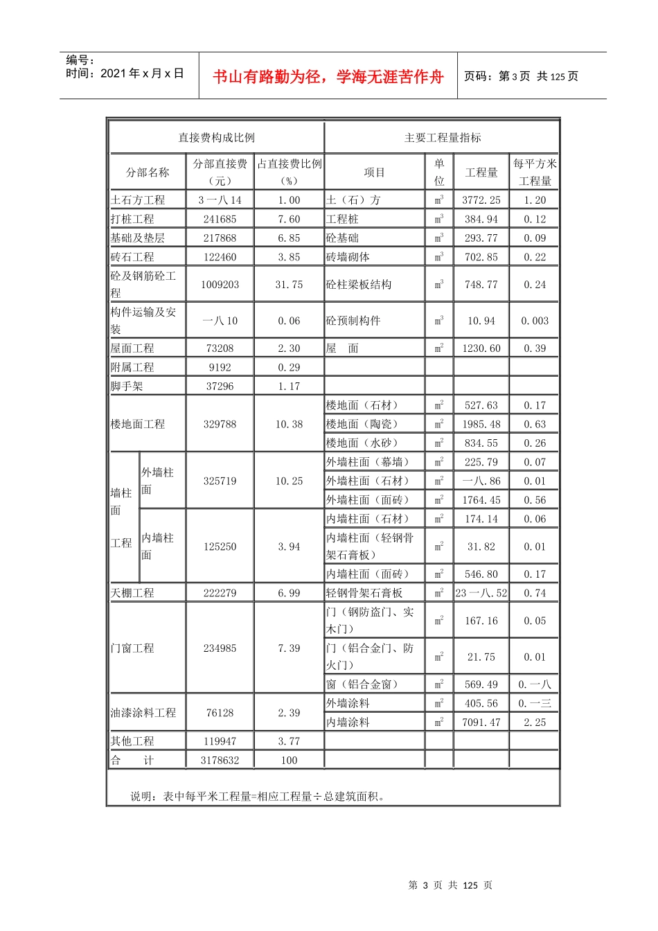
第1页共125页编号:时间:2021年x月x日书山有路勤为径,学海无涯苦作舟页码:第1页共125页宁波市某检测试验中心工程造价分析表本工程造价分析表由象山天信工程造价咨询事务所提供工程竣工结算资料,注册造价工程师林文德整理,仅供参考。一、工程概况工程名称某检测试验中心建设地点象山县造价类别结算总建筑面积3一五0.4m2底层建筑面积工程类别民用三类结构类型框架层数五层房屋高度17.2m开工日期2003年9月竣工日期2004年9月编(审)日期2005年10月工程主要特征建筑工程建筑物功能:检测试验中心结构特征:桩基:Φ426静压沉管灌注砼桩;土石方:人工挖土三类;基础:C25钢筋砼独立基础、基础梁,C30钢筋砼基础梁;砖墙:M10.0水泥砂浆标准砖基础,M5.0水泥砂浆多孔砖砌体;柱梁板:C30钢筋砼现浇框架柱、梁、板结构;屋面:水泥砂浆找平、聚苯烯泡沫保温板、无纺布SBS改性沥青卷材、一毡一油屋面。装饰标准:楼地面:水泥砂浆整体面层,竹叶青麻面板面、西班牙米黄花岗岩面、鲁灰花岗岩面等;墙柱面:外墙贴无釉面砖、局部玻璃幕墙及石材,内墙水泥砂浆底、乳胶漆面、局部花岗岩及瓷砖;天棚:水泥砂浆底,乳胶漆面;门窗:铝合金平开门、钢防盗门、实木门,铝合金推拉窗、铝合金平开窗、铝合金百叶窗;油漆:木门聚氨脂亚光漆,弹性外墙涂料。安装工程给排水:给水采用镀锌钢管、PP-R聚丙烯管,排水采用UPVC排水管;电气:照明配电箱、PVC塑料电线管、电线及照明灯具;第2页共125页第1页共125页编号:时间:2021年x月x日书山有路勤为径,学海无涯苦作舟页码:第2页共125页二、工程造价指标项目造价(元)每平方米造价(元)占总造价比例(%)总造价54800421739.47100建筑工程造价52205111657.0995.26其中桩基347779110.396.35结构2191202695.5339.98装饰268一五30851.1748.93安装工程造价25953182.384.74其中给排水10254132.551.87电气一五699049.832.87单项造价指标项目造价(元)单位造价暖通347779903.46元/每立米成桩体积说明:1、表中每平米工程量=相应工程量÷总建筑面积。2、本工程造价指标不考虑造价下浮额。三、人工和主要材料指标项目单位耗用量每平方米耗用量1、建筑工程人工工日21一五76.72钢筋kg22666271.95其他钢材kg24280.77水泥kg835440265.19多孔砖块24104976.51标准砖块3196810.一五砂kg一八79332596.54碎石kg2168763688.412、安装工程人工工日10540.33说明:表中每平米工程量=相应工程量÷总建筑面积。四、建筑工程直接费构成比例及主要工程量指标第3页共125页第2页共125页编号:时间:2021年x月x日书山有路勤为径,学海无涯苦作舟页码:第3页共125页直接费构成比例主要工程量指标分部名称分部直接费(元)占直接费比例(%)项目单位工程量每平方米工程量土石方工程3一八141.00土(石)方m33772.251.20打桩工程2416857.60工程桩m3384.940.12基础及垫层2178686.85砼基础m3293.770.09砖石工程1224603.85砖墙砌体m3702.850.22砼及钢筋砼工程100920331.75砼柱梁板结构m3748.770.24构件运输及安装一八100.06砼预制构件m310.940.003屋面工程732082.30屋面m21230.600.39附属工程91920.29脚手架372961.17楼地面工程32978810.38楼地面(石材)m2527.630.17楼地面(陶瓷)m21985.480.63楼地面(水砂)m2834.550.26墙柱面工程外墙柱面32571910.25外墙柱面(幕墙)m2225.790.07外墙柱面(石材)m2一八.860.01外墙柱面(面砖)m21764.450.56内墙柱面1252503.94内墙柱面(石材)m2174.140.06内墙柱面(轻钢骨架石膏板)m231.820.01内墙柱面(面砖)m2546.800.17天棚工程2222796.99轻钢骨架石膏板m223一八.520.74门窗工程2349857.39门(钢防盗门、实木门)m2167.160.05门(铝合金门、防火门)m221.750.01窗(铝合金窗)m2569.490.一八油漆涂料工程761282.39外墙涂料m2405.560.一三内墙涂料m27091.472.25其他工程1199473.77合计3178632100说明:表中每平米工程量=相应工程量÷总建筑面积。第4页共125页第3页共125页编号:时间:2021年x月x日书山有路勤为径,学海无涯苦作舟页码:第4页共125页象山某卫生院门诊楼建筑安装工程造价分析表本工程造价分析表由象山天信工程造价咨...

1、当您付费下载文档后,您只拥有了使用权限,并不意味着购买了版权,文档只能用于自身使用,不得用于其他商业用途(如 [转卖]进行直接盈利或[编辑后售卖]进行间接盈利)。
2、本站所有内容均由合作方或网友上传,本站不对文档的完整性、权威性及其观点立场正确性做任何保证或承诺!文档内容仅供研究参考,付费前请自行鉴别。
3、如文档内容存在违规,或者侵犯商业秘密、侵犯著作权等,请点击“违规举报”。

碎片内容

宁波某检测试验中心工程造价

确认删除?
VIP
微信客服
  • 扫码咨询
会员Q群
  • 会员专属群点击这里加入QQ群
客服邮箱
回到顶部