电脑桌面
添加小米粒文库到电脑桌面
安装后可以在桌面快捷访问

东庭西苑工程施工电梯方案改2(XXXX1205)VIP免费

东庭西苑工程施工电梯方案改2(XXXX1205)_第1页
1/49
东庭西苑工程施工电梯方案改2(XXXX1205)_第2页
2/49
东庭西苑工程施工电梯方案改2(XXXX1205)_第3页
3/49
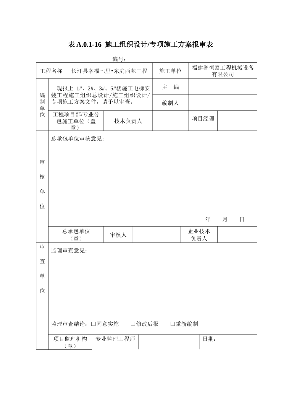
表A.0.1-16施工组织设计/专项施工方案报审表编号:工程名称长汀县幸福七里•东庭西苑工程施工单位福建省恒嘉工程机械设备有限公司编制单位现报上1#、2#、3#、5#楼施工电梯安装工程施工组织总设计/施工组织设计/专项施工方案文件,请予以审查。主编编制人工程项目部/专业分包施工单位(盖章)技术负责人项目经理审核单位总承包单位审核意见:年月日总承包单位(章)审核人企业技术负责人审查单位监理审查意见:监理审查结论:□同意实施□修改后报□重新编制项目监理机构(章)专业监理工程师日期:总监理工程师日期:长汀县幸福七里•东庭西苑工程1#、2#、3#、5#楼施工电梯安装方案编制人:审核人:审批人:福建省恒嘉工程机械设备有限公司2015年12月05日目录第1章编制说明及依据.........................................................................................................11.1编制说明.........................................................................................................................11.2编制依据.........................................................................................................................1第2章工程概况.....................................................................................................................1第3章施工电梯选型与定位.................................................................................................33.1施工电梯选型及定位原则.............................................................................................33.21#、2#、3#、5#楼施工电梯平面布置.........................................................................43.31#、2#、3#、5#楼施工电梯基础设计与验收.............................................................73.3.1施工电梯基础设计......................................................................................................73.3.2施工电梯基础施工及验收要求..................................................................................7第4章施工电梯安装施工、调试与验收.............................................................................84.1施工电梯安装组织机构.................................................................................................84.2施工电梯安拆进度计划.................................................................................................94.3电梯系统技术特点.........................................................................................................94.4电梯安装.......................................................................................................................114.4.1施工电梯安装程序图................................................................................................114.4.2施工电梯安装前的准备工作....................................................................................124.4.3施工电梯的安装架设................................................................................................124.5施工电梯的整机调试...................................................................................................194.5.1腰滚轮侧隙调试........................................................................................................194.5.2齿轮与齿条啮合间隙调试........................................................................................194.5.3导轮与齿条的间隙调试............................................................................................194.5.4电缆小车的调试.........................................

1、当您付费下载文档后,您只拥有了使用权限,并不意味着购买了版权,文档只能用于自身使用,不得用于其他商业用途(如 [转卖]进行直接盈利或[编辑后售卖]进行间接盈利)。
2、本站所有内容均由合作方或网友上传,本站不对文档的完整性、权威性及其观点立场正确性做任何保证或承诺!文档内容仅供研究参考,付费前请自行鉴别。
3、如文档内容存在违规,或者侵犯商业秘密、侵犯著作权等,请点击“违规举报”。

碎片内容

东庭西苑工程施工电梯方案改2(XXXX1205)

您可能关注的文档

中小学资料+ 关注
实名认证
内容提供者

精美课件,值得下载

确认删除?
VIP
微信客服
  • 扫码咨询
会员Q群
  • 会员专属群点击这里加入QQ群
客服邮箱
回到顶部