电脑桌面
添加小米粒文库到电脑桌面
安装后可以在桌面快捷访问

民建模板施工专项方案VIP免费

民建模板施工专项方案_第1页
1/43
民建模板施工专项方案_第2页
2/43
民建模板施工专项方案_第3页
3/43
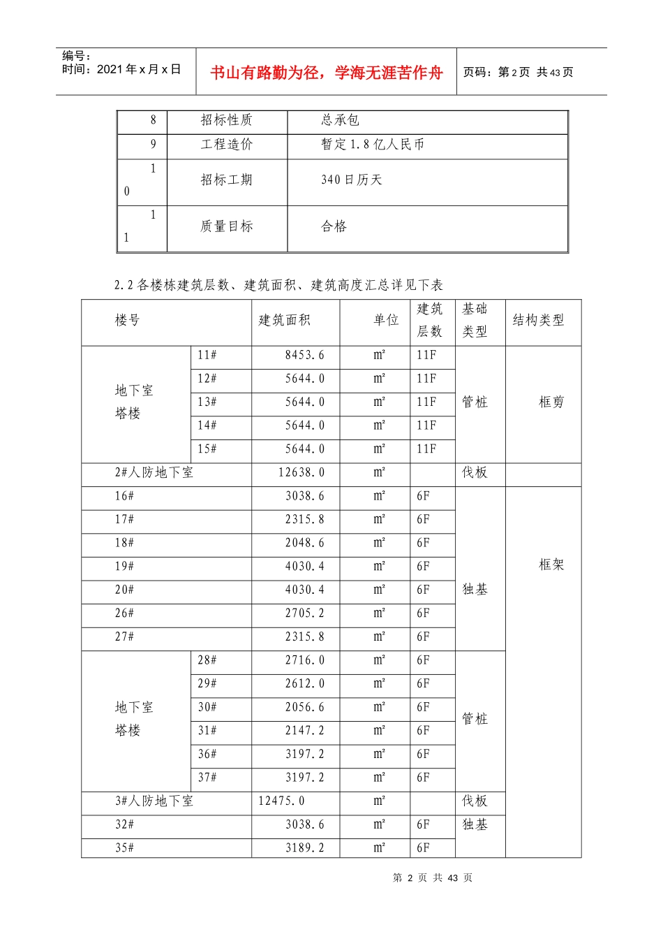
第1页共43页编号:时间:2021年x月x日书山有路勤为径,学海无涯苦作舟页码:第1页共43页芜湖鼎邦·家和园一期工程模板专项施工方案一、编制依据(1)鼎邦家和园一期工程施工组织总设计(2)鼎邦家和园一期工程施工蓝图(3)《建筑施工手册》(第四版)(4)《组合钢模板技术规范》GB50214-2001(5)《建筑安装工程质量检验评定统一标准》GB50300-2001(6)《钢框胶合板模板技术规程》(JG96-95)(7)《木结构设计规范》(GBJ5-88)(8)《钢结构设计规范》(GBJ17-88)(9)《混凝土结构工程施工质量验收规范》(GB50204-2002)(10)《建筑施工模板安全技术规范》JGJ162-2008(11)《建筑施工扣件式钢管脚手架安全技术规范》(JGJ103-2011)二、工程概况2.1本工程为芜湖鼎邦房地产开发有限公司建的鼎邦家和园一期工程,工程位于芜湖经济开发区尖山路和泰山路交界处,其中包括五栋十一层框剪结构单体(11#~15#),合计建筑面积31029.6m2;24栋六层框架结构单体(16#~20#、26#~32#、35#~46#)及一栋三层框架结构单体(47#),合计建筑面积78925.4m2;2#、3#一层地下室筏板结构,合计建筑面积25113.0m2;一期工程总建筑面积约135068m2。序号项目内容1工程名称鼎邦·家和园一期工程2工程地址芜湖经济技术开发区尖山路和泰山路交界处3业主单位芜湖鼎邦房地产开发有限公司4设计单位华优建筑设计院5监理单位浙江求是工程咨询监理有限公司6质量监督芜湖市建筑工程质量监督站7招标范围结构,室内、外装修,内、外墙涂料,水、电、风安装等。第2页共43页第1页共43页编号:时间:2021年x月x日书山有路勤为径,学海无涯苦作舟页码:第2页共43页8招标性质总承包9工程造价暂定1.8亿人民币10招标工期340日历天11质量目标合格2.2各楼栋建筑层数、建筑面积、建筑高度汇总详见下表楼号建筑面积单位建筑层数基础类型结构类型地下室塔楼11#8453.6㎡11F管桩框剪12#5644.0㎡11F13#5644.0㎡11F14#5644.0㎡11F15#5644.0㎡11F2#人防地下室12638.0㎡伐板16#3038.6㎡6F独基框架17#2315.8㎡6F18#2048.6㎡6F19#4030.4㎡6F20#4030.4㎡6F26#2705.2㎡6F27#2315.8㎡6F地下室塔楼28#2716.0㎡6F管桩29#2612.0㎡6F30#2056.6㎡6F31#2147.2㎡6F36#3197.2㎡6F37#3197.2㎡6F3#人防地下室12475.0㎡伐板32#3038.6㎡6F独基35#3189.2㎡6F第3页共43页第2页共43页编号:时间:2021年x月x日书山有路勤为径,学海无涯苦作舟页码:第3页共43页38#3189.2㎡6F39#4301.0㎡6F40#3038.6㎡6F41#3516.2㎡6F42#4675.8㎡6F43#3038.6㎡6F44#4301.0㎡6F45#4675.8㎡6F46#3516.2㎡6F47#2034.2㎡3F桩基小高层合计31029.6㎡多层合计78925.4㎡地下室合计25113.0㎡总计135068.0㎡本工程单体工程较多,为保证工程质量和施工进度,本工程在做好技术经济分析的基础上,加大模板的投入,以换取最佳经济效益和社会效益。三、施工部署及模板计算该工程结构形式相对较简单,为此我们更要保证混凝土的工程质量和外观效果,尽可能达到清水混凝土效果,减少抹灰和修补,因此,必须对模板,特别是梁板、柱、墙板、等结点处需精心设计,严格要求,在消灭质量通病的基础上追求观感。3.1.模板工程施工组织首先由项目总工程师对模板的形式进行选择,并作技术分析,然后由经营部进行成本分析,对其进行经济性优化。模板形式选定后,由项目总工程师编制模板方案。物供部负责模板厂家的选择,进行招投标。模板进场后由项目总工程师、经营部、物资部联合检验,出现不合格品应分析原因,及时调整并要求厂家进行更换。进场模板检验合格后由工程技术部进行交底,物供部负责落实实施并且对第4页共43页第3页共43页编号:时间:2021年x月x日书山有路勤为径,学海无涯苦作舟页码:第4页共43页模板的存放和保修。施工完毕后,由物资部负责清点退场。模板工程组织流程见下图3.2.模板的选型部位材料地地下部分筏板基础基础四周砌240厚砖墙,作为筏板基础的外模,抹混合砂浆作SBS防水材料,外部填土夯实。基础反梁18厚的胶合板,50×100的木龙骨和φ48×3.0脚手架钢管。地下室外墙18厚的胶合板,50×100的木龙骨和φ48×3.0脚手架钢管主次梁18厚的胶合板,50×100的木龙骨和φ4...

1、当您付费下载文档后,您只拥有了使用权限,并不意味着购买了版权,文档只能用于自身使用,不得用于其他商业用途(如 [转卖]进行直接盈利或[编辑后售卖]进行间接盈利)。
2、本站所有内容均由合作方或网友上传,本站不对文档的完整性、权威性及其观点立场正确性做任何保证或承诺!文档内容仅供研究参考,付费前请自行鉴别。
3、如文档内容存在违规,或者侵犯商业秘密、侵犯著作权等,请点击“违规举报”。

碎片内容

民建模板施工专项方案

确认删除?
VIP
微信客服
  • 扫码咨询
会员Q群
  • 会员专属群点击这里加入QQ群
客服邮箱
回到顶部