电脑桌面
添加小米粒文库到电脑桌面
安装后可以在桌面快捷访问

湾沟特大桥施工方案(DOC24页)VIP免费

湾沟特大桥施工方案(DOC24页)_第1页
1/23
湾沟特大桥施工方案(DOC24页)_第2页
2/23
湾沟特大桥施工方案(DOC24页)_第3页
3/23
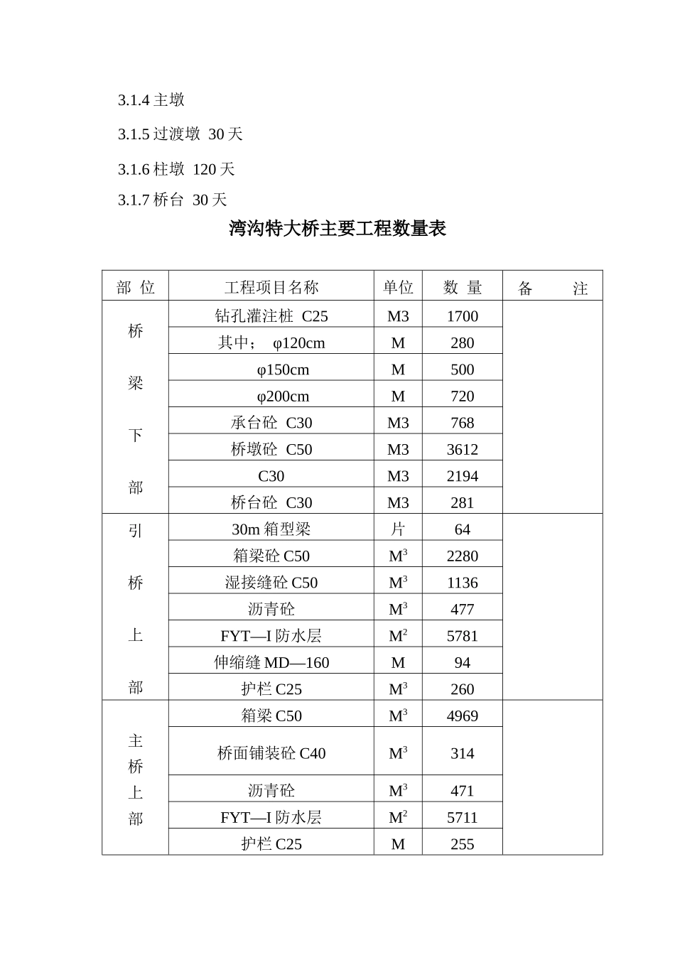
湾沟特大桥施工方案1、工程概况及特点1.1工程概况:湾沟特大桥位于西果园以南约2公里的湾沟,中心里程为K12+112.5,为跨深沟而设。湾沟大桥采用64+115+64m的连续刚构桥,下部为双薄壁墩,钻孔桩基础;兰州岸引桥上部为5孔30m连续箱梁,临洮岸为3孔30m连续箱梁,下部为柱式墩台,钻孔桩基础。主引桥之间设空心薄壁过渡墩。1.2工程特点:湾沟特大桥两岸为山坡,桥下山沟狭窄,桥面距沟心最低处约78m。湾沟特大桥主跨为连续刚构桥,而且位于曲线上。桥上纵坡为2.8%,是本段最复杂的桥梁工程之一。2、主要工程数量该桥主要工程数量见表(见下页)3、工程进度计划安排湾沟特大桥施工计划安排22个月,自2001年9月开工,2003年6月完工,详细的进度安排见湾沟特大桥施工进度横道图。各部分具体的进度计划分述如下:3.1下部工程3.1.1施工准备安排30天3.1.2钻孔桩工程60天3.1.3主墩承台20天3.1.4主墩3.1.5过渡墩30天3.1.6柱墩120天3.1.7桥台30天湾沟特大桥主要工程数量表部位工程项目名称单位数量备注桥梁下部钻孔灌注桩C25M31700其中;φ120cmM280φ150cmM500φ200cmM720承台砼C30M3768桥墩砼C50M33612C30M32194桥台砼C30M3281引桥上部30m箱型梁片64箱梁砼C50M32280湿接缝砼C50M31136沥青砼M3477FYT—I防水层M25781伸缩缝MD—160M94护栏C25M3260主桥上部箱梁C50M34969桥面铺装砼C40M3314沥青砼M3471FYT—I防水层M25711护栏C25M2553.2主桥上部工程(悬壁梁部分)3.2.1施工准备40天3.2.20#块及1#块现浇30天3.2.3挂蓝首次安装及调试安排20天(含预压)3.2.42#至12#段安装80天(按平均每七天一个施工周期)3.2.5直线段现浇工期25天,可与悬灌段平行作业,不占用总工期。3.2.6次边跨合拢、主跨合拢共20天(含拆挂蓝)3.2.7桥面铺装等附原工程安排90天3.3引桥上部工程3.3.1施工准备30天3.3.2箱梁预制80天3.3.3箱梁架设35天3.3.4顶横梁30天3.3.5箱梁湿接缝30天3.3.6拆除临时支座,完成体等转换5天3.3.7桥面铺装等附属工程安排90天4、施工队伍安排及机械配置4.1施工队伍安排4.1.1桥梁一队,共60人。承担全桥46根桩的施工任务,进场4台钻机。4.1.2桥梁二队,共150人。承担主桥桥墩、过渡墩、连续箱梁悬灌工程和桥面等附属工程的施工。4.1.3桥梁三队,共180人承担引桥桥墩、桥台、30m箱型梁的预制、架设、墩顶横梁、湿接、桥面等附属工程的施工。4.2机械设备配置根据该工程的具体特点,为保证按时保质保量的完成特大桥的施工任务,我局抽调了较先进的机械设备,投入本工程的施工。具体详见表3:拟投入本合同工程的主要施工机械表湾沟特大桥主桥使用两台塔吊,引桥使用汽车吊。5、施工现场平面布置及临时工程5.1施工现场平面布置见湾沟特大桥施工现场平面布置图。5.1.1施工一队营房及施工场地设在主桥的右侧,与二队共用砼搅拌站及加工场地。5.1.2施工二队营房及施工场地设在主桥的右侧。5.1.3施工三队营房及30m梁预制场设在湾沟特大桥临洮方路线上,土方施工队先施工K12+400~K12+730段路基,及预制场场地平整。为引桥的施工制造条件。5.2临时工程:5.2.1施工便道(1)自原G212国道曹家咀至湾沟特大桥兰台沿山转折返修一条便道,长度1800m,宽3.5m。(2)自原G212国道曹家咀至湾沟特大桥主桥下施工现场修一条便道长1100m,宽3.5m。(3)自原G212国道青岗岔至湾沟特大桥临洮台沿山转折返修一条便道,长2100m,宽3.5m。5.2.2施工用电就近利用当地家电,安装一台500KVA的弯压器,输电线路一公里。为了保证施工正常进行,并自备200KVA发电机2台120KW发电机一台。5.2.3施工用水在山下桥的右侧打井一眼,深25m,在山上修一高位蓄水池,容量60m3。三个砼搅和站各建一座10m3蓄水池,由高位蓄水池通过高差自流水向小蓄水池送水。6、主要工程的施工方法6.1钻孔桩工程施工方法6.1.1施工准备施工队进场后,首先修建施工便道,确保钻机进场就位。平整桩位施工场地,开挖泥浆池。将施工用水引至施工现场。6.1.2钻孔桩施工工艺钻孔桩施工,采用KP1500钻机进行钻孔作业。作业顺序如下:桩孔定位埋设护筒钻孔就位钻孔清孔下钢筋笼下导管灌注水下砼破桩头钻孔桩各工序施工工艺详见附件三:《钻孔桩施工工艺细则》6.1.3钻孔桩...

1、当您付费下载文档后,您只拥有了使用权限,并不意味着购买了版权,文档只能用于自身使用,不得用于其他商业用途(如 [转卖]进行直接盈利或[编辑后售卖]进行间接盈利)。
2、本站所有内容均由合作方或网友上传,本站不对文档的完整性、权威性及其观点立场正确性做任何保证或承诺!文档内容仅供研究参考,付费前请自行鉴别。
3、如文档内容存在违规,或者侵犯商业秘密、侵犯著作权等,请点击“违规举报”。

碎片内容

湾沟特大桥施工方案(DOC24页)

您可能关注的文档

中小学资料+ 关注
实名认证
内容提供者

精美课件,值得下载

确认删除?
VIP
微信客服
  • 扫码咨询
会员Q群
  • 会员专属群点击这里加入QQ群
客服邮箱
回到顶部