电脑桌面
添加小米粒文库到电脑桌面
安装后可以在桌面快捷访问

某投资担保股份有限公司业务管理体系作业指导书VIP免费

某投资担保股份有限公司业务管理体系作业指导书_第1页
1/165
某投资担保股份有限公司业务管理体系作业指导书_第2页
2/165
某投资担保股份有限公司业务管理体系作业指导书_第3页
3/165
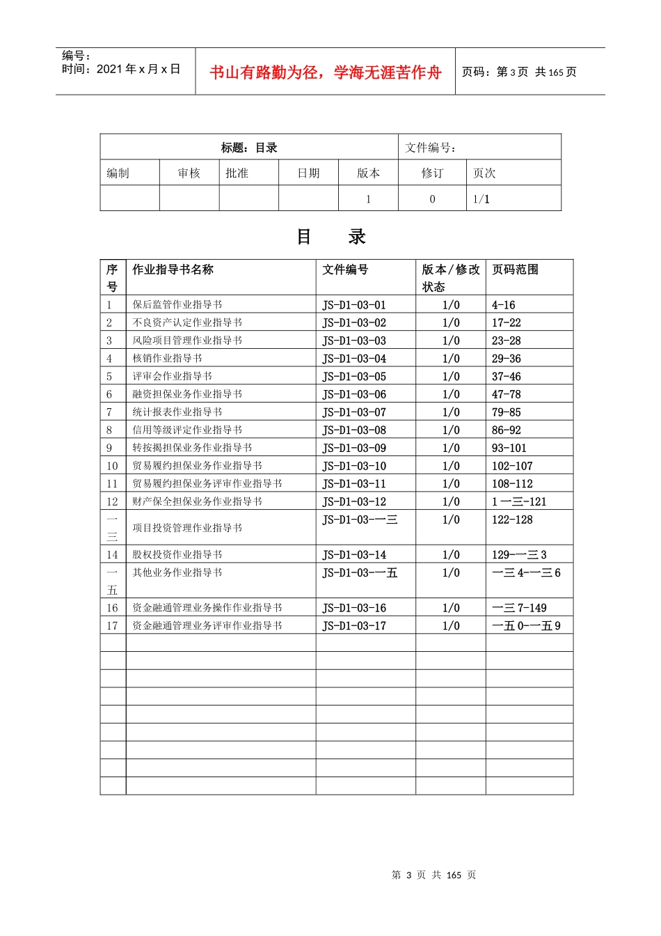
广东中盈盛达投资担保股份有限公司业务管理体系作业指导书(第1版)受控状态:编制人:审核人:批准人:发布日期:年月日生效日期:年月日发布部门:第1页共165页第2页共165页编号:时间:2021年x月x日书山有路勤为径,学海无涯苦作舟页码:第2页共165页标题:修改页文件编号:编制审核批准日期版本修订页次101/1修改页序号作业指导书文件修改状态修改人审批人生效日期修改内容简述123456789101112一三14一五1617一八192021第3页共165页第2页共165页编号:时间:2021年x月x日书山有路勤为径,学海无涯苦作舟页码:第3页共165页标题:目录文件编号:编制审核批准日期版本修订页次101/1目录序号作业指导书名称文件编号版本/修改状态页码范围1保后监管作业指导书JS-D1-03-011/04-162不良资产认定作业指导书JS-D1-03-021/017-223风险项目管理作业指导书JS-D1-03-031/023-284核销作业指导书JS-D1-03-041/029-365评审会作业指导书JS-D1-03-051/037-466融资担保业务作业指导书JS-D1-03-061/047-787统计报表作业指导书JS-D1-03-071/079-858信用等级评定作业指导书JS-D1-03-081/086-929转按揭担保业务作业指导书JS-D1-03-091/093-10110贸易履约担保业务作业指导书JS-D1-03-101/0102-10711贸易履约担保业务评审作业指导书JS-D1-03-111/0108-11212财产保全担保业务作业指导书JS-D1-03-121/01一三-121一三项目投资管理作业指导书JS-D1-03-一三1/0122-12814股权投资作业指导书JS-D1-03-141/0129-一三3一五其他业务作业指导书JS-D1-03-一五1/0一三4-一三616资金融通管理业务操作作业指导书JS-D1-03-161/0一三7-14917资金融通管理业务评审作业指导书JS-D1-03-171/0一五0-一五9第4页共165页第3页共165页编号:时间:2021年x月x日书山有路勤为径,学海无涯苦作舟页码:第4页共165页标题:保后监管作业指导书文件编号:JS-D1-03-01编制审核批准日期版本修订页次101/一三保后监管作业指导书1目的为保障公司融资担保业务稳健发展,贯彻全程风险管理原则,建立完善可行的保后监管工作机制,真实、全面、动态反映项目风险程度,以防范与控制保后风险,在项目承保后的固定时间区间内做好风险监管工作,使工作程序化、规范化,构筑一道可靠的融资担保业务风险防范墙。2适用范围本作业指导书适用于尚有在保余额且未解除担保责任的项目所覆盖的所有部门工作,但不包含移交风险管理部追收的风险项目。3职责3.1总经理3.1.1批准保后监管制度。3.1.2审核风险项目监管报告。3.1.3定期听取风险分管领导和业务分管领导关于保后监管工作的汇报。3.2风险分管领导3.2.1确立保后监管目标,建立保后管理和风险预警体系。3.2.2审批保后监管计划。3.2.3审核风险项目保后监管报告。3.2.4审批监管级别调整申请报告。第5页共165页第4页共165页编号:时间:2021年x月x日书山有路勤为径,学海无涯苦作舟页码:第5页共165页3.2.5指导和检查风险管理部工作。3.3.6定期抽查回访重点被保客户。3.3.7定期向总经理汇报保后监管工作情况。3.3业务分管领导标题:保后监管作业指导书文件编号:JS-D1-03-01编制审核批准日期版本修订页次102/一三3.3.1检查各业务部门按时完成保后监管工作。3.3.2审查保后监管报告。3.3.3定期抽查回访重点被保客户。3.3.4定期向总经理汇报业务部门保后监管工作情况。3.4担保部/分公司/三水办事处总经理3.4.1为本部保后监管总责任人,负责本部门监管工作计划的分解下达。3.4.2督促本部人员按时完成保后监管工作。3.4.3整合本部门资源,按需调整监管人。3.4.4审查保后监管报告,着重质量审查和风险评审。3.4.5定期抽查回访被保客户。3.4.6负责对本部逾期项目的督促催收,并提出防范及化解方案。3.4.7定期向分管领导汇报本部门保后监管工作情况。3.5风险管理部总经理3.5.1制定保后监管具体措施。3.5.2审查保后监管计划。3.5.3审核保后监管报告,着重风险评审。3.5.4定期抽查回访重点被保客户。3.5.5发现问题及时提出风险化解方案。3.5.6定期向分管领导汇报本部门保后监管工作情况。3.5.6不定期与业务分管领导、各部门负责人沟通保后监管情况。3.6监管人3.6.1按公司保后监管计划对被保客户实地监察。3.6.2对项目进...

1、当您付费下载文档后,您只拥有了使用权限,并不意味着购买了版权,文档只能用于自身使用,不得用于其他商业用途(如 [转卖]进行直接盈利或[编辑后售卖]进行间接盈利)。
2、本站所有内容均由合作方或网友上传,本站不对文档的完整性、权威性及其观点立场正确性做任何保证或承诺!文档内容仅供研究参考,付费前请自行鉴别。
3、如文档内容存在违规,或者侵犯商业秘密、侵犯著作权等,请点击“违规举报”。

碎片内容

某投资担保股份有限公司业务管理体系作业指导书

确认删除?
VIP
微信客服
  • 扫码咨询
会员Q群
  • 会员专属群点击这里加入QQ群
客服邮箱
回到顶部