电脑桌面
添加小米粒文库到电脑桌面
安装后可以在桌面快捷访问

桩基施工方案2VIP免费

桩基施工方案2_第1页
1/36
桩基施工方案2_第2页
2/36
桩基施工方案2_第3页
3/36
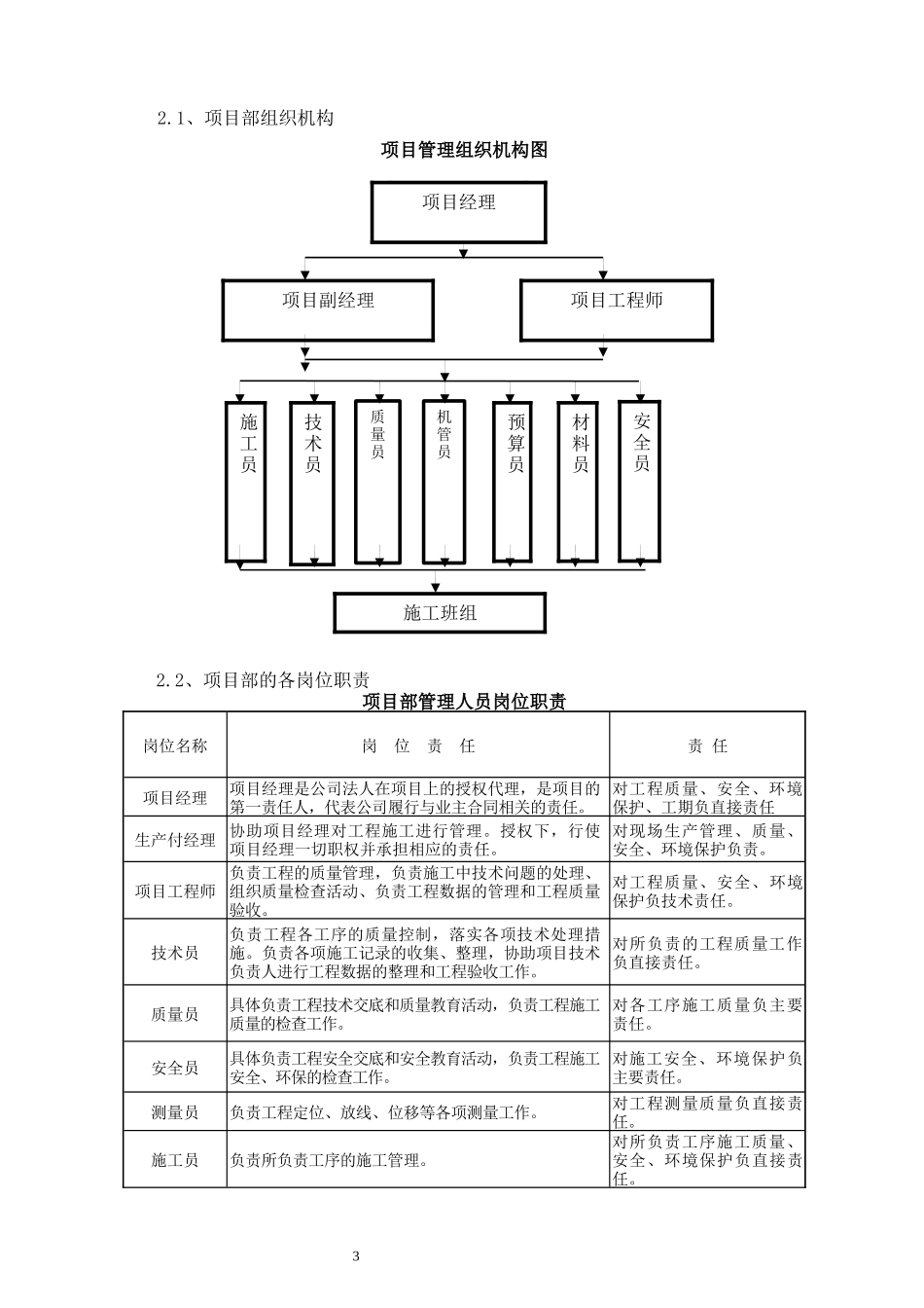
1一、编制依据、原则1、相关施工图纸及地质报告《原矿堆场1~4#配矿库桩基图》《岩土工程勘察成果报告》2、相关技术规范《建筑桩基技术规范》(JGJ94-2008)《建筑地基处理技术规范》(JGJ79-2012)《建筑地基基础工程施工质量验收规范》(GB50202--2012)《工程测量规范》(GB50026-2007)《建筑机械使用安全技术规程》(JGJ33—2012)《钢筋焊接及验收规范》(JGJ18-2012)3、其它文件、资料公司《质量手册》、《程序文件》、《作业指导书》《企业规程》和公其他有关管理文件;4、编制原则1、符合并满足业主的工期要求和规定;2、符合并满足国家有关施工技术规范、规程的要求和规定;3、符合并满足设计院施工图的有关技术要求;4、执行国家和地方政府关于环保方面的有关法律、法规;5、确保实现本工程的工程质量目标和安全管理目标。二、工程概况桩基工程设计概况本工程采用钻孔灌注桩,成孔方式为旋挖成孔。桩基设计等级甲级,地基基础设计等级甲级。桩径800mm,有效桩长为22m,1#、2#配矿仓桩顶高程为784.600m,3#、4#配矿仓桩顶高程为785.600m。本工程桩身混凝土强度等级为C30。桩身混凝土灌注必须连续进行,不得停顿.为了确保桩身质量,其充盈系数不得小于1.0,应注意控制最后一次混凝土灌注量,保证桩顶凿除泛浆高度后混凝土的质量达到设计要求。三、施工部署1、项目管理目标1.1、质量目标:合格。1.2、工期目标:有效工期30天,力争提前完工;1.3、安全目标21序号目标名称目标控制标准1安全文明目标建设工程安全文明工地2重大伤亡事故杜绝重大伤亡事故3重大机械事故杜绝重大机械事故4轻伤频率4‰以下5消防安全杜绝火灾事故6中毒事故杜绝急性中毒事故7隐患整改隐患整改率达到100%1.4环境目标序号环境目标控制目标1噪声排放达标无重大投诉噪声监测值昼间≤70dB,夜间≤55dB2污水排放标准COD监测值符合山西省环保局制定的标准3固体废弃物:分类管理;提高回收率1、回收可利用原材料,回收油漆、涂料包装材料2、有毒有害废物分类并合理处置;生活垃圾与建筑垃圾、有害与无毒无害分开放置4节约水电能源水:按工程预算用水量;电:按工程预算用电量5施工现场扬尘控制措施施工现场目测无扬尘、无焚烧烟尘1.5用户服务控制目标序号目标名称控制目标1工程施工阶段服务目标过程控制服务2工程竣工后的服务目标保修满意服务3保修期结束后的服务目标终身保质服务2、项目部组织机构和各位责任制工程施工设置项目管理部,项目管理部将按照公司“精心营造时代精品,以人为本确保安宁,预防污染保护环境,科学发展开拓创新”的管理方针,以不断创新的科研成果和一流的管理持续改进产品的质量,为顾客提供满意的产品;对重要环境因素及职业健康安全风险进行有效控制,消除或降低对环境及职业健康安全的有害影响。32质量员机管员2.1、项目部组织机构项目管理组织机构图2.2、项目部的各岗位职责项目部管理人员岗位职责岗位名称岗位责任责任项目经理项目经理是公司法人在项目上的授权代理,是项目的第一责任人,代表公司履行与业主合同相关的责任。对工程质量、安全、环境保护、工期负直接责任生产付经理协助项目经理对工程施工进行管理。授权下,行使项目经理一切职权并承担相应的责任。对现场生产管理、质量、安全、环境保护负责。项目工程师负责工程的质量管理,负责施工中技术问题的处理、组织质量检查活动、负责工程数据的管理和工程质量验收。对工程质量、安全、环境保护负技术责任。技术员负责工程各工序的质量控制,落实各项技术处理措施。负责各项施工记录的收集、整理,协助项目技术负责人进行工程数据的整理和工程验收工作。对所负责的工程质量工作负直接责任。质量员具体负责工程技术交底和质量教育活动,负责工程施工质量的检查工作。对各工序施工质量负主要责任。安全员具体负责工程安全交底和安全教育活动,负责工程施工安全、环保的检查工作。对施工安全、环境保护负主要责任。测量员负责工程定位、放线、位移等各项测量工作。对工程测量质量负直接责任。施工员负责所负责工序的施工管理。对所负责工序施工质量、安全、环境保护负直接责任。安全员材料员预算员技术员项目经理项目副经理...

1、当您付费下载文档后,您只拥有了使用权限,并不意味着购买了版权,文档只能用于自身使用,不得用于其他商业用途(如 [转卖]进行直接盈利或[编辑后售卖]进行间接盈利)。
2、本站所有内容均由合作方或网友上传,本站不对文档的完整性、权威性及其观点立场正确性做任何保证或承诺!文档内容仅供研究参考,付费前请自行鉴别。
3、如文档内容存在违规,或者侵犯商业秘密、侵犯著作权等,请点击“违规举报”。

碎片内容

桩基施工方案2

确认删除?
VIP
微信客服
  • 扫码咨询
会员Q群
  • 会员专属群点击这里加入QQ群
客服邮箱
回到顶部