电脑桌面
添加小米粒文库到电脑桌面
安装后可以在桌面快捷访问

聚苯板外墙外保温面砖饰面施工方案VIP免费

聚苯板外墙外保温面砖饰面施工方案_第1页
1/17
聚苯板外墙外保温面砖饰面施工方案_第2页
2/17
聚苯板外墙外保温面砖饰面施工方案_第3页
3/17
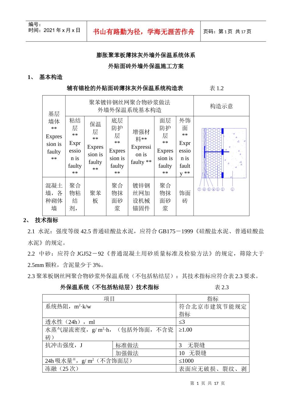
第1页共17页编号:时间:2021年x月x日书山有路勤为径,学海无涯苦作舟页码:第1页共17页膨胀聚苯板薄抹灰外墙外保温系统体系外贴面砖外墙外保温施工方案1、基本构造辅有锚栓的外贴面砖薄抹灰外保温系统构造表表1.2基层墙体**Expressionisfaulty**聚苯镀锌钢丝网聚合物砂浆做法外墙外保温系统基本构造构造示意粘结层**Expressionisfaulty**保温层**Expressionisfaulty**底层防护层**Expressionisfaulty**增强材料**Expressionisfaulty**面层防护层**Expressionisfaulty**外饰面**Expressionisfaulty**混凝土墙,各种砌体墙聚合物粘结剂,聚苯板聚合物抹面砂浆镀锌钢丝网加设机械锚固件聚合物抹面砂浆饰面砖2、技术指标2.1水泥:强度等级42.5普通硅酸盐水泥,应符合GB175-1999《硅酸盐水泥、普通硅酸盐水泥》的规定。2.2中砂:应符合JGJ52-92《普通混凝土用砂质量标准及检验方法》的规定,筛除大于2.5mm颗粒,含泥量少于3%。2.3聚苯板钢丝网聚合物砂浆外保温系统(不包括粘结层):其技术指标应符合表2.3要求。外保温系统(不包括粘结层)技术指标表2.3项目指标系统热阻,m2·k/w符合北京市建筑节能规定指标透水性(24h),ml≤3水蒸气湿流密度,g/m2·h,(包括外饰面,不含瓷砖)≥1.00抗冲击强度,J标准做法3无裂缝加强做法10无裂缝24h吸水量※,g/m2(不含饰面层)≤1000冻融(25次)表面应无破损、裂纹、剥第2页共17页第1页共17页编号:时间:2021年x月x日书山有路勤为径,学海无涯苦作舟页码:第2页共17页落现象※如吸水量≤500g/m2,可不做冻融试验2.4聚苯乙烯泡沫塑料板:其性能指标除应符合表2.4.1,表2.4.2的要求外,还应符合GB/T10801.1-2002绝热用模塑聚苯乙烯泡沫塑料第Ⅱ类(阻燃型)的其他要求。膨胀聚苯板上墙前应在自然条件下陈化42d或在60℃蒸汽中陈化5d。聚苯乙烯泡沫塑料板技术指标表2.4.1项目指标项目指标表观密度,kg/m3≥22水蒸汽透湿系数,ng/Pa.m.s≤4.5项目指标项目指标压缩强度,MPa≥0.1尺寸稳定性,%≤0.2抗压强度,MPa≥0.1吸水率,%(v/v)≤4断裂弯曲负荷,N≥25氧指数,%≥30弯曲变形,mm≥20导热系数,w/m.k≤0.041聚苯乙烯泡沫塑料板的允许偏差表2.4.2项目允许偏差项目允许偏差厚度,mm不大于50±1.5宽度,mm±1.5大于50±2.0对角线差,mm±3.0长度,mm900±1.5板边平直,mm±2.01200±2.0版面平整度,mm±1.02.5聚合物水泥砂浆胶粘剂:其技术指标见表2.5。聚合物水泥砂浆胶粘剂技术指标表2.5项目指标拉伸粘结强度,Mpa(与水泥砂浆)常温常态≥0.70耐水≥0.50拉伸粘结强度,Mpa(与18±1kg/m3聚苯板)常温常态≥0.10,或聚苯板破坏耐水≥0.10,或聚苯板破坏可操作时间,h≥22.6聚合物抹面砂浆:其技术指标见表2.6。抹面砂浆总厚度宜控制在6mm~9mm。聚合物抹面砂浆技术指标表2.6项目指标拉伸粘结强度,Mpa(与18kg/m3聚苯板)常温常态≥0.10,或聚苯板破坏耐水≥0.10,或聚苯板破坏耐冻融≥0.10,或聚苯板破坏柔韧性抗压强度/抗折强度(水泥基)≤3.0第3页共17页第2页共17页编号:时间:2021年x月x日书山有路勤为径,学海无涯苦作舟页码:第3页共17页开裂应变(无水泥基),%≥1.5可操作时间,h≥22.7耐碱型玻璃纤维网格布:其性能指标应符合表2.7的要求。耐碱型玻璃纤维网格布技术指标表2.7试验项目性能指标(标准网布)网孔中心距,mm4~6单位面积质量,g/m2≥160断裂应变,%≤5耐碱断裂强力保留值(经纬向),%≥50耐碱断裂强力保留值,N/50mm≥750含胶量,%耐碱型玻璃纤维网格布≥8耐碱型玻璃纤维网格布≥202.8镀锌钢丝网满足表2.8性能指标:镀锌钢丝网性能指标表2.8项目单位指标工艺-热镀锌电焊网丝径mm1网孔大小mm12.5×12.5焊点抗拉力N>65镀锌层重量g/m2≥1222.9机械锚固件:制作螺钉的材料应是不锈钢或经表面处理的金属;塑料套管和圆盘应用聚酰胺(PA6或PA6.6)、聚乙烯(PE)或聚本烯(PP)等材料制成,不得使用回收的再生材料。外保温系统与基层墙体的联结可以是粘结,也可以是粘结和机械锚固相结合。在以下情况时应当使用机械锚固件:1)基层墙体表面状况不易保证粘结强度;2)施工条件不适合粘结;3)设计要求采用机械锚固件...

1、当您付费下载文档后,您只拥有了使用权限,并不意味着购买了版权,文档只能用于自身使用,不得用于其他商业用途(如 [转卖]进行直接盈利或[编辑后售卖]进行间接盈利)。
2、本站所有内容均由合作方或网友上传,本站不对文档的完整性、权威性及其观点立场正确性做任何保证或承诺!文档内容仅供研究参考,付费前请自行鉴别。
3、如文档内容存在违规,或者侵犯商业秘密、侵犯著作权等,请点击“违规举报”。

碎片内容

聚苯板外墙外保温面砖饰面施工方案

您可能关注的文档

确认删除?
VIP
微信客服
  • 扫码咨询
会员Q群
  • 会员专属群点击这里加入QQ群
客服邮箱
回到顶部