电脑桌面
添加小米粒文库到电脑桌面
安装后可以在桌面快捷访问

模板工程施工方案(碗扣式脚手架)VIP专享VIP免费

模板工程施工方案(碗扣式脚手架)_第1页
1/36
模板工程施工方案(碗扣式脚手架)_第2页
2/36
模板工程施工方案(碗扣式脚手架)_第3页
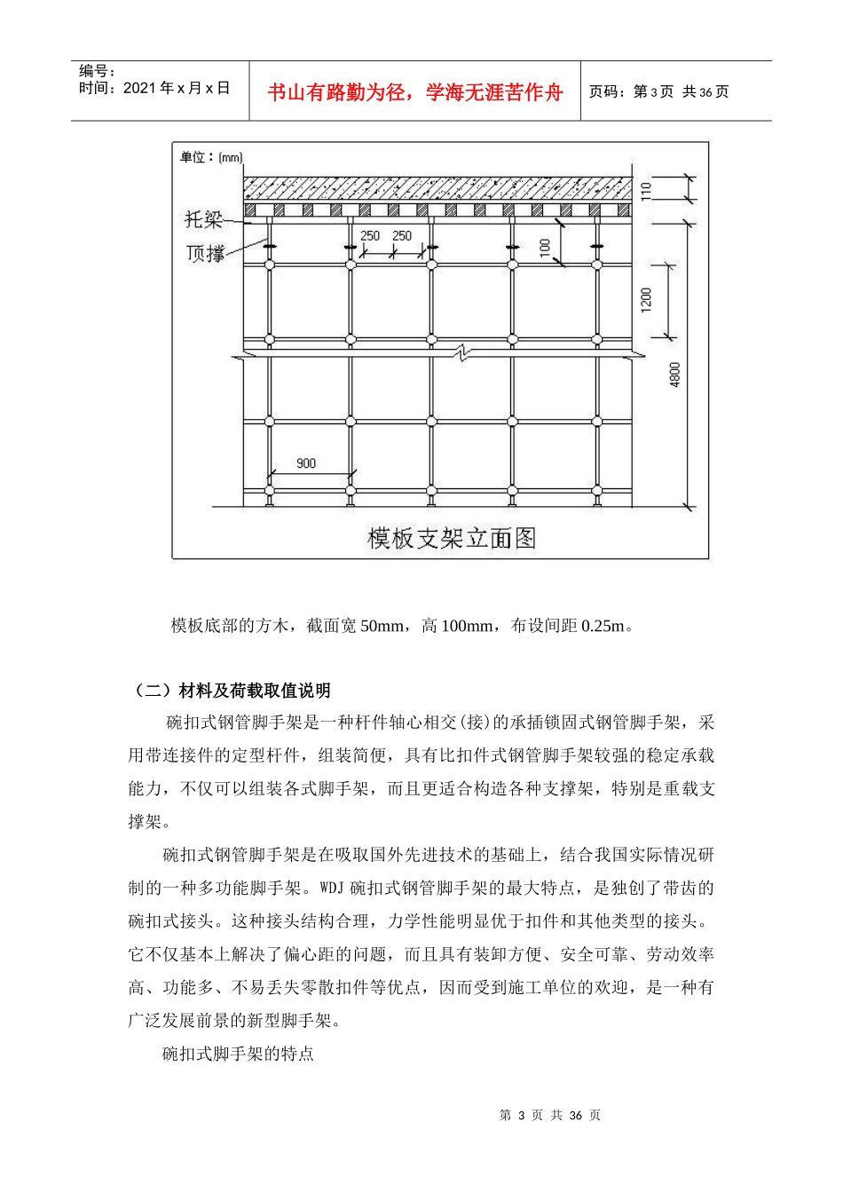
3/36
第1页共36页编号:时间:2021年x月x日书山有路勤为径,学海无涯苦作舟页码:第1页共36页模板施工方案(碗扣式支撑)方案一、工程概况本工程场地位于天津市津南区御惠道以北、高营路以西。本工程包括厂房一、厂房二及办公楼两栋楼以及附属公厕,厂房一建筑层数为地上2层,局部3层;厂房二及实验检测中心建筑层数为地上6层,均无地下工程,总建筑面积为65543.5平方米。桩承台基础,结构形式均为钢筋混凝土框架结构,建筑设计使用年限为50年,抗震设防烈度为七度,建筑物的结构抗震等级为框架三级。厂房一,建筑高度为17.4m,首层层高7.8m,二层除仓库为3.9m外(仓库三层3.9m),其余二层层高为7.8米。厂房二及实验检测中心,建筑高度23.55m,地上一层为4.2m,二~四层层高均为3.6米,五~六层层高圴为3.3m。本工程最大的特点是质量要求高、工期紧。原计划模板支撑体系采用钢管扣件脚手架和门式脚手架,为保证工程施工进度及模板支撑体系的安全可靠性,现改为碗扣式脚手架。二、施工准备工作1、技术准备组织现场管理人员熟悉、审查施工图纸,编制施工图预算,重点对框架模板结构施工等分项工序的技术、质量和工艺要求进行学习,并将其质量和工艺的要点向作业班组作详细的交底,并做好文字记录。2、物资准备按照施工方案做好模板结构体系的主要材料计划,根据施工平面图的要求,组织好所需的材料、机具按计划进场,在指定地点,按规定方式进行储存、堆放,确保施工所需。3、劳动组织准备根据项目经理部架构,按照劳动需要量计划,组织劳动力进场,并对其进第2页共36页第1页共36页编号:时间:2021年x月x日书山有路勤为径,学海无涯苦作舟页码:第2页共36页行安全、防火、文明施工等方面的教育,向施工班组、工人进行施工方案、计划和技术交底。并建立、健全各项现场管理制度。三、综合说明(一)模板支架选型根据本工程实际情况,结合施工单位现有施工条件,经过综合技术经济比较,选择碗扣式钢管脚手架作为模板支架的搭设材料,进行相应的设计计算。(二)编制依据1、中华人民共和国行业标准,《建筑施工碗扣式钢管脚手架安全技术规范》(JGJ166-2008)。2、《建筑施工安全手册》3、建设部《建筑施工安全检查标准》(JGJ59-99)。4、本工程相关图纸,设计文件。5、国家有关模板支撑架设计、施工的其它规范、规程和文件,四、搭设方案(一)基本搭设参数模板支架高H为5.25m,立杆步距h(上下水平杆轴线间的距离)取1.2m,立杆纵距la取0.9m、1.2m,横距lb取0.9m、1.2m。立杆伸出顶层横向水平杆中心线至模板支撑点的自由长度a取0.6m。整个支架的简图如下所示。第3页共36页第2页共36页编号:时间:2021年x月x日书山有路勤为径,学海无涯苦作舟页码:第3页共36页模板底部的方木,截面宽50mm,高100mm,布设间距0.25m。(二)材料及荷载取值说明碗扣式钢管脚手架是一种杆件轴心相交(接)的承插锁固式钢管脚手架,采用带连接件的定型杆件,组装简便,具有比扣件式钢管脚手架较强的稳定承载能力,不仅可以组装各式脚手架,而且更适合构造各种支撑架,特别是重载支撑架。碗扣式钢管脚手架是在吸取国外先进技术的基础上,结合我国实际情况研制的一种多功能脚手架。WDJ碗扣式钢管脚手架的最大特点,是独创了带齿的碗扣式接头。这种接头结构合理,力学性能明显优于扣件和其他类型的接头。它不仅基本上解决了偏心距的问题,而且具有装卸方便、安全可靠、劳动效率高、功能多、不易丢失零散扣件等优点,因而受到施工单位的欢迎,是一种有广泛发展前景的新型脚手架。碗扣式脚手架的特点9000097680第4页共36页第3页共36页编号:时间:2021年x月x日书山有路勤为径,学海无涯苦作舟页码:第4页共36页细节一性能特点碗扣式脚手架具有以下性能特点:(1)多功能碗扣式脚手架可根据施工要求,组成模数为0.6m的多种组架尺寸和荷载的单排、双排脚手架,支撑架,支撑柱,物料提升架,爬升脚手架等多功能的施工设备、并能作曲线布置。布架场地不需做大面积的整平。(2)接头拼拆速度快由于采用了碗扣接头.避免了扣件螺栓人工操作。只用一把铁锤即可进行安装和拆卸作业,安装和拆卸速度比扣件式钢管脚手架快5倍以上。(3)减...

1、当您付费下载文档后,您只拥有了使用权限,并不意味着购买了版权,文档只能用于自身使用,不得用于其他商业用途(如 [转卖]进行直接盈利或[编辑后售卖]进行间接盈利)。
2、本站所有内容均由合作方或网友上传,本站不对文档的完整性、权威性及其观点立场正确性做任何保证或承诺!文档内容仅供研究参考,付费前请自行鉴别。
3、如文档内容存在违规,或者侵犯商业秘密、侵犯著作权等,请点击“违规举报”。

碎片内容

模板工程施工方案(碗扣式脚手架)

确认删除?
VIP
微信客服
  • 扫码咨询
会员Q群
  • 会员专属群点击这里加入QQ群
客服邮箱
回到顶部