电脑桌面
添加小米粒文库到电脑桌面
安装后可以在桌面快捷访问

钢筋制作施工方案VIP免费

钢筋制作施工方案_第1页
1/28
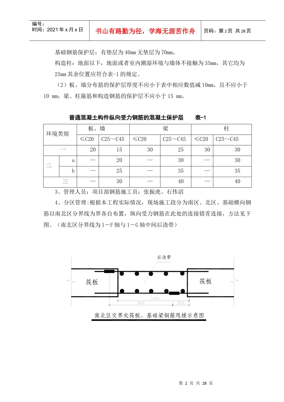
钢筋制作施工方案_第2页
2/28
钢筋制作施工方案_第3页
3/28
第1页共28页编号:时间:2021年x月x日书山有路勤为径,学海无涯苦作舟页码:第1页共28页一、编制依据1.《混凝土结构工程施工质量验收规范》(GB50204—2002)2.《混凝土结构施工图平面整体表示方法制图规则和构造详图》(03G101-1)3.《钢筋混凝土用热轧带肋钢筋》(GB1499—1998)4.《钢筋混凝土用热轧光圆钢筋》(GB13013—1991)5.《钢筋焊接及验收规范》(JGJ18—2003)6.《钢筋滚轧直螺纹连接技术规程》(DBJ24-25-04)7.本工程设计图纸及相关的图纸会审记录、设计变更洽商单二、钢筋分项工程概况秦汉唐国际文化商业广场工程地下二层,地上三层,局部四层。主体高度13.8~20.0m,总建筑面积为147797m2。基础结构形式为梁板式筏形基础,基础为梁式筏板结构,主体为现浇钢筋混凝土框架结构。垫层顶标高为-11.39,抗震设计等级为一级,抗震设防烈度为八度。本工程由西安秦汉唐国际广场管理有限公司建设,陕西华建监理公司监理,陕西建工集团总公司承建。1、主要构件配筋设计:(1)地下室基础梁钢筋:通长主筋25箍筋10@200加筋25底板钢筋双层双向20@200(2)墙钢筋:竖向18@110、16@200、14@200、14@150、14@100水平16@200、16@180、14@200、14@100、12@100墙体拉筋:Ф6@600×600梅花布置(3)柱钢筋:32、28、25、22箍筋10@100/2002、钢筋保护层(1)纵向受力钢筋,其混凝土保护层厚度不应小于钢筋的公称直径根据本工程图纸规定第2页共28页第1页共28页编号:时间:2021年x月x日书山有路勤为径,学海无涯苦作舟页码:第2页共28页基础钢筋保护层:有垫层为40mm无垫层为70mm,构造柱:地面以下,地面或者室内潮湿环境与墙体不接触为35mm,其它均为25mm其余位置应符合表-1的规定。(2)板、墙分布筋的保护层厚度不应小于表中相应数值减10mm,且不应小于10mm;梁、柱箍筋和构造钢筋的保护层不应小于15mm。普通混凝土构件纵向受力钢筋的混凝土保护层表-1环境类别板、墙梁柱≤C20C25~C45≤C20C25~C45≤C20C25~C45一201530253030二a—20—30—30b—25—35—35三—30—40—403、管理人员:项目部钢筋施工员:张振虎、石伟滔4、分区管理:根据本工程实际情况,现场施工段分为南区、北区。基础横向钢筋以南北区分界线为界各自布置,纵向受力钢筋在此处的连接错茬连接,方法见下图。(南北区分界线为1-F轴与1-G轴中间后浇带)筏板筏板后浇带南北区交界处筏板、基础梁钢筋甩槎示意图第3页共28页第2页共28页编号:时间:2021年x月x日书山有路勤为径,学海无涯苦作舟页码:第3页共28页三、钢筋进场钢筋进场时间必须依照工程实际进度,进场钢筋必须有标识,标识上必须写明此部分钢筋所用工程部位及钢筋规格等。进场钢筋由项目技术质量部和物资部牵头组织验收。验收要严格按相关规范、钢筋配料单及施工方案执行,不合格的钢筋坚决组织退场,并做好相关物资管理记录和重新进场计划。1、原材检验(1)对进场钢筋必须认真检验,钢筋须有出厂合格证,钢筋进场时进行复检,钢筋物理试验必试项目:弯曲试验、拉伸试验。(2)在保证设计规格及力学性能的情况下,钢筋表面必须清洁无损伤,不得带有颗粒状或片状铁锈、裂纹、结疤、折叠、油渍和漆污等,钢筋断头保证平直,无弯曲。(3)原材试验报告单的分批必须正确,同炉号、同牌号、同规格、同交货状态的钢筋不大于60t作为一批;允许由同一牌号、同一冶炼方法、同一浇注方法同规格而不同炉号组成混合批,但各炉号含碳量之差不大于0.02%、含锰量之差不大于0.15%。(4)原材试验应符合有关规定和规范要求,且必须有监理工程师见证取样。2、现场储存对经调直出来的钢筋如箍筋等,应搭设棚架,集中码放,防雨淋锈蚀。其他钢筋应架空分规格码放,其架空高度不应小于10cm。钢筋码放场地应平整,有良好的排水措施。码放钢筋应做好标识,标识上应注明规格、产地、日期、使用部位等。四、钢筋加工钢筋机械配设调直-切断、切断-成型、机械加工箍筋及布料四条生产线。加工设备必须经过安全部门验收合格后方可使用。1、钢筋备料(1)钢筋在加工前应洁净、无损伤,油渍、漆污应在使用前清理干净。(2)钢筋采...

1、当您付费下载文档后,您只拥有了使用权限,并不意味着购买了版权,文档只能用于自身使用,不得用于其他商业用途(如 [转卖]进行直接盈利或[编辑后售卖]进行间接盈利)。
2、本站所有内容均由合作方或网友上传,本站不对文档的完整性、权威性及其观点立场正确性做任何保证或承诺!文档内容仅供研究参考,付费前请自行鉴别。
3、如文档内容存在违规,或者侵犯商业秘密、侵犯著作权等,请点击“违规举报”。

碎片内容

钢筋制作施工方案

确认删除?
VIP
微信客服
  • 扫码咨询
会员Q群
  • 会员专属群点击这里加入QQ群
客服邮箱
回到顶部