电脑桌面
添加小米粒文库到电脑桌面
安装后可以在桌面快捷访问

某超市水源热泵空调方案与投资概算VIP免费

某超市水源热泵空调方案与投资概算_第1页
1/28
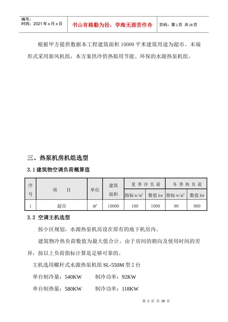
某超市水源热泵空调方案与投资概算_第2页
2/28
某超市水源热泵空调方案与投资概算_第3页
3/28
第1页共28页编号:时间:2021年x月x日书山有路勤为径,学海无涯苦作舟页码:第1页共28页仁怀北京XX超市水源热泵空调方案及投资概算一、设计规范及依据《采暖通风与空气调节设计规范》GB50019-2003《水源热泵机组》GB19409-2003《通风与空调工程施工质量验收规范》GB50243-2002《制冷设备安装工程施工及验收规范》GBJ66-84《建筑给水排水及采暖工程施工质量验收规范》GB50242-2002《空气调节系统经济运行》GB/T17981-2000《公共建筑节能设计标准》DGJ08-107-2006《居住建筑节能设计标准》DBJ-037-2006《给水用聚乙烯(PE)管材》GB/T13663《建筑防排烟技术规范》DGJ08-88-2006《实用供热空调设计手册》二、工程概况第2页共28页第1页共28页编号:时间:2021年x月x日书山有路勤为径,学海无涯苦作舟页码:第2页共28页根据甲方提供数据本工程建筑面积10000平米建筑用途为超市。末端形式采用新风机组,本方案供冷供热拟用节能、环保的水源热泵机组。三、热泵机房机组选型3.1建筑物空调负荷概算值3.2空调主机选型按小区规划,水源热泵机房设在原有的地下机房内。建筑物冷热负荷数值为最大值合计,由于房间的朝向及使用时间的差异,按以上负荷指标计算是足够可靠的。主机选用螺杆式水源热泵机组SL-550M型2台单台制冷量:540KW制冷功率:92KW单台制热量:580KW制冷功率:118KW序号项目单位建筑面积夏季冷负荷冬季热负荷指标w/m2数值kw指标w/m2数值kw1超市㎡10000100100090900第3页共28页第2页共28页编号:时间:2021年x月x日书山有路勤为径,学海无涯苦作舟页码:第3页共28页配置负荷略接近设计负荷,可以满足使用要求,达到国家供暖标准。从国家能源发展形势分析,煤炭为不可再生资源,其价格只能上升不可能下降,而电力会随着核电、水电的发展会出现总体稳定的趋势,所以采用地源热泵空调机房的方式具有以下几个明显的优势:有利润可赚,节省出投资、节约运行费利用大部分可再生能源,节省一次能源的消耗减少燃烧产生的污染物排放、缓解温室效应3.3地下水量和打井数量确定1地下水的水量计算夏季水源水量GS(m3/h)按下式计算Gs=0.86(Qr-N)/Δts式中Qr-水源热泵主机制热量,KW;N-水源热泵主机制热功率,KW;第4页共28页第3页共28页编号:时间:2021年x月x日书山有路勤为径,学海无涯苦作舟页码:第4页共28页Δts-水源水进出热泵机组温差,℃。夏季地下水量:0.86×(1180+184)/10=136m3/h2打井数量的确定该工程需要地下水量为136m3/h,根据该工程所在地水文地质条件,暂定单井出水量60m3/h考虑,则需要抽水井3口,按照1:1比例回灌,根据我公司的水源热泵热源井的取水与回灌技术,总共打井6口。具体情况经实验井测试出水、回灌量后,再确定实际打井数量。水源水质情况良好,只需作一般性水处理:旋流除砂器、软化水处理器。3井位的布置(1)、水井抽水基本原理图(2)、水井的位置的确定原则●傍河抽水,宜平行于河流●远河地区,宜垂直地下水流向布置第5页共28页第4页共28页编号:时间:2021年x月x日书山有路勤为径,学海无涯苦作舟页码:第5页共28页●大厚度含水层或多层含水层,可分段或分组布置抽水井组●基岩地区,宜根据蓄水构造及地貌条件布置于蓄水地段●抽水与回灌井距应小于影响半径R,两抽水井距离应大于R●抽水井总出水量应能达到机组总用水量的110~120%●宜考虑设置观测孔,以监测地下水动态4、水源热泵可靠运行的条件(1)水源凡是水量、水温能够满足用户制热负荷或制冷负荷的需要,水质对机组设备不产生腐蚀损坏的任何水源都可作为水源热泵机组系统利用的水源,既可以是再生水源,也可以是自然水源。就具体工程而言,应从实际情况出发,判断是否具备可利用的水源。不同工程的场地环境和水文地质条件千差万别,可利用的水源各不相同,应因地制宜地选择适用水源。当有不同水源可供选择时,应通过技术经济分析,择优确定。(2)水温与水量1)水温水源的水温要适度,在制热运行工况水源水直接进入蒸发器,进水温度应为10~22℃;在制冷运行工况下水源水直接进入冷凝器时,进水温度温度应为18~40℃。如水源水温度不宜直接进机组时,也可用换热器将水温调节为适用于...

1、当您付费下载文档后,您只拥有了使用权限,并不意味着购买了版权,文档只能用于自身使用,不得用于其他商业用途(如 [转卖]进行直接盈利或[编辑后售卖]进行间接盈利)。
2、本站所有内容均由合作方或网友上传,本站不对文档的完整性、权威性及其观点立场正确性做任何保证或承诺!文档内容仅供研究参考,付费前请自行鉴别。
3、如文档内容存在违规,或者侵犯商业秘密、侵犯著作权等,请点击“违规举报”。

碎片内容

某超市水源热泵空调方案与投资概算

您可能关注的文档

确认删除?
VIP
微信客服
  • 扫码咨询
会员Q群
  • 会员专属群点击这里加入QQ群
客服邮箱
回到顶部