电脑桌面
添加小米粒文库到电脑桌面
安装后可以在桌面快捷访问

洁净工程的调试方案VIP免费

洁净工程的调试方案_第1页
1/5
洁净工程的调试方案_第2页
2/5
洁净工程的调试方案_第3页
3/5
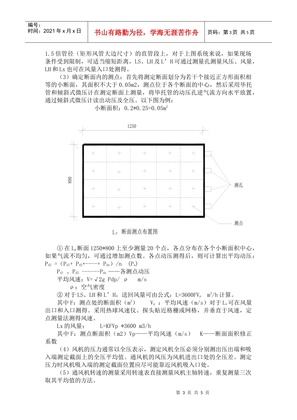
第1页共5页编号:时间:2021年x月x日书山有路勤为径,学海无涯苦作舟页码:第1页共5页洁净工程的调试方案5.1洁净房设计参数1、了解设计参数,熟悉各房间的温度、湿度、洁净度、送风、回风、排风、正压风量。室外设计参数夏季空调计算干球温度32.0℃夏季空调计算湿球温度28.3℃夏季通风计算温度32.0℃冬季采暖计算温度-6℃冬季通风计算温度1℃室内设计参数:办公室、休息间等房间温度18~28℃弱电间为:温度:18~28℃,相对湿度:40%~70%。首先要:分析设计图纸的系统图,各房间的相对压差分析统计计算所有房间的设计参数:例:A11-01-CAU-AH-1系统洁净空调设计参数:房间号洁净度温度℃湿度%送风量m3/h回风量排风量m3/h正压风量烧结间723±2RH=40~5582007110900190LTCC制造室723±2RH=40~5516240143506701220厚膜室723±2RH=40~55160201283021201070暗室723±2RH=40~5533803110270调阻室723±2RH=40~5533802910200270板实验室723±2RH=40~5595308770760蒸发室723±2RH=40~5512530114301001000LTCC制造室(内小房间)23±2RH=40~55216020001605.2编制调试方案的依据设计图纸及相关规范要求。5.3人员的组成在新建的空调系统安装结束,正式投入使用前,需由设计、施工和建设单位联合组成调试小组,对系统进行测试调整,这对于检验设计是否正确、施工是否可靠、设备性能是否合格,都是必不可少的环节,也是施工单位交工前的重要工序。5.4调试目的空调通风系统测定与调整的目的,就是要检测各空调机组送风量和排风、排烟风机、风量是否满足设计要求。各洁净房间的设计参数是否符合设计要求,并按设计要求调整平衡各个风口的风量,以保证室内主要参数如送风量(换气次数)、温度、湿度、噪声、洁净度等满足设计图纸要求。检测完毕后,应针对检测中发现的问题提出恰当改进的措施,使系统更完善,从而使空调机组在运行中达到经济和实用的目的。第2页共5页第1页共5页编号:时间:2021年x月x日书山有路勤为径,学海无涯苦作舟页码:第2页共5页5.5调试内容根据本工程空调系统特点,通风空调系统的无生产负荷联动试运转后测定和调整包括以下内容:(1)风管漏风量测试(2)空调机组性能的测定(3)系统风量测定与调整(4)洁净房间送风量、回风量、排风量的调整;(5)洁净房间温、湿度调整;(6)洁净房间洁净度(尘埃粒子)的测定;(7)洁净房间噪声的测定;(8)洁净房间照度的测定;(9)表面防静电导电性能的测定;5.6调试前的准备工作调试前的条件空调系统调试以前,首先应熟悉空调系统全部设计资料,包括图纸和设计说明,充分领会设计意图,了解各种设计参数、系统的全貌及空调设备的性能及使用方法等;调试前,必须查清施工方法与设计要求不符合及加工安装质量不合格的地方,并且提出意见整改;准备好试验调整所需仪器和必须工具,安排好调试人员及调试配合人员,调试配合人员应包括通风工和电工。现场准备工作(1)打开系统上全部阀门,并检查各个阀门灵活性,并且清理机组内杂物;检查风管的通畅性,特别是风机吸入口的障碍物必须清除;(2)检查机组内风机接线是否正确,并用摇表检查各相对地的绝缘电阻;(3)检查总风管及分支管预留测试孔位置是否正确,如果预留测试孔位置不合格或没有预留,则需在测试前选择、安装好测试孔。检测完毕后,需对测试孔进行密封。(4)检查各风机皮带松紧程度,过紧会增加磨擦力,皮带易损坏,电机负荷过大;过松会使皮带在轮上打滑,造成风量变小。(5)对洁净室和净化空调系统再次全面彻底清扫,但严禁使用一般吸尘机吸尘。清扫后由身着洁净工作服的人员擦拭表面,清洗剂可根据场合选用纯水、有机溶剂、中性洗涤剂和自来水,本工程A11号建筑洁净房间有防静电要求的,最后应用沾有防静电液的抹布擦一遍。5.7洁净空调机组的测定洁净空调设备的风量、风压、转速的测定(1)风管内风压、风量采用毕托管及倾斜式微压计测定,以下图为例:(2)测定断面选择:测定断面原则须选在气流均匀且稳定的直管段上,即按气流方向在局部阻力之后大于或等于4倍管径,在局部阻力之前大于或等于第3页共5页第2页共5页编号:时间:2021年x月x日书山有路勤为径,学海无涯苦...

1、当您付费下载文档后,您只拥有了使用权限,并不意味着购买了版权,文档只能用于自身使用,不得用于其他商业用途(如 [转卖]进行直接盈利或[编辑后售卖]进行间接盈利)。
2、本站所有内容均由合作方或网友上传,本站不对文档的完整性、权威性及其观点立场正确性做任何保证或承诺!文档内容仅供研究参考,付费前请自行鉴别。
3、如文档内容存在违规,或者侵犯商业秘密、侵犯著作权等,请点击“违规举报”。

碎片内容

洁净工程的调试方案

确认删除?
VIP
微信客服
  • 扫码咨询
会员Q群
  • 会员专属群点击这里加入QQ群
客服邮箱
回到顶部