电脑桌面
添加小米粒文库到电脑桌面
安装后可以在桌面快捷访问

钢筋工程专项施工方案(doc 42页)VIP免费

钢筋工程专项施工方案(doc 42页)_第1页
1/59
钢筋工程专项施工方案(doc 42页)_第2页
2/59
钢筋工程专项施工方案(doc 42页)_第3页
3/59
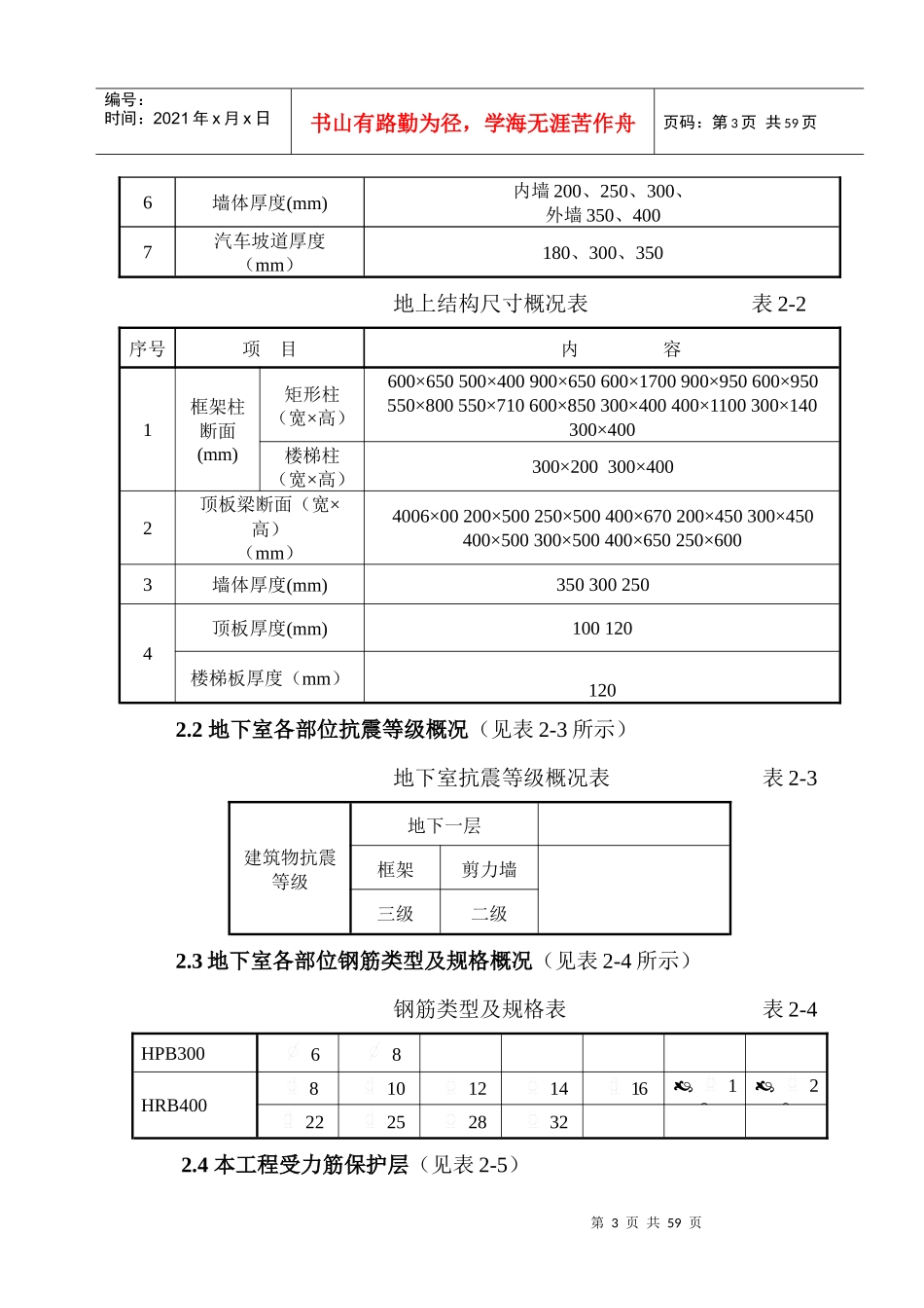
第1页共59页编号:时间:2021年x月x日书山有路勤为径,学海无涯苦作舟页码:第1页共59页一、编制依据序号名称编号1《门卫等11项(中化化工科学技术研究总院北京大兴分院20000吨/年水性涂料项目)工程施工图》2《门卫等11项(中化化工科学技术研究总院北京大兴分院20000吨/年水性涂料项目)工程施工合同》3《门卫等11项(中化化工科学技术研究总院北京大兴分院20000吨/年水性涂料项目)工程施工组织设计》4规程规范建筑结构荷载规范GB50009-20125《混凝土结构设计规范》GB50010-20106《钢筋混凝土用热轧带肋钢筋》GB1499-19987《建筑抗震设计规范》GB50011-20108《钢筋机械连接通用技术规程》JGJ107-20039《钢筋焊接及验收规程》JGJ18-200310《建筑安装工程资料管理规程》DBJ01-51-200311《混凝土结构施工图平面整体表示方法制图规则和构造详图》(框架梁、柱、板、墙等)11G101-112《混凝土结构施工图平面整体表示方法制图规则和构造详图》(现浇混凝土板式楼梯)11G101-213《混凝土结构施工图平面整体表示方法制图规则和构造详图》(筏形基础)11G101-314《混凝土结构施工图平面整体表示方法制图规则和构造详图》(现浇砼楼面及屋面板)11G101-415建筑地基基础设计规范GB50007-201116《建筑工程可靠性度设计统一标准》GB50068-200117《建筑工程抗震设防分类标准》GB50223-201118《建筑地基处理技术规范》JGJ79-2012第2页共59页第1页共59页编号:时间:2021年x月x日书山有路勤为径,学海无涯苦作舟页码:第2页共59页19《北京地区建筑地基基础勘察设计规范》DBJ11-501-200920《工程建设标准强制性条文》(房屋建筑)21公司质量保证手册及有关程序文件二、工程概况中化化工科学技术研究总院北京大兴分院工程位于北京市大兴区安定镇安定北街。实验楼为地下一层,地上5层,地下一层为人防车库。地下工程除地下主体各子项目外,地下工程总建筑面积为:2350.89平方米,平时功能为汽车库,战时为核五级,常五级甲类一等人员掩蔽所。防化级别为乙级,人防工程面积为1812.2平方米。地下室部分为钢筋混凝土剪力墙结构,楼盖采用现浇楼板,基础形式为筏形基础。抗震设防烈度5度地下室的防水等级:一级。2.1结构概况(见表2-1、2-2)地下车库结构尺寸概况表表2-1序号项目内容1基础底板厚度(mm)5002楼地面标高(M)负一层:-0.453框架柱断面(宽×高)(mm)800×800600×650700×650600×650700×7001200×650900×950950×600600×850600×1050650×975550×1090710×550900×900300×4001400×300450×400750×7501100×6501650×850400×250500×250550×550650×550750×250950×700950×750950×200等4顶板厚度(mm)360mm5顶板梁断面(宽×高)(mm)600×700700×900600×1050400×550250×500第3页共59页第2页共59页编号:时间:2021年x月x日书山有路勤为径,学海无涯苦作舟页码:第3页共59页6墙体厚度(mm)内墙200、250、300、外墙350、4007汽车坡道厚度(mm)180、300、350地上结构尺寸概况表表2-2序号项目内容1框架柱断面(mm)矩形柱(宽×高)600×650500×400900×650600×1700900×950600×950550×800550×710600×850300×400400×1100300×140300×400楼梯柱(宽×高)300×200300×4002顶板梁断面(宽×高)(mm)4006×00200×500250×500400×670200×450300×450400×500300×500400×650250×6003墙体厚度(mm)3503002504顶板厚度(mm)100120楼梯板厚度(mm)1202.2地下室各部位抗震等级概况(见表2-3所示)地下室抗震等级概况表表2-3建筑物抗震等级地下一层框架剪力墙三级二级2.3地下室各部位钢筋类型及规格概况(见表2-4所示)钢筋类型及规格表表2-4HPB30068HRB4008101214161820222528322.4本工程受力筋保护层(见表2-5)第4页共59页第3页共59页编号:时间:2021年x月x日书山有路勤为径,学海无涯苦作舟页码:第4页共59页钢筋保护层厚度与垫块选用表表2-5构件类别保护层厚度(mm)垫块类型间距(mm)底板下50/上30砼垫块800地下室内墙、外墙内侧20(人防40)塑料垫块800地下室外墙迎水面40塑料垫块800柱30塑料垫块600梁30(人防30)塑料垫块600顶板20(人防20)砼垫块800覆土...

1、当您付费下载文档后,您只拥有了使用权限,并不意味着购买了版权,文档只能用于自身使用,不得用于其他商业用途(如 [转卖]进行直接盈利或[编辑后售卖]进行间接盈利)。
2、本站所有内容均由合作方或网友上传,本站不对文档的完整性、权威性及其观点立场正确性做任何保证或承诺!文档内容仅供研究参考,付费前请自行鉴别。
3、如文档内容存在违规,或者侵犯商业秘密、侵犯著作权等,请点击“违规举报”。

碎片内容

钢筋工程专项施工方案(doc 42页)

您可能关注的文档

确认删除?
VIP
微信客服
  • 扫码咨询
会员Q群
  • 会员专属群点击这里加入QQ群
客服邮箱
回到顶部