电脑桌面
添加小米粒文库到电脑桌面
安装后可以在桌面快捷访问

某广场商住楼施工设计方案VIP免费

某广场商住楼施工设计方案_第1页
1/187
某广场商住楼施工设计方案_第2页
2/187
某广场商住楼施工设计方案_第3页
3/187
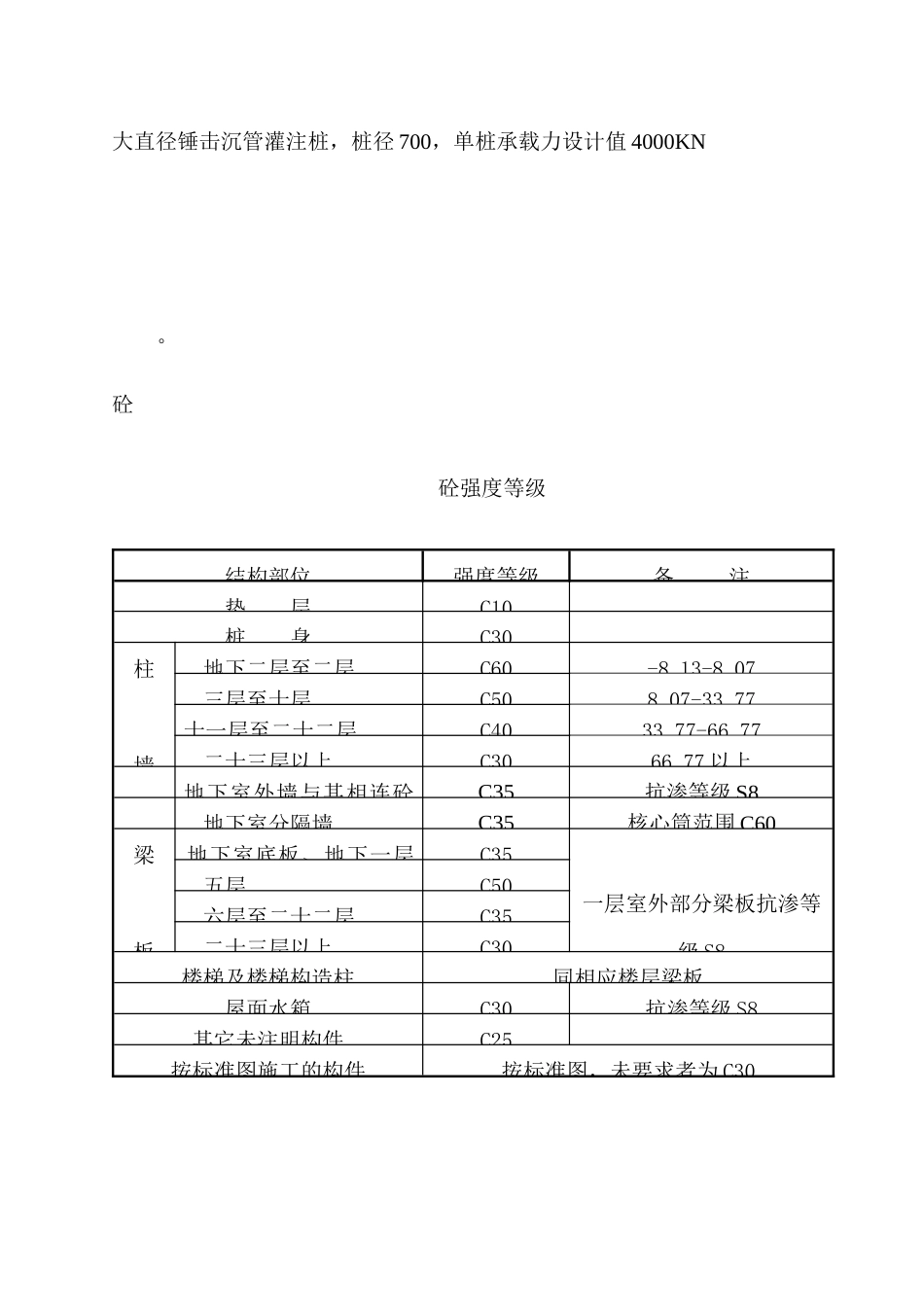
第一章工程概况第一节总述工程名称:旺业广场建设单位:旺业房地产(深圳)有限公司设计单位:深圳中航建筑设计公司工程地点:东门路与文锦中路交汇处,儿童公园侧本工程总建筑面积为60504.84平方米,地面以下为二层地下室,其中-1层为设备用房与与地下停车库,-2层为设备用房与人防地下室(平时兼地下停车库);地面以上为34层高层商住楼,其中1~4层为大开间商场,5~32层为住宅,33~34层为跃层式住宅。建筑物总高度109.50m。工程设计±0.00标高相当于绝对标高14.350m。施工前期的准备工作已经就绪,具备进场施工条件。第二节建筑地下室二层层高3.9m,设停车场地下水池、水泵房及机房。地下室一层层高4.2m,设停车场、变配电室,一层层高4.2m,二、三层3.9m,四层5.3m,均为商场;五~三十四层层高2.75m,均为住宅。本工程核心筒采用3台日立电梯,1、2层设置2台自动扶梯,一部楼梯。外墙面装饰:主体部分面贴釉面砖,分层线为漆喷涂,屋顶层为真石漆,裙楼为仿石面砖,剁斧花岗岩及镜面花岗岩。装饰:住宅楼地面、卫生间防滑地砖,其余水泥砂浆,商场为花岗石地面、卫生间贴磁片到顶,其余墙面、顶棚为乳胶漆。屋面聚酯防水,面贴浅色地砖。装饰做法表:作法地面楼面天棚内墙踢脚楼梯间防滑地砖防滑地砖乳胶漆乳胶漆地砖核心筒候地砖地砖乳胶漆乳胶漆地砖电梯机房水磨石乳胶漆乳胶漆水磨石块第三节结构一、结构形式钢筋砼框架剪力墙结构;二、抗震等级抗震设防烈度为7度,结构抗震等级、框架柱、抗震墙,标高17.27m以下抗震等级为一级,其它墙柱梁抗震等级均为二级。基础采用大直径锤击沉管灌注桩,桩径700,单桩承载力设计值4000KN。砼砼强度等级结构部位强度等级备注垫层C10桩身C30柱墙地下二层至二层C60-8.13-8.07三层至十层C508.07-33.77十一层至二十二层C4033.77-66.77二十三层以上C3066.77以上地下室外墙与其相连砼C35抗渗等级S8地下室分隔墙C35核心筒范围C60梁板地下室底板、地下一层C35一层室外部分梁板抗渗等级S8五层C50六层至二十二层C35二十三层以上C30楼梯及楼梯构造柱同相应楼层梁板屋面水箱C30抗渗等级S8其它未注明构件C25按标准图施工的构件按标准图,未要求者为C30四、钢筋1、钢筋:主要选用一级钢筋(¢,fy=210N/mm2);二级钢筋(¢,fy=310N/mm2);三级钢筋(¢,fy=360N/mm2);Ⅲ级钢筋仅用于框支梁、框支柱,核心筒暗柱。2、钢筋规格:Ⅰ级钢筋¢6—¢10Ⅱ级钢筋¢10—¢16Ⅲ级钢筋¢18—¢323、钢筋接头:钢筋直径小于16时采用搭接形式;钢筋直径超过16采用机械加连接。钢筋直径≥18mm的钢筋,采用套筒螺纹连接。焊条采用E43(焊一级钢筋)E50(焊二级钢筋、三级钢筋)五、砌体工程外墙:采用190厚混凝土空心砖。砌块强度Mu7.5,砂浆强度M5.0水泥砂浆内墙:采用190、90厚的砼空心砌块,砌块强度不小于Mu5.0,砂浆强度M5.0混合砂浆。第四节主要工程数量统计一、结构工程序号材料名称数量1钢筋3130t2混凝土71110m33模板130900m24砌块570m3注:以上工程量仅供参考第6页共187页编号:时间:2021年x月x日书山有路勤为径,学海无涯苦作舟页码:第6页共187页二、装饰工程主要装修工程量序号项目或部位数量1木门4200m22铝合金窗9000m23乳胶漆135000m24磁质耐磨砖m25外墙面砖45000m26防滑地砖m27花岗岩100m2注:上表中工程量仅供参考第五节施工现场条件一、现场三通一平三通一平已具备,水源和电源建设单位予以提供。二、工程现状桩基、基坑土方、边坡支护已完成。三、现场用地办公室、工人宿舍搭设在距现场50m,东门中路旁。施工阶段,模板、钢筋堆放、加工在甲方办公室前一空地内,待地下室顶板完成,装修材料第7页共187页第6页共187页编号:时间:2021年x月x日书山有路勤为径,学海无涯苦作舟页码:第7页共187页堆放、砂浆搅拌机、可设在建筑物旁、地下室顶板上面,围墙待地下室完成后,按红线范围内用红砖砌筑。第六节本工程的特点与施工难点1、本开程地下室施工期间将逢春季,场地狭窄,必须制订可行完善的保证措施,将地下室工程优质高速的完成。2、本工程系高层建筑,建筑物的垂直度控制也是测量放线的一个重点。3、本工程对施工中安全防护、环境保护、噪音和粉...

1、当您付费下载文档后,您只拥有了使用权限,并不意味着购买了版权,文档只能用于自身使用,不得用于其他商业用途(如 [转卖]进行直接盈利或[编辑后售卖]进行间接盈利)。
2、本站所有内容均由合作方或网友上传,本站不对文档的完整性、权威性及其观点立场正确性做任何保证或承诺!文档内容仅供研究参考,付费前请自行鉴别。
3、如文档内容存在违规,或者侵犯商业秘密、侵犯著作权等,请点击“违规举报”。

碎片内容

某广场商住楼施工设计方案

您可能关注的文档

中小学资料+ 关注
实名认证
内容提供者

精美课件,值得下载

确认删除?
VIP
微信客服
  • 扫码咨询
会员Q群
  • 会员专属群点击这里加入QQ群
客服邮箱
回到顶部